Curiosii for ever!: Car repair manuals for everyone.

Occupant Restraint Controller - Installation






INSTALLATION

WARNING: To avoid serious or fatal injury on vehicles equipped with optional seat-mounted side airbags, disable the supplemental restraint system before attempting any occupant restraint controller diagnosis or service. The occupant restraint controller contains a rollover sensor, which enables the system to deploy the side airbags in the event of a vehicle rollover event. If an occupant restraint controller is accidentally rolled during service while still connected to battery power, the side airbags will deploy. Disconnect and isolate the battery negative (ground) cable, then wait two minutes for the system capacitor to discharge before performing further diagnosis or service. This is the only sure way to disable the supplemental restraint system. Failure to take the proper precautions could result in accidental airbag deployment.

WARNING: To avoid serious or fatal injury on vehicles equipped with airbags, disable the supplemental restraint system before attempting any steering wheel, steering column, airbag, occupant classification system, seat belt tensioner, impact sensor, or instrument panel component diagnosis or service. Disconnect and isolate the battery negative (ground) cable, then wait two minutes for the system capacitor to discharge before performing further diagnosis or service. This is the only sure way to disable the supplemental restraint system. Failure to take the proper precautions could result in accidental airbag deployment.

WARNING: To avoid serious or fatal injury, never strike or drop the occupant restraint controller, as it can damage the impact sensor or affect its calibration. The occupant restraint controller contains the impact sensor, which enables the system to deploy the supplemental restraints. If an occupant restraint controller is accidentally dropped during service, the module must be scrapped and replaced with a new unit. Failure to observe this warning could result in accidental, incomplete, or improper supplemental restraint deployment.

CAUTION: On vehicles equipped with the Occupant Classification System (OCS), never replace both the Occupant Restraint Controller (ORC) and the Occupant Classification Module (OCM) at the same time. If both require replacement, replace one. Then perform the supplemental restraint verification test before replacing the other. Both the ORC and the OCM store OCS calibration data, which they transfer to one another when one of them is replaced. If both are replaced at the same time, an irreversible fault will be set in both modules.

NOTE: Several different Occupant Restraint Controllers (ORC) are available for this vehicle. For vehicles equipped with the optional seat-mounted side airbags the ORC contains a second bi-directional safing sensor.





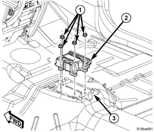
1. Carefully position the Occupant Restraint Controller (ORC) (2) onto the four studs of the ORC mount (3) on the floor panel transmission tunnel. When the ORC is correctly positioned, the bottom of the housing will fit flush with the mount and the orientation arrow on the label on top of the housing will be pointed forward in the vehicle.

2. Install and tighten the four nuts (1) that secure the ORC to the studs of the ORC mount. Tighten the nuts to 9 Nm (80 in. lbs.).





3. Reconnect the body wire harness (3) and instrument panel wire harness (4) connectors (2) to the ORC connector receptacles located on the right side of the module (1). Be certain that the latches on the connectors are each fully engaged.

4. Reinstall the center console onto the top of the floor panel transmission tunnel.

5. Do not reconnect the battery negative cable at this time. The supplemental restraint system verification test procedure should be performed following service of any supplemental restraint system component.