Powertrain Control Module - Installation
INSTALLATION
Use a diagnostic scan tool to reprogram the new Powertrain Control Module (PCM) with the vehicles original identification number (VIN) and the vehicles original mileage. If this step is
not done, a Diagnostic Trouble Code (DTC) may be set.
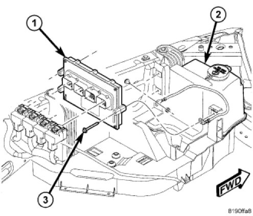
1. Install PCM (1) and three mounting screws (3) to vehicle.
2. Tighten screws to 4 Nm (35 in. lbs.).
3. Check pin connectors in PCM and four electrical connectors for corrosion or damage. Also check pin heights in connectors. Pin heights should all be the same. Repair as necessary before installing electrical connectors.
4. Install four electrical connectors to PCM.
5. Install plastic shield to electrical connectors. Shields snap to connectors.
6. Install battery cable.
7. Use a diagnostic scan tool to reprogram new PCM with vehicles original Vehicle Identification Number (VIN) and original vehicle mileage.