Installation
INSTALLATION
Compass
NOTE: Tighten the fender fasteners only after all fasteners are installed loosely and the fender is adjusted for gap and flush. Refer to Body and Frame / Specifications.
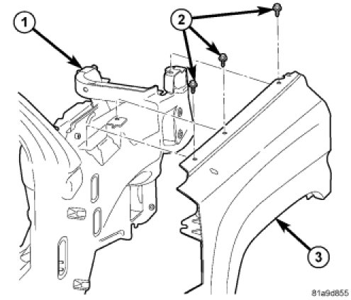
1. Loosely install the two upper bolts (2).
Patriot
NOTE: Tighten the fender fasteners only after all fasteners are installed loosely and the fender is adjusted for gap and flush. Refer to Body and Frame / Specifications.
1. Loosely install the three upper bolts (2).
2. Install the two inner nuts (2) loosely.
3. Install the two lower bolts (1) next to the door, loosely.
4. Loosely install the two inner bolts (1) at the rear of the wheel well and adjust the fender to the correct gap and flush dimensions. Refer to Body and Frame / Specifications.
5. After correct fender gap and flush specifications are met, tighten all the fender fasteners to 14 Nm (10.5 ft. lbs.).
NOTE: Compass shown, Patriot similar.
6. Install the fender to fascia fasteners (5 and 6).
7. Install the radio antenna, if equipped.
8. Install the wheelhouse splash shield.
9. Install the radiator closure panel.