Curiosii for ever!: Car repair manuals for everyone.

Description






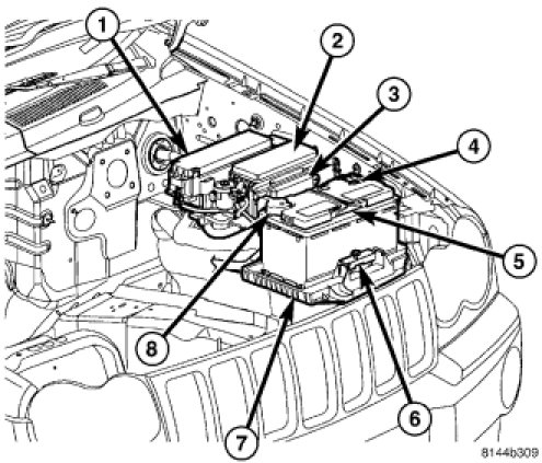
DESCRIPTION





CAUTION: Do not exchange the Front Control Module with the module from another vehicle. Multiple vehicle module configurations may be altered. Use only approved service parts when replacing the module or exchanging the module for diagnostic purposes.

The Front Control Module (FCM) (3) is a micro controller based module located in the left front corner of the engine compartment. The FCM mates directly to the Integrated Power Module (IPM)(2). The IPM connects directly to the battery and provides the primary means of circuit protection and power distribution for many of the vehicle electrical systems. The FCM controls power to some of these vehicle systems electrical and electromechanical loads based on inputs received from hard wired switch inputs and data received on the Controller Area Network (CAN) data bus circuit.