Curiosii for ever!: Car repair manuals for everyone.

Installation






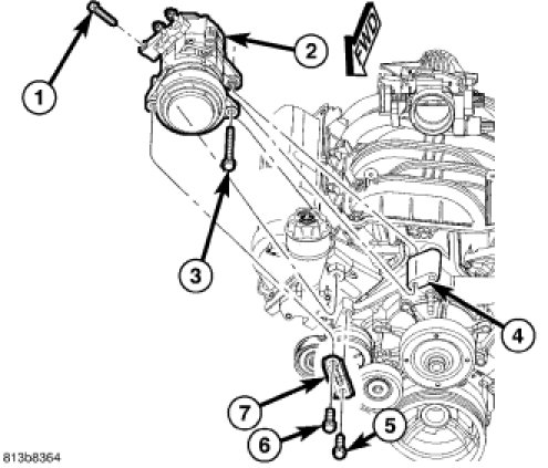
3.7L/4.7L ENGINES

CAUTION: If the A/C compressor is being replaced, be certain to adjust the refrigerant system oil level. Failure to properly adjust the refrigerant oil level will prevent the A/C system from operating as designed and can cause serious A/C compressor damage.

CAUTION: The A/C receiver/drier must be replaced if an internal failure of the A/C compressor has occurred. Failure to replace the A/C receiver/drier can cause serious damage to the replacement A/C compressor.

NOTE: When replacing multiple A/C system components, refer to the Refrigerant Oil Capacities chart to determine how much oil should be removed from the new A/C compressor.

NOTE: Replacement of the refrigerant line O-ring seals and gaskets is required anytime a refrigerant line is opened. Failure to replace the rubber O-ring seals and metal gaskets could result in a refrigerant system leak.

NOTE: LHD model shown in illustrations. RHD model similar.





1. If the A/C compressor (2) is being replaced, the refrigerant oil in the old compressor must be first drained and measured. Then the oil in the new A/C compressor must be drained. Finally, the new compressor must be refilled with the same amount of new refrigerant oil that was drained out of the old compressor . When replacing multiple A/C system components, refer to the Refrigerant Oil Capacities chart to determine how much oil should be added to the refrigerant system. Use only refrigerant oil of the type recommended for the A/C compressor in the vehicle.

2. Position the A/C compressor onto the accessory mounting bracket (4).

3. Install and tighten the bolts in the following sequence:
- Install bolt (3) and hand tighten.
- Install bolt (6) and hand tighten.
- Install bolt (1) and hand tighten.
- Tighten bolt (3) to 40 Nm (30 ft. lbs.).
- Tighten bolt (6) to 55 Nm (41 ft. lbs.).
- Tighten bolt (1) to 55 Nm (41 ft. lbs.).
- Tighten bolt (5) to 55 Nm (41 ft. lbs.).

4. Connect the wire harness connector to the A/C compressor clutch coil connector.





5. Remove the tape or plugs from the opened refrigerant line fittings and the compressor ports.

6. Lubricate new dual plane seals with clean refrigerant oil and install them onto the refrigerant line fittings. Use only the specified seals as they are made of a special material for the R-134a system. Use only refrigerant oil of the type recommended for the A/C compressor in the vehicle.

7. Install the A/C suction line (6) and the A/C discharge line (4) onto the A/C compressor (2).

8. Install the nuts (1) that secure the refrigerant lines to the A/C compressor. Tighten the nuts to 20 Nm (15 ft. lbs.).

9. Install the accessory drive belt.

10. Replace the A/C receiver/drier if the A/C compressor is being replaced due to an internal failure.

11. Install the resonator onto the engine and air cleaner housing.

12. Reconnect the negative battery cable.

13. Evacuate the refrigerant system.

14. Charge the refrigerant system.