Curiosii for ever!: Car repair manuals for everyone.

Electronic Brake Control Module: Service and Repair

MODULE-ANTILOCK BRAKE

REMOVAL




1. Remove the negative battery cable from the battery.
2. Pull up on the ABM harness connector (4) release and remove connector.
3. Remove the pump connector from the ABM.




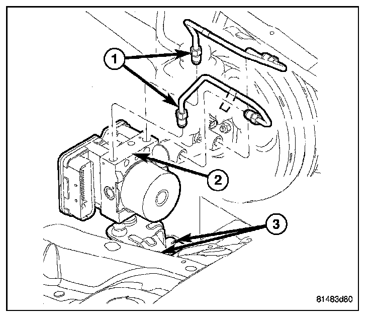
4. Remove the brake lines (1) from the ABM (2).
5. Remove the ABM (2) mounting nuts (3).
6. Remove the ABM unit from the vehicle.




7. Remove the ABM module (1) mounting screws (2) from the ABM unit (3).

INSTALLATION

NOTE: If the ABM module (1) is being replaced with a new ABM module it must be reprogrammed with the use of a scan tool.




1. Install ABM module (1) to the ABM unit (3).
2. Install mounting screws (2). Tighten to 2 N.m (16 in. lbs.).




3. Install the ABM unit (2) to the vehicle.
4. Install the ABM mounting bracket nuts (3) and tighten to 14 N.m (125 in. lbs.).
5. Install brake lines (1) to the ABM unit (2) and tighten to 20 N.m (180 in. lbs.)




6. Install the wiring harness connector (4) to the ABM unit and push down on the release to secure the connector.
7. Install negative battery cable to the battery.
8. Bleed ABS brake system.