Curiosii for ever!
: Car repair manuals for everyone.
Home
>>
Jeep Truck
>>
2006
>>
Liberty 2WD V6-3.7L VIN K
>>
Repair and Diagnosis
>>
Powertrain Management
>>
Computers and Control Systems
>>
Fuel Level Sensor
>>
Locations
>>
Module-Fuel Pump
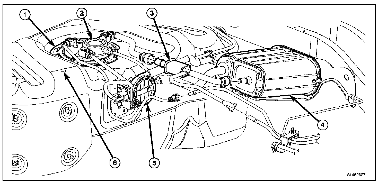
Module-Fuel Pump
The fuel pump module assembly(2) is located on top of the fuel tank.