Curiosii for ever!: Car repair manuals for everyone.

Fender: Service and Repair

FENDER

REMOVAL




1. Mark fender location.
2. Remove wheel if necessary.
3. Remove wheel liner.




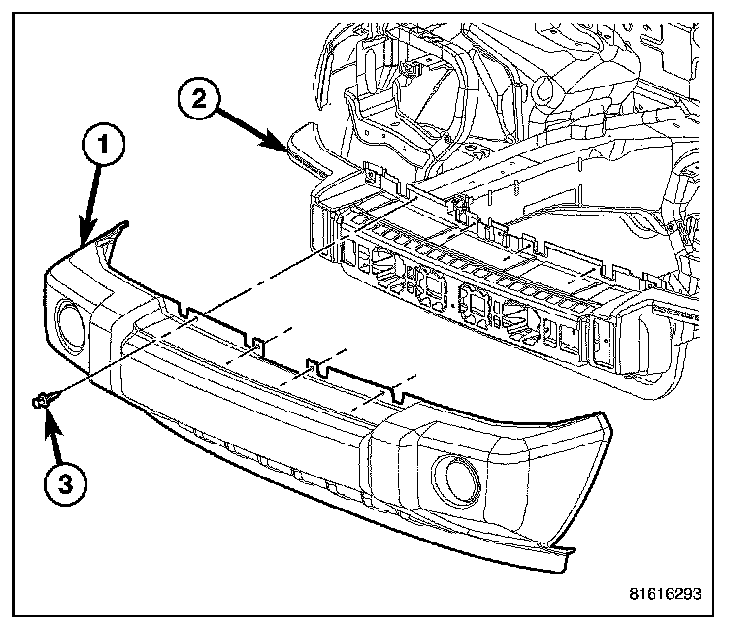
4. Remove front fascia as necessary.

Antenna

If required, remove the antenna from the fender.




1. Unscrew the antenna mast (2) from the antenna body.
2. Remove the antenna cap nut (1) using an antenna nut wrench (Special Tool C-4816)
3. Remove the antenna adapter (4) from the top of the fender.
4. Lower the antenna body (3) through the mounting hole in the top of the fender.




5. Remove front lower mounting bolts (2).
6. Loosen rocker panel cover as necessary.
7. Remove the inner support rivet (3).
8. Remove rear lower mounting bolts (4).




9. Remove upper fender mounting bolts (1).
10. Remove fender (2) from vehicle.

INSTALLATION




1. Position fender (2) on body.




2. Install all screws finger-tight.
3. Align fender with adjacent body panels and reference marks.
4. Tighten all screws to 8.5 N.m (75 in.lbs).
5. Install rocker panel cover as necessary.

Antenna

If required, install the antenna from the fender.




1. Position the antenna body (3) through the mounting hole in the top of the fender.
2. Install the adapter (4) over the antenna body from the top of the fender.
3. Install and tighten the antenna cap nut (1) using an antenna nut wrench (Special Tool C-4816).
4. Install and tighten the antenna mast (2) onto the antenna body. Ensure that the antenna mast is fully seated on antenna base and that there is no gap between the mast and base.




6. Install front fascia (1) as necessary.




7. Install wheel liner.
8. Install wheel if removed.