Curiosii for ever!: Car repair manuals for everyone.

Airbag Control Module



WARNING:
- TO AVOID PERSONAL INJURY OR DEATH, ON VEHICLES EQUIPPED WITH AIRBAGS, DISABLE THE SUPPLEMENTAL RESTRAINT SYSTEM BEFORE ATTEMPTING ANY STEERING WHEEL, STEERING COLUMN, AIRBAG, OCCUPANT CLASSIFICATION SYSTEM, SEAT BELT TENSIONER, IMPACT SENSOR, OR INSTRUMENT PANEL COMPONENT DIAGNOSIS OR SERVICE. DISCONNECT AND ISOLATE THE BATTERY NEGATIVE (GROUND) CABLE, THEN WAIT TWO MINUTES FOR THE SYSTEM CAPACITOR TO DISCHARGE BEFORE PERFORMING FURTHER DIAGNOSIS OR SERVICE. THIS IS THE ONLY SURE WAY TO DISABLE THE SUPPLEMENTAL RESTRAINT SYSTEM. FAILURE TO TAKE THE PROPER PRECAUTIONS COULD RESULT IN ACCIDENTAL AIRBAG DEPLOYMENT.
- TO AVOID PERSONAL INJURY OR DEATH, NEVER STRIKE OR DROP THE AIRBAG CONTROL MODULE, AS IT CAN DAMAGE THE IMPACT SENSOR OR AFFECT ITS CALIBRATION. THE AIRBAG CONTROL MODULE CONTAINS THE IMPACT SENSOR, WHICH ENABLES THE SYSTEM TO DEPLOY THE SUPPLEMENTAL RESTRAINTS. IF AN AIRBAG CONTROL MODULE IS ACCIDENTALLY DROPPED DURING SERVICE, THE MODULE MUST BE SCRAPPED AND REPLACED WITH A NEW UNIT. FAILURE TO OBSERVE THIS WARNING COULD RESULT IN ACCIDENTAL, INCOMPLETE, OR IMPROPER SUPPLEMENTAL RESTRAINT DEPLOYMENT.


REMOVAL
CAUTION: On vehicles equipped with the Occupant Classification System (OCS), never replace both the Airbag Control Module (ACM) and the Occupant Classification Module (OCM) at the same time. If both require replacement, replace the OCM first. Then perform the supplemental restraint verification test including an ignition-On time of at least one minute before replacing the ACM. Both the ACM and the OCM store OCS calibration data, which they transfer to one another during the first minute of ignition-On time after one of them is replaced. If both modules are replaced at the same time, an irreversible fault will be set in both modules. If the data transfer is not allowed sufficient time to complete between modules (at least one minute of ignition-On), an irreversible fault will be set in the module requiring the data.

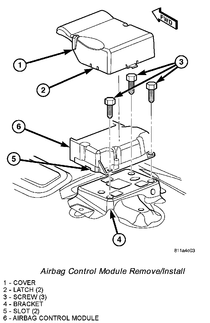
1. Disconnect and isolate the battery negative cable. Wait two minutes for the system capacitor to discharge before further service.
2. Remove the center console from the top of the floor panel transmission tunnel.

CAUTION: Use care when disengaging the Airbag Control Module (ACM) cover latches from the ACM or the cover may be damaged.

Airbag Control Module Remove/Install:




3. The ACM cover is secured to the ACM by a latch tab located on each side of the cover. Gently pry both latch tabs away from the ACM far enough to disengage the latches from the slots in the base of the ACM housing, then lift the cover off of the ACM.

Airbag Control Module Connectors:




4. Disconnect the two wire harness connectors (one each from the instrument panel and the body wire harnesses) for the ACM from the ACM connector receptacles located on the forward facing side of the module. To disconnect the wire harness connectors from the ACM, depress the release tab and lift the lever arm on each connector.
5. Remove the three screws that secure the ACM to the ACM bracket that is welded onto the top of the floor panel transmission tunnel.
6. Remove the ACM from the floor panel transmission tunnel.

INSTALLATION
CAUTION: On vehicles equipped with the Occupant Classification System (OCS), never replace both the Airbag Control Module (ACM) and the Occupant Classification Module (OCM) at the same time. If both require replacement, replace one. Then perform the supplemental restraint verification test before replacing the other. Both the ACM and the OCM store OCS calibration data, which they transfer to one another when one of them is replaced. If both are replaced at the same time, an irreversible fault will be set in both modules.

1. Carefully position the Airbag Control Module (ACM) to the ACM bracket on the floor panel transmission tunnel. When the ACM is correctly positioned, the arrow on the ACM label will be pointed forward in the vehicle and the locating pin on the bottom of the right ACM mounting flange will be engaged into the locating hole in the ACM bracket.
2. Install and tighten the three screws that secure the ACM to the ACM bracket that is welded onto the floor panel transmission tunnel. Tighten the screws to 11 Nm (8 ft. lbs.).

CAUTION: The lever arms of the wire harness connectors for the ACM MUST be in the unlatched position before they are inserted into their connector receptacles on the ACM or they may become damaged.

3. Reconnect the two wire harness connectors (one each from the instrument panel and the body wire harnesses) for the ACM to the ACM connector receptacles located on the forward facing side of the module . Be certain that the latches on both connectors are each fully engaged.
4. Carefully position the ACM cover back over the top of the ACM. Be certain both cover latches are engaged in the slots in the base of the ACM housing.
5. Reinstall the center console onto the top of the floor panel transmission tunnel.
6. Do not reconnect the battery negative cable at this time. The supplemental restraint system verification test procedure should be performed following service of any supplemental restraint system component.