Curiosii for ever!
: Car repair manuals for everyone.
Home
>>
Jeep Truck
>>
2003
>>
TJ (CANADA) L4-2.4L
>>
Repair and Diagnosis
>>
Powertrain Management
>>
Computers and Control Systems
>>
Body Control Module
>>
Diagrams
>>
Electrical Diagrams
Electrical Diagrams
Airbag System:
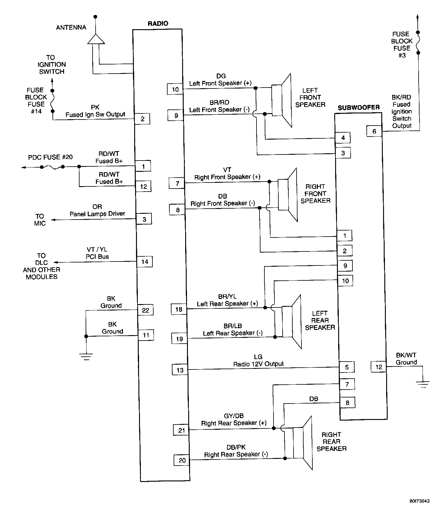
Base Audio System:
Premium Audio System:
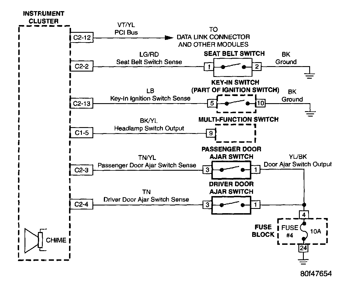
Chime System:
Compass/Temperature Mirror:
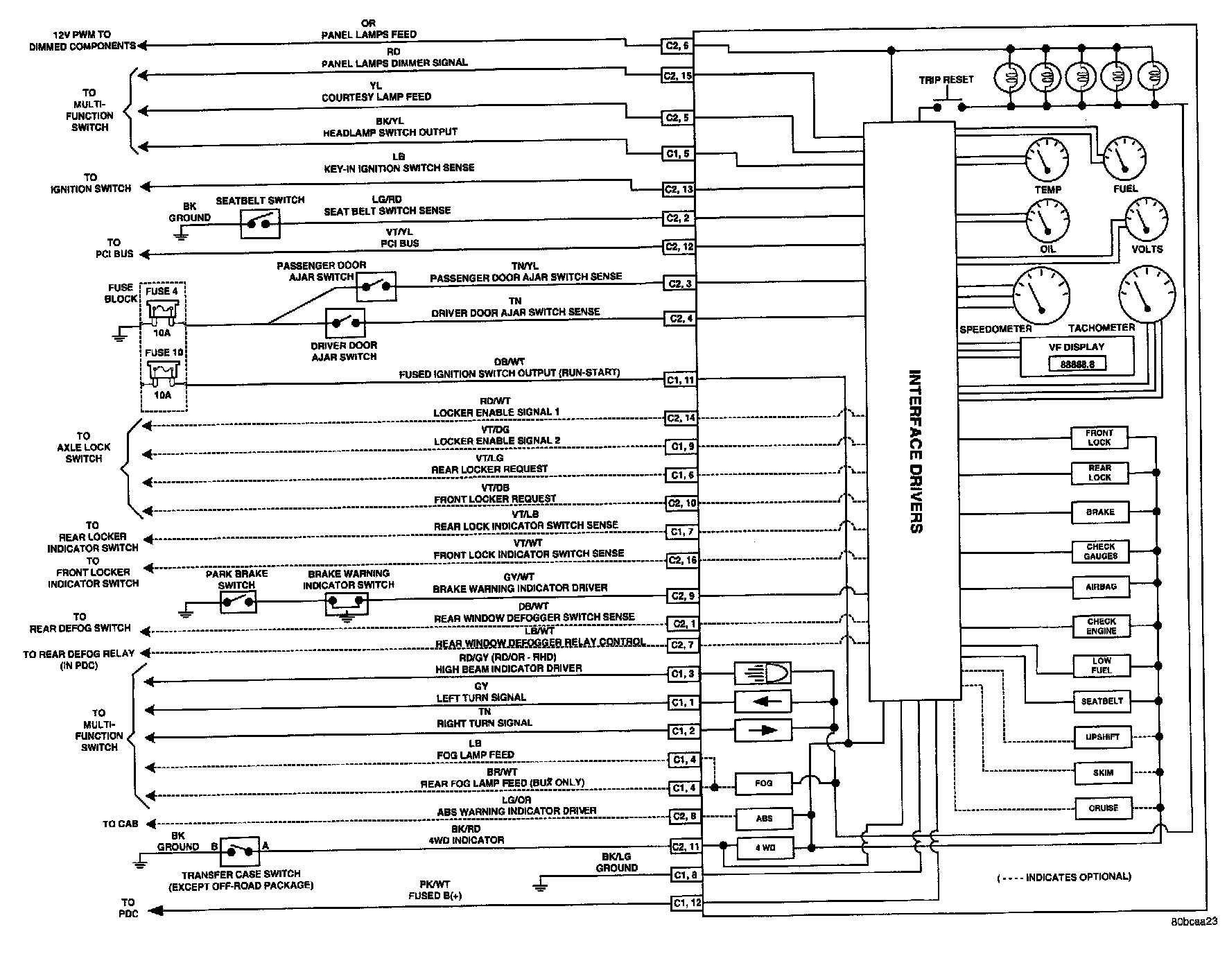
Instrument Cluster:
Instrument Cluster/Axle Locker System:
Interior Lighting:
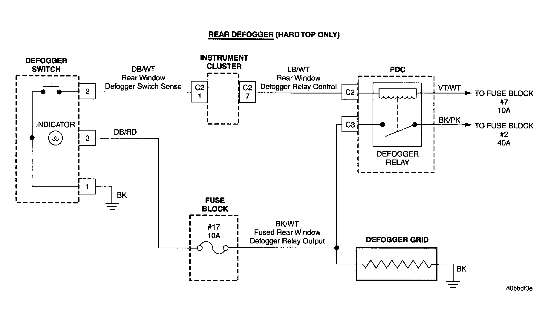
Rear Defogger:
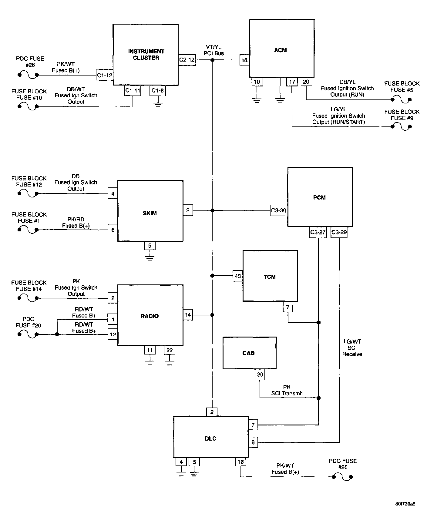
Vehicle Communications: