Curiosii for ever!: Car repair manuals for everyone.

Wiring Diagrams

PLEASE NOTE: Some diagram sheets may appear to be missing because of gaps in the number sequences. These "gaps" are actually for diagrams that do not apply to the vehicle model selected.

8w-45-2:





8w-45-3:





8w-45-4:





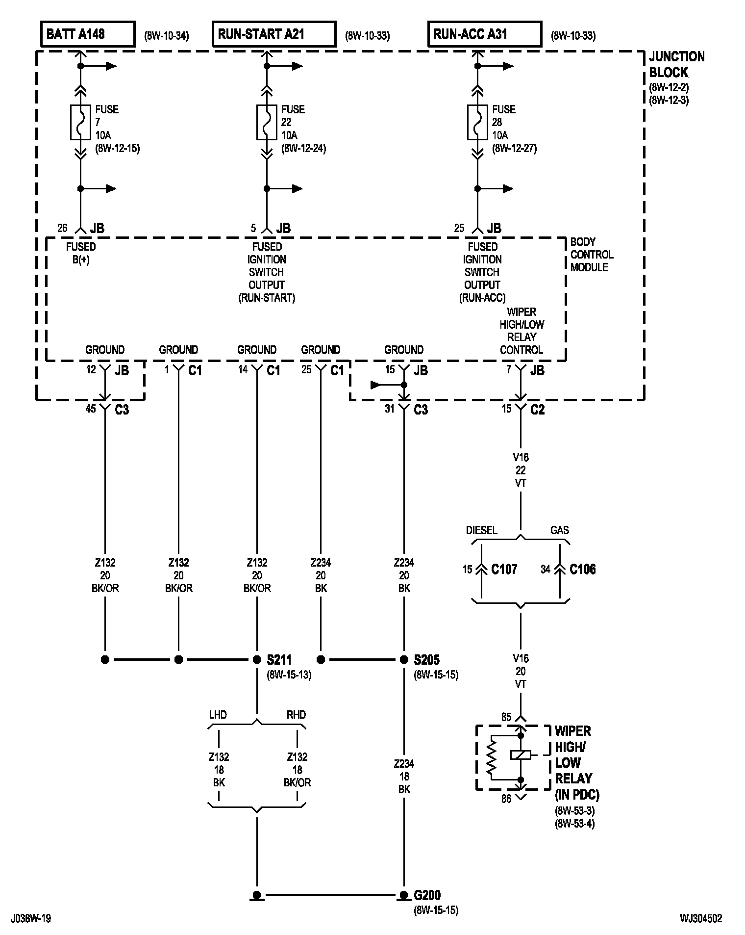
8w-45-5 (LHD):





8w-45-6 (RHD):





8w-45-7:





8w-45-8:





8w-45-9:





8w-45-10:






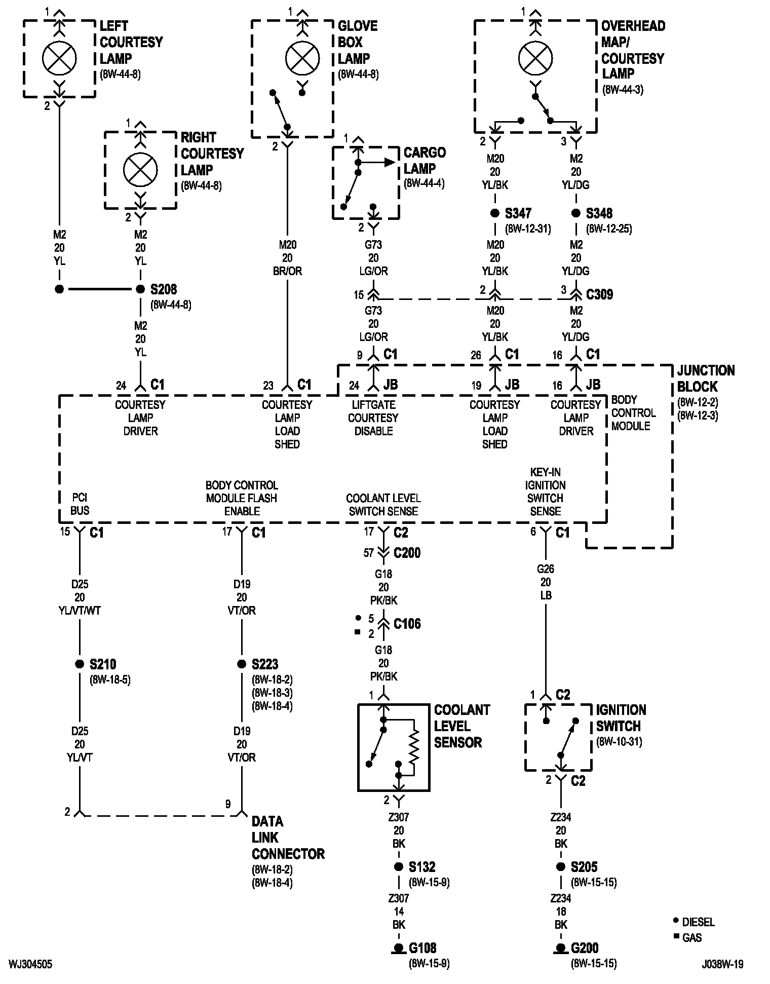
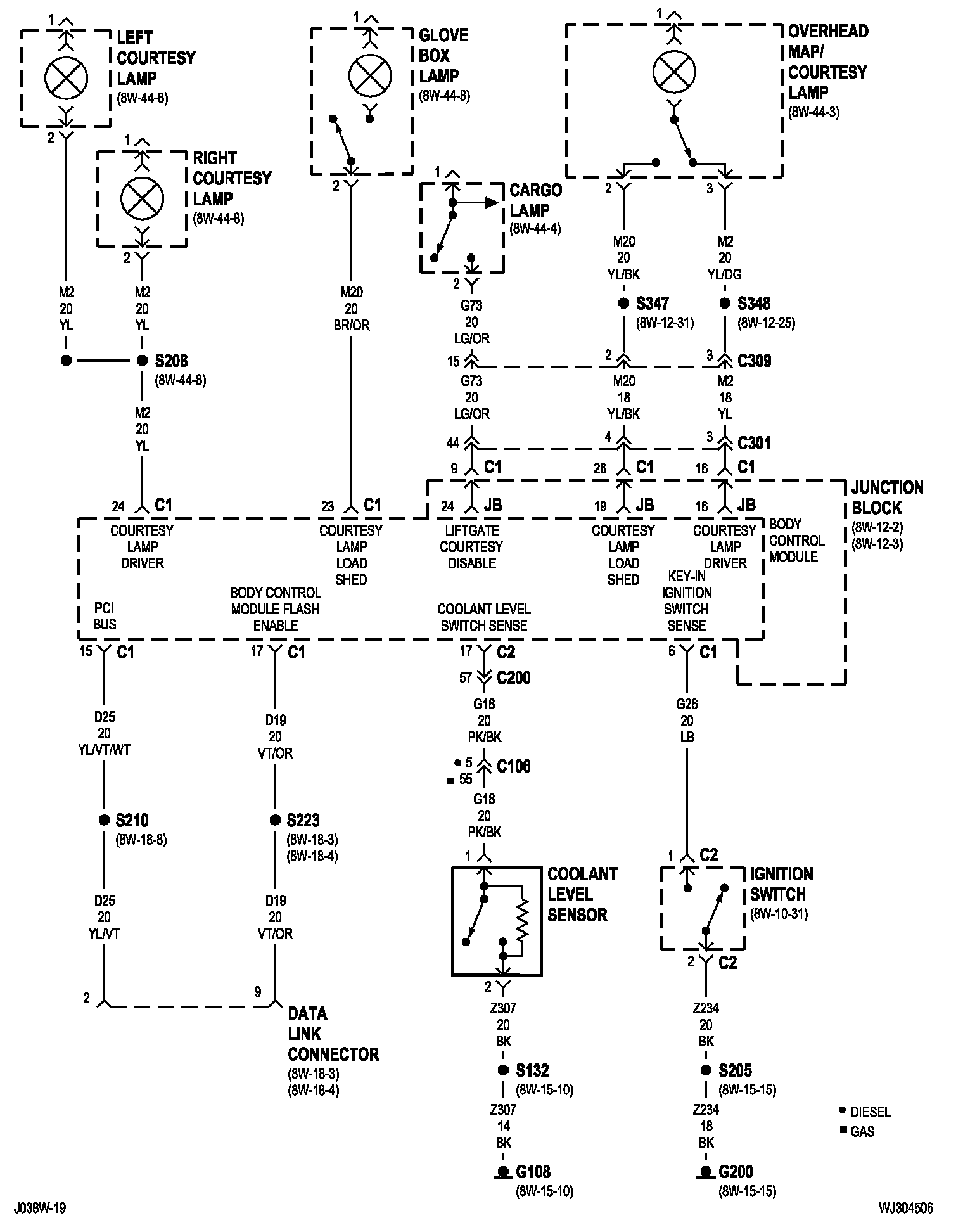
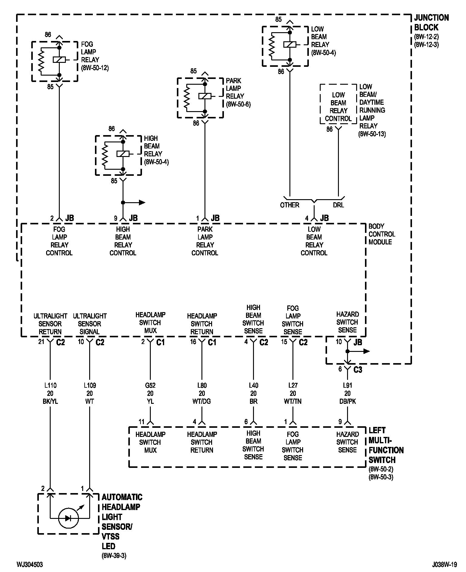
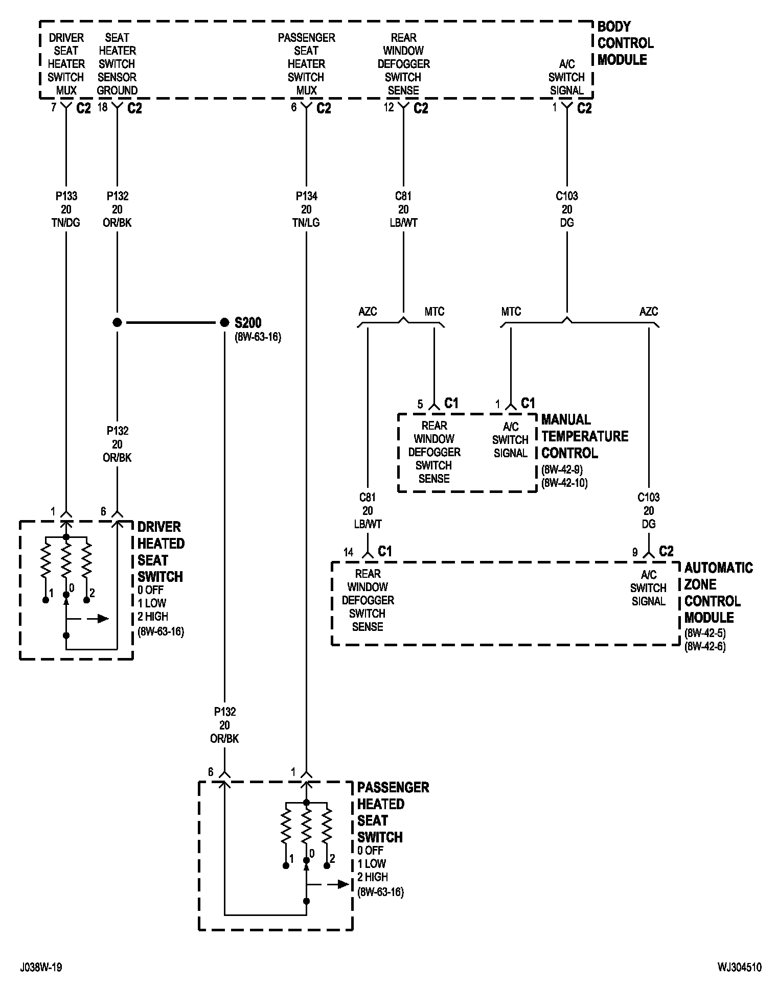
NOTE: Other diagrams referred to by number within these diagrams can be found at Diagrams by Number. Diagrams By Number