Curiosii for ever!
: Car repair manuals for everyone.
Home
>>
Jeep Truck
>>
2003
>>
Grand Cherokee 2WD V8-4.7L
>>
Repair and Diagnosis
>>
Diagrams
>>
Connector Views
>>
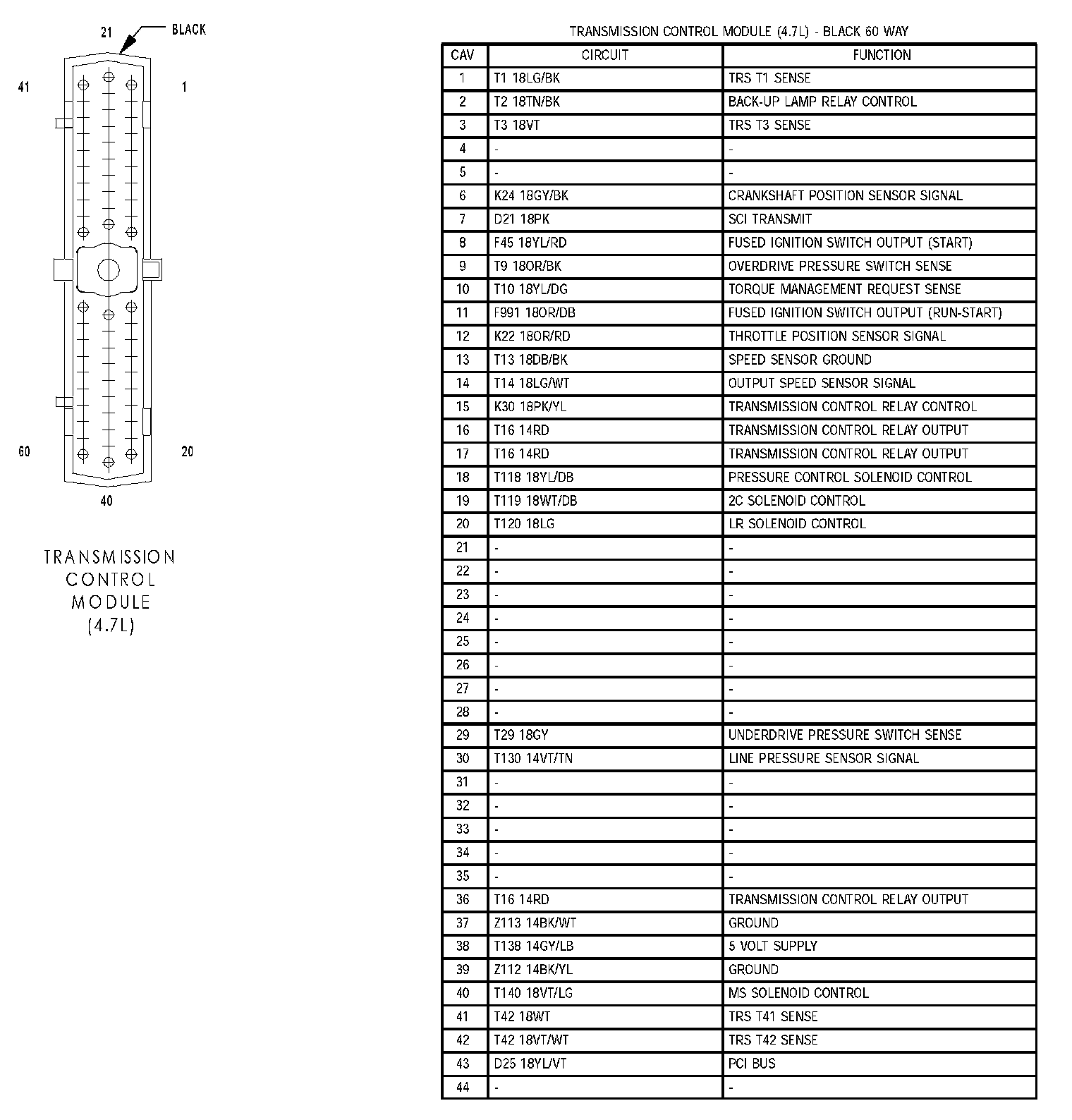
Control Module, A/T
Control Module, A/T
Transmission Control Module (4.7L) Part 1 Of 2:
Transmission Control Module (4.7L) Part 2 Of 2: