Curiosii for ever!
: Car repair manuals for everyone.
Home
>>
Jeep Truck
>>
2002
>>
TJ (CANADA) L6-4.0L
>>
Repair and Diagnosis
>>
Diagrams
>>
Electrical Diagrams
>>
Powertrain Management
>>
Computers and Control Systems
>>
Engine Control Module
>>
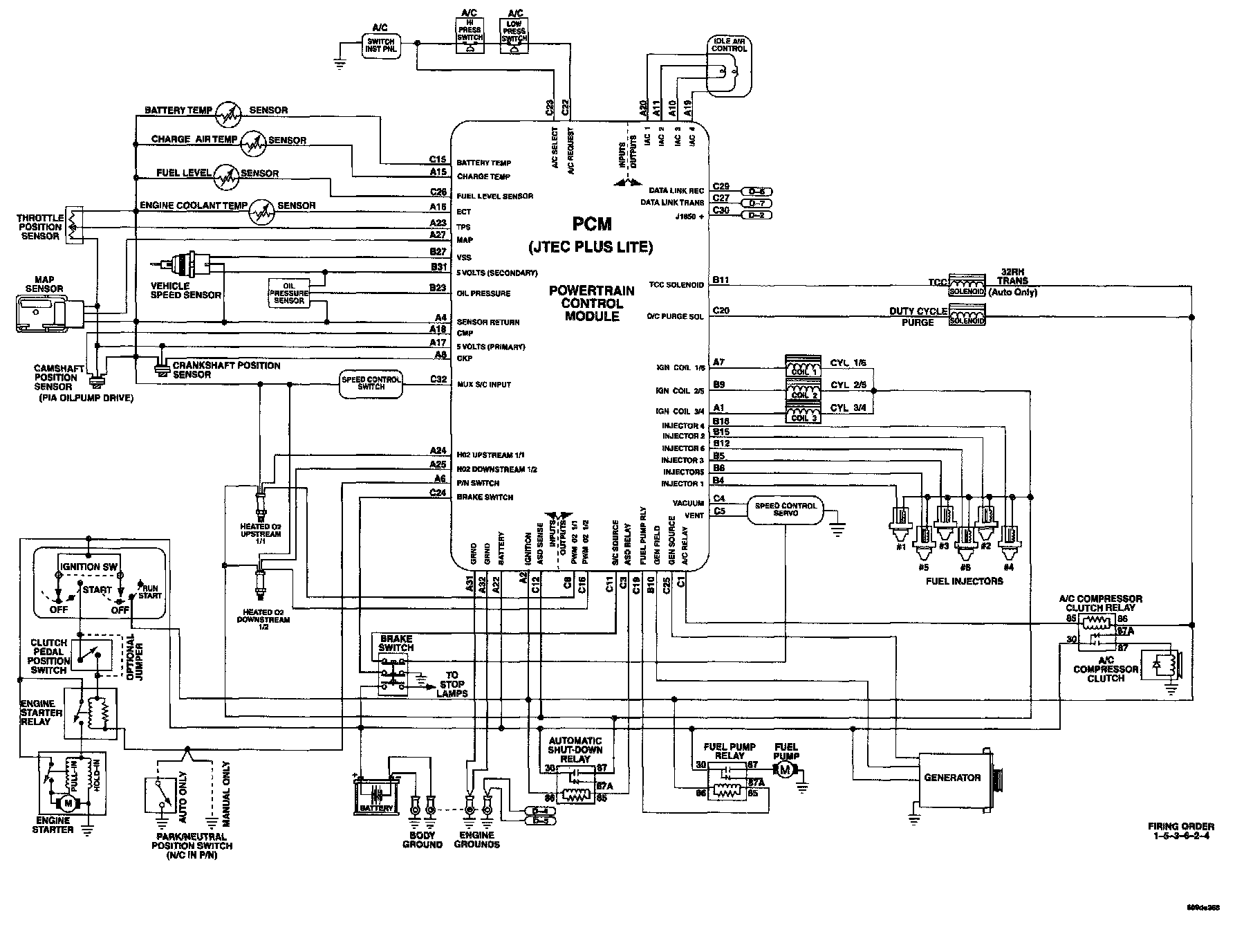
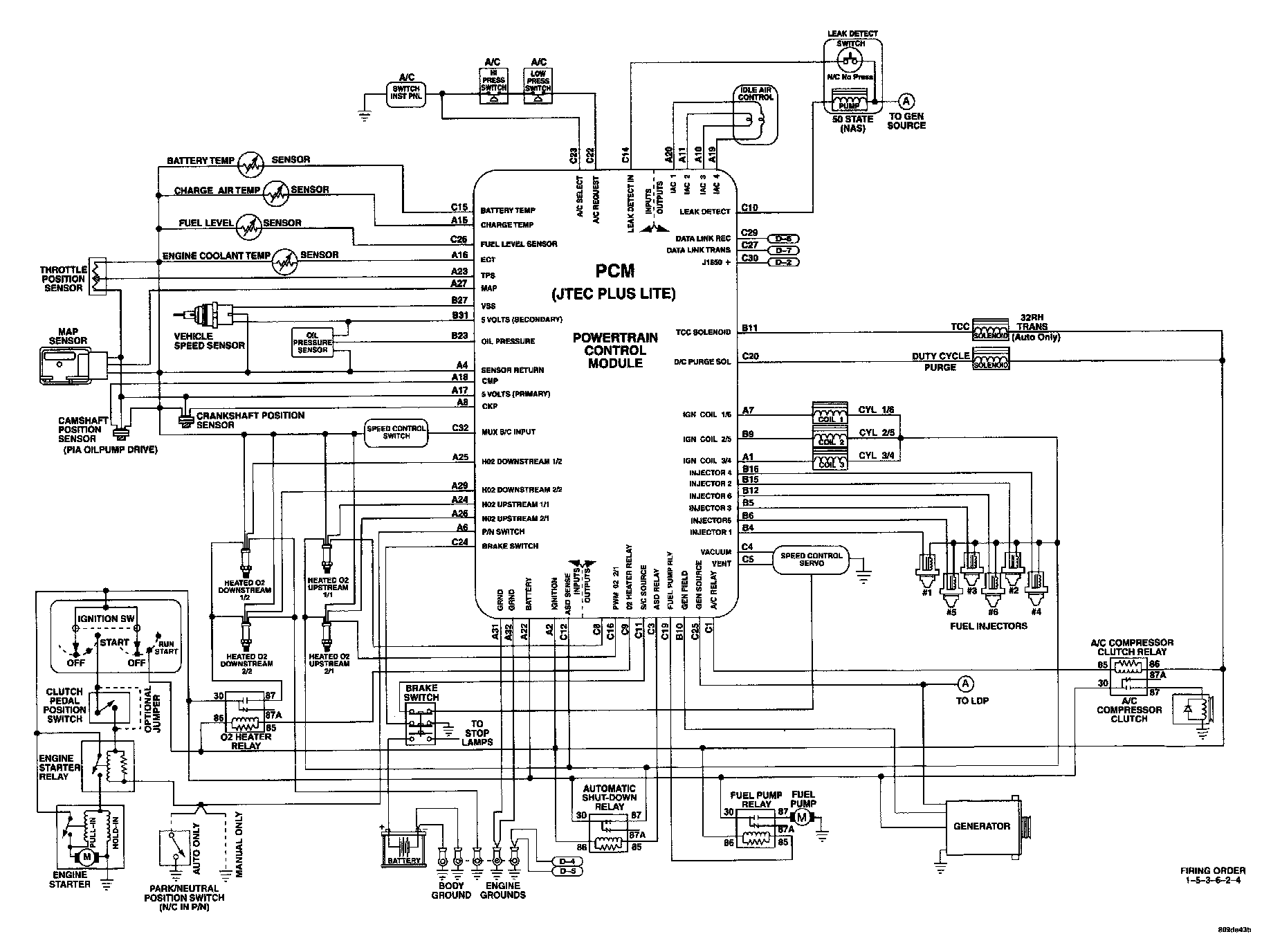
System Schematic
System Schematic
2001 Jeep TJ 4.0L JTEC System:
2001 Jeep TJ 4.0L JTEC System: