Curiosii for ever!
: Car repair manuals for everyone.
Home
>>
Jeep Truck
>>
2002
>>
Grand Cherokee 4WD Overland V8-4.7L
>>
Repair and Diagnosis
>>
Powertrain Management
>>
Computers and Control Systems
>>
Relays and Modules - Computers and Control Systems
>>
Engine Control Module
>>
Diagrams
>>
Electrical Diagrams
>>
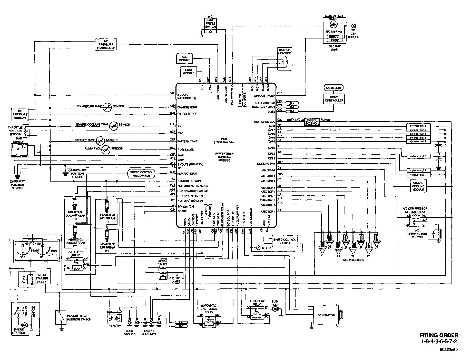
System Schematic
System Schematic
2001 Jeep WJ 4.7L JTEC System: