Curiosii for ever!
: Car repair manuals for everyone.
Home
>>
Jeep Truck
>>
2002
>>
Grand Cherokee 4WD Overland V8-4.7L
>>
Repair and Diagnosis
>>
Powertrain Management
>>
Computers and Control Systems
>>
Relays and Modules - Computers and Control Systems
>>
Body Control Module
>>
Diagrams
>>
Electrical Diagrams
Electrical Diagrams
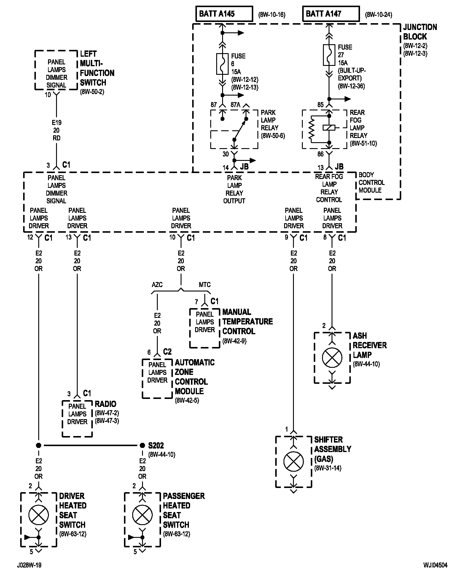
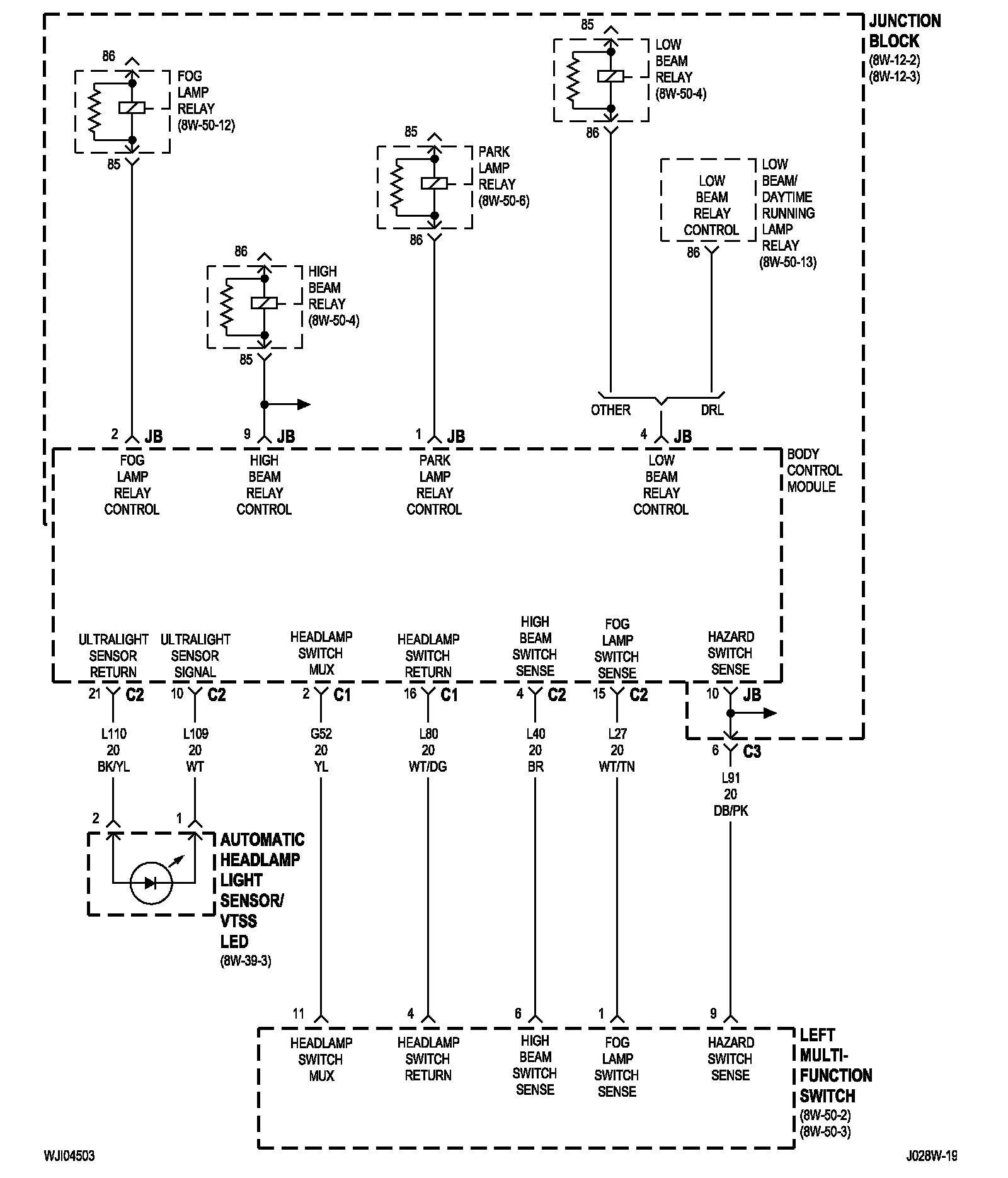
8w-45-2:
8w-45-3:
8w-45-4:
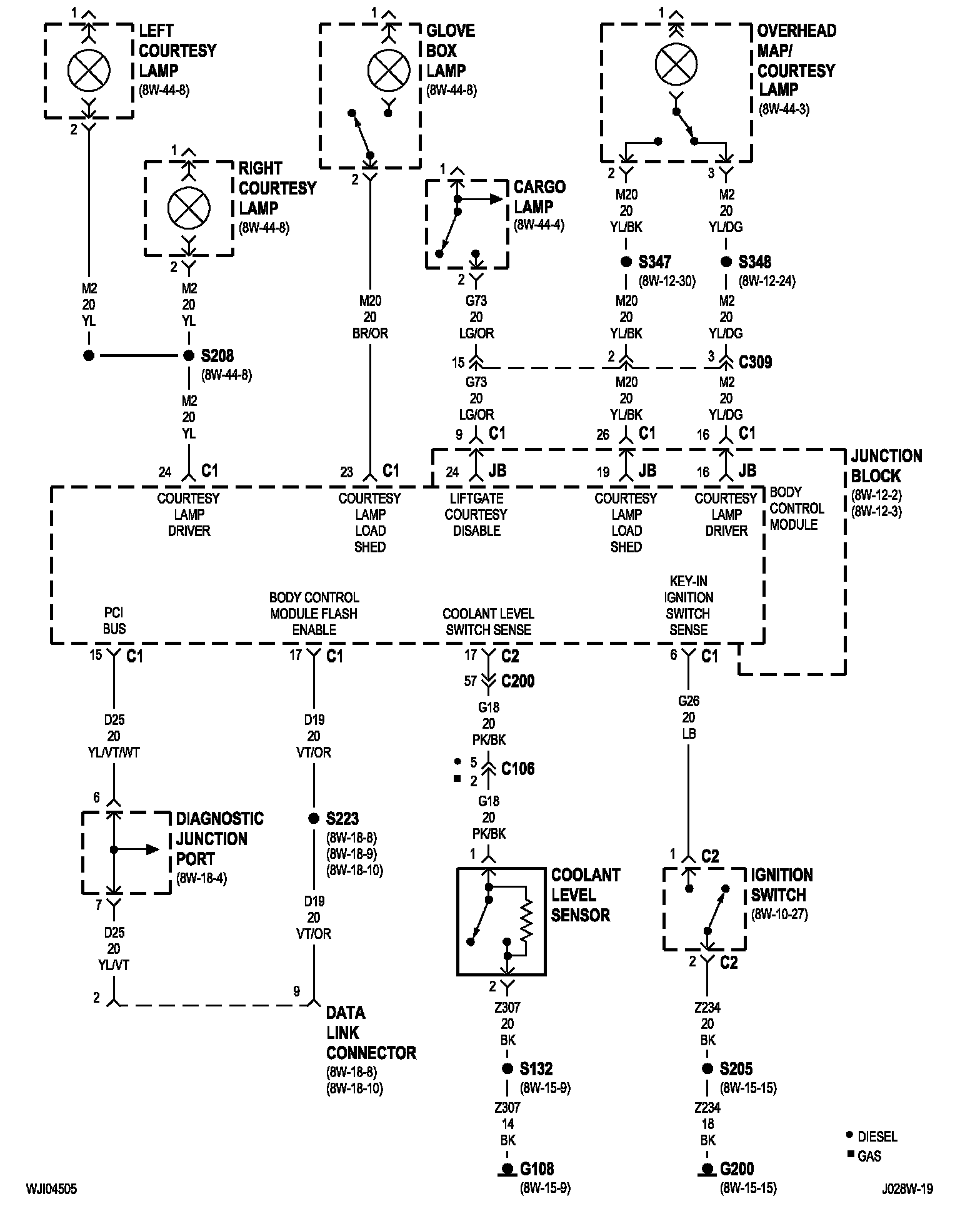
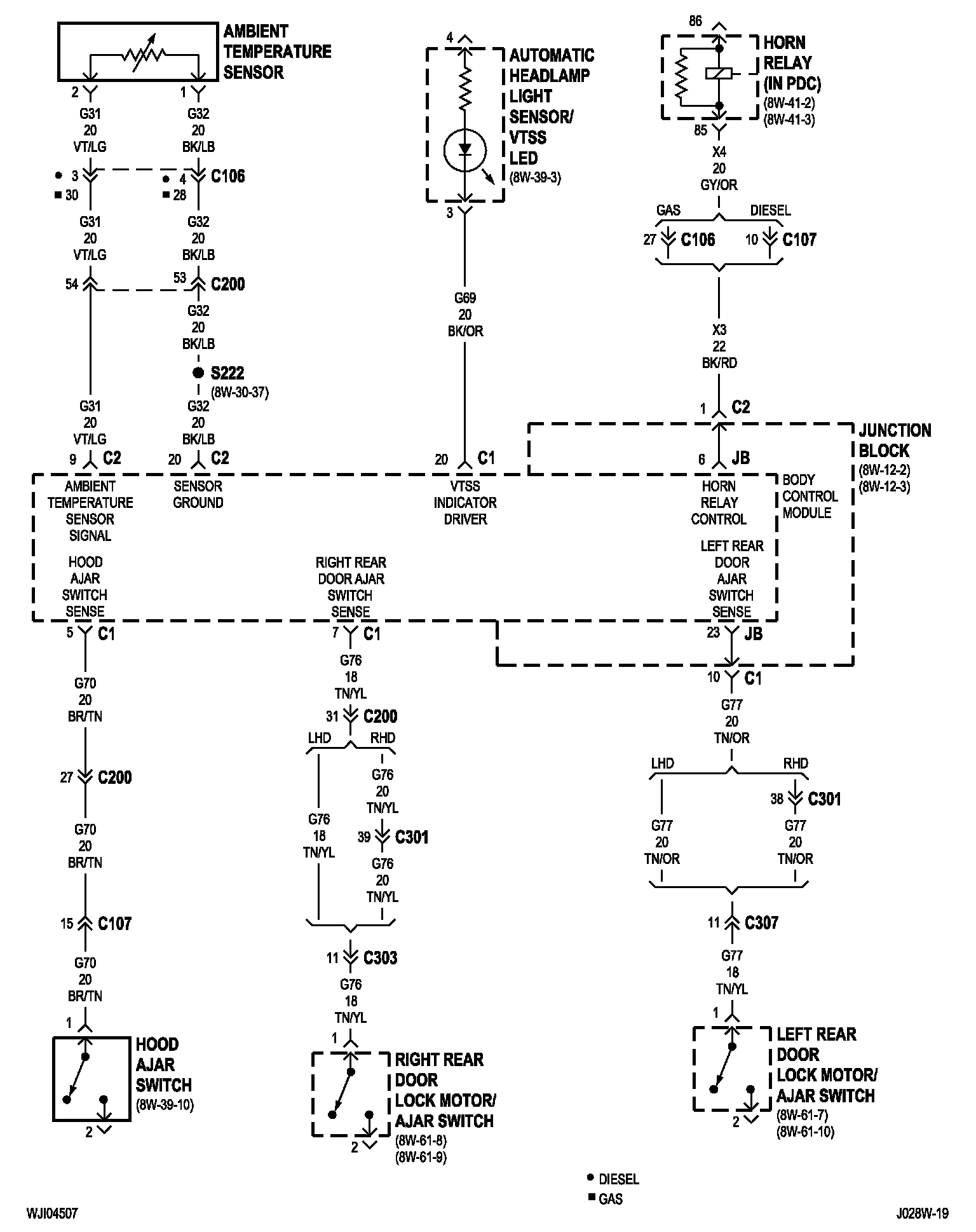
8w-45-5 (LHD):
8w-45-6 (RHD):
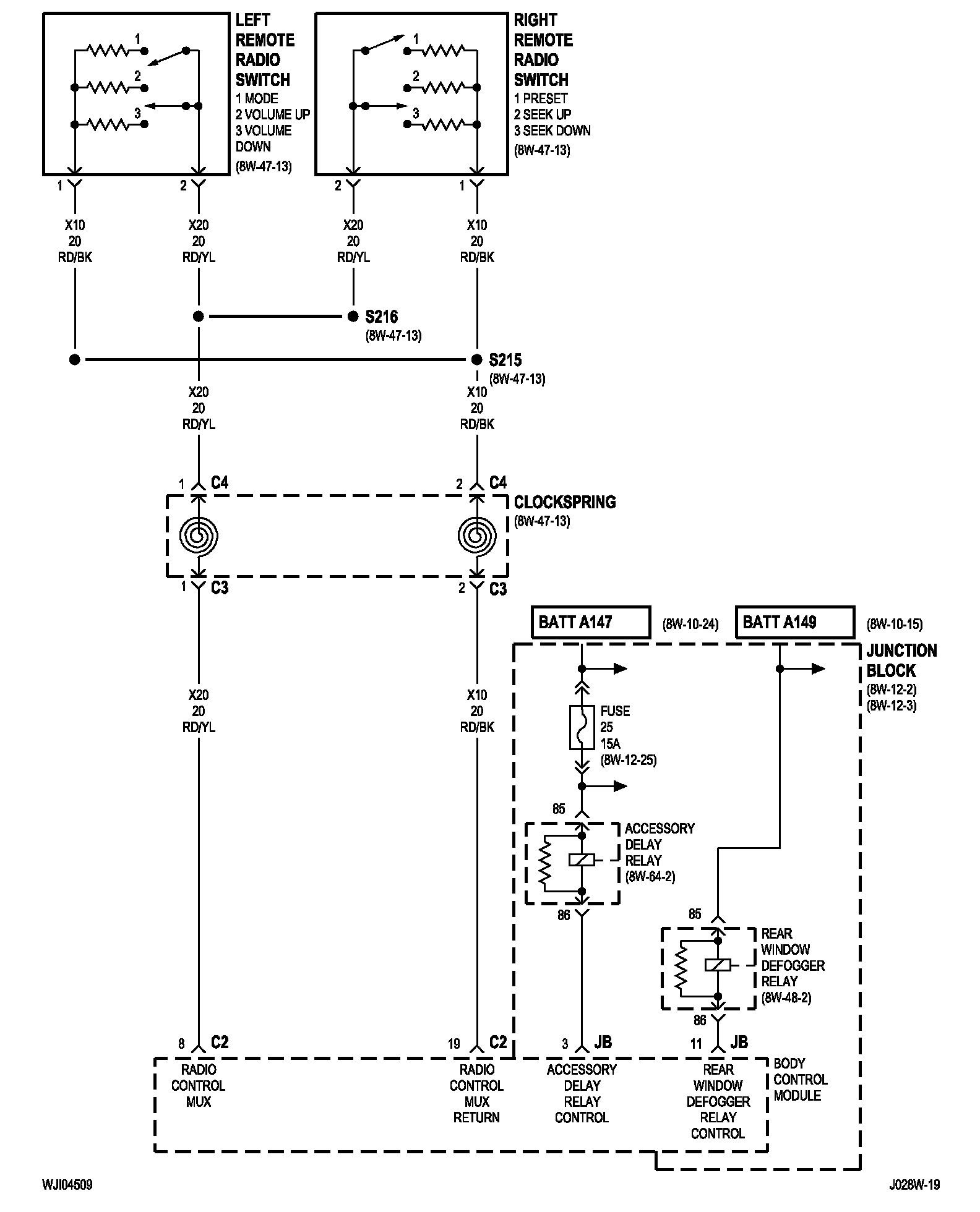
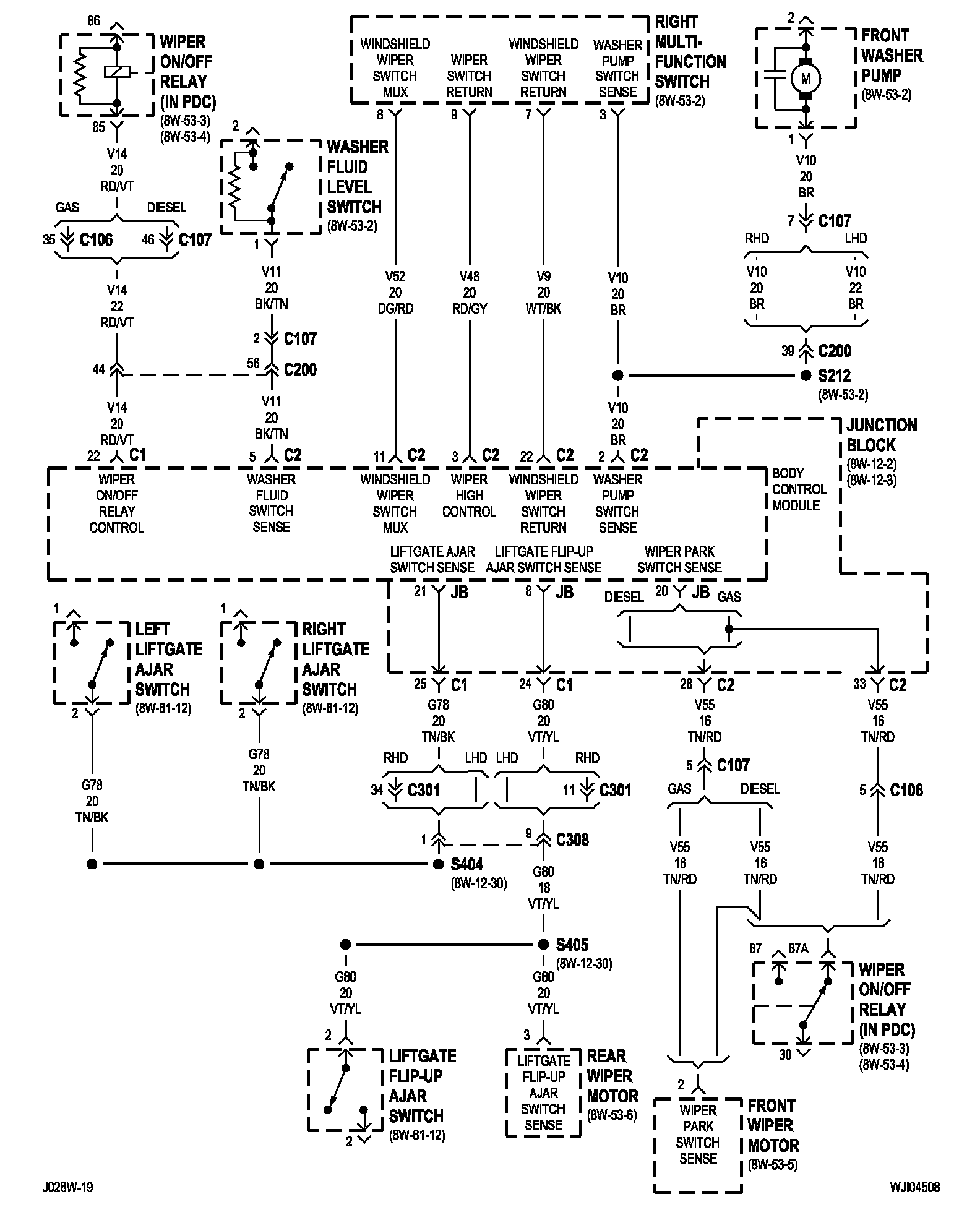
8w-45-7:
8w-45-8:
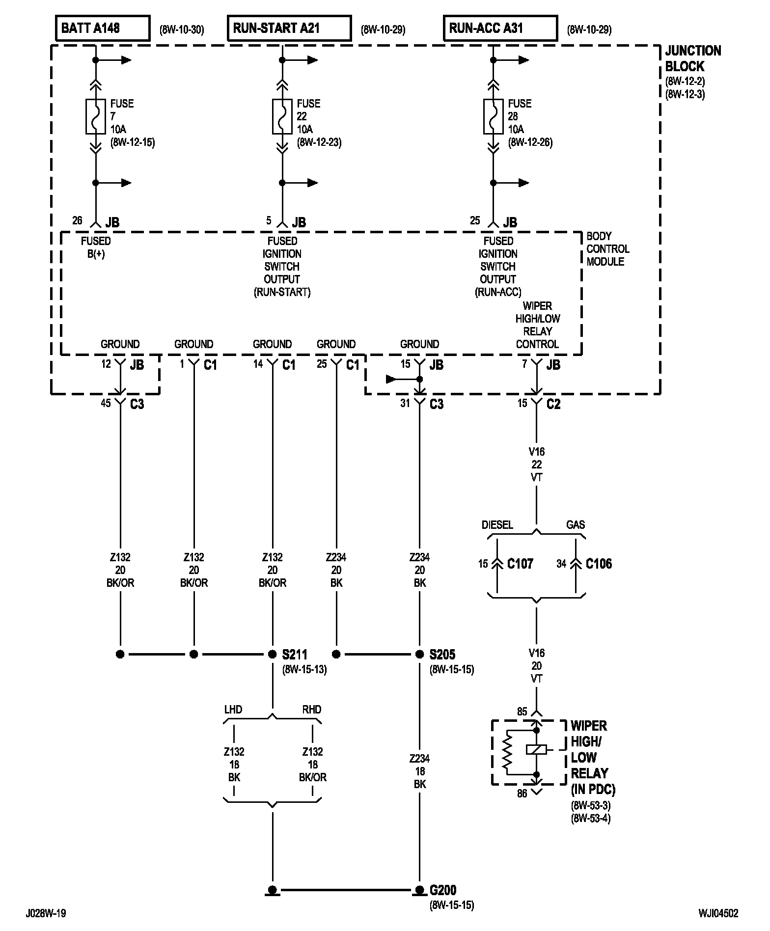
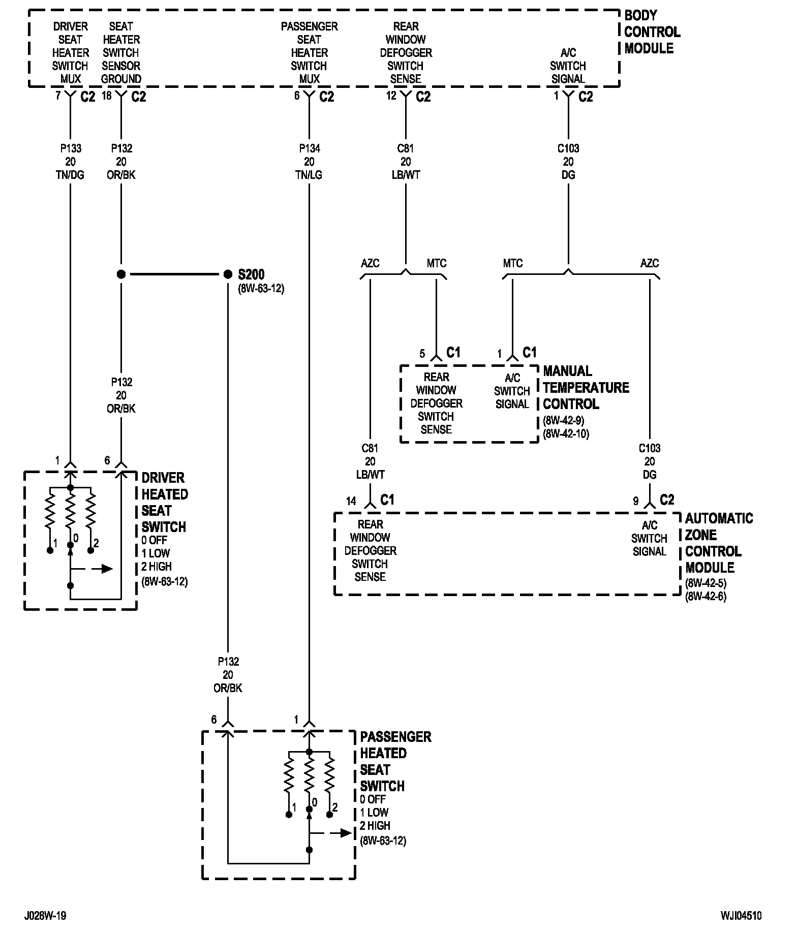
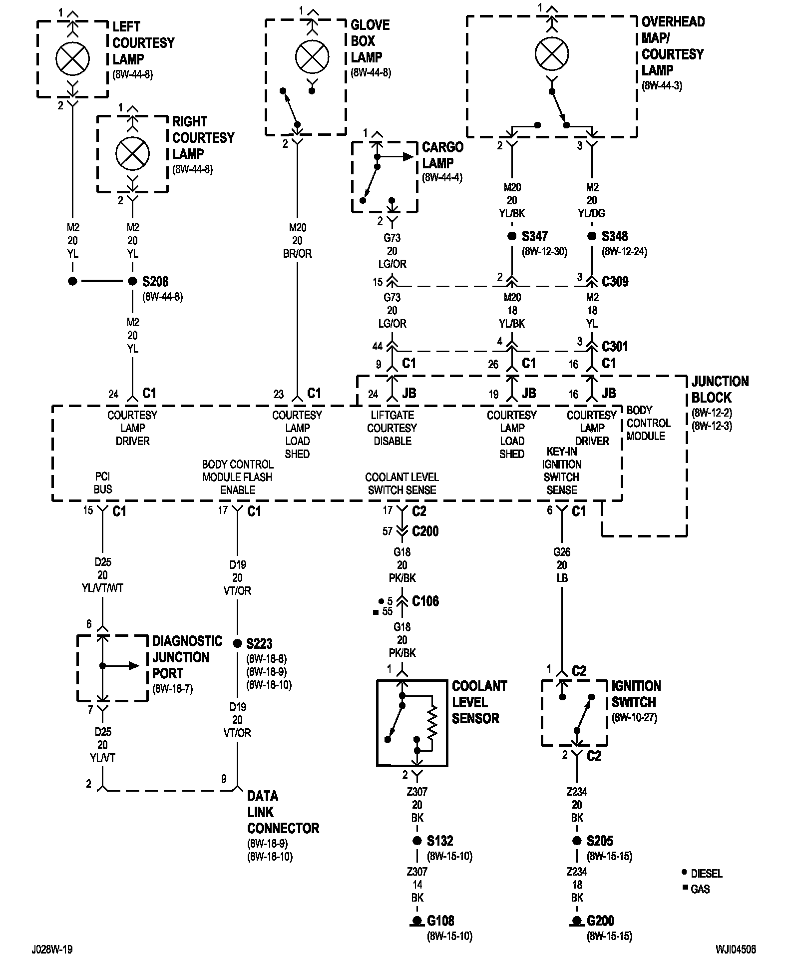
8w-45-9:
8w-45-10:
NOTE:
To view sheets referred to in these diagrams, see
Complete Body and Chassis Diagrams
.
Electrical Diagrams