Curiosii for ever!
: Car repair manuals for everyone.
Home
>>
Jeep Truck
>>
2001
>>
Wrangler L6-4.0L VIN S
>>
Repair and Diagnosis
>>
Powertrain Management
>>
Computers and Control Systems
>>
Relays and Modules - Computers and Control Systems
>>
Engine Control Module
>>
Diagrams
>>
Electrical Diagrams
>>
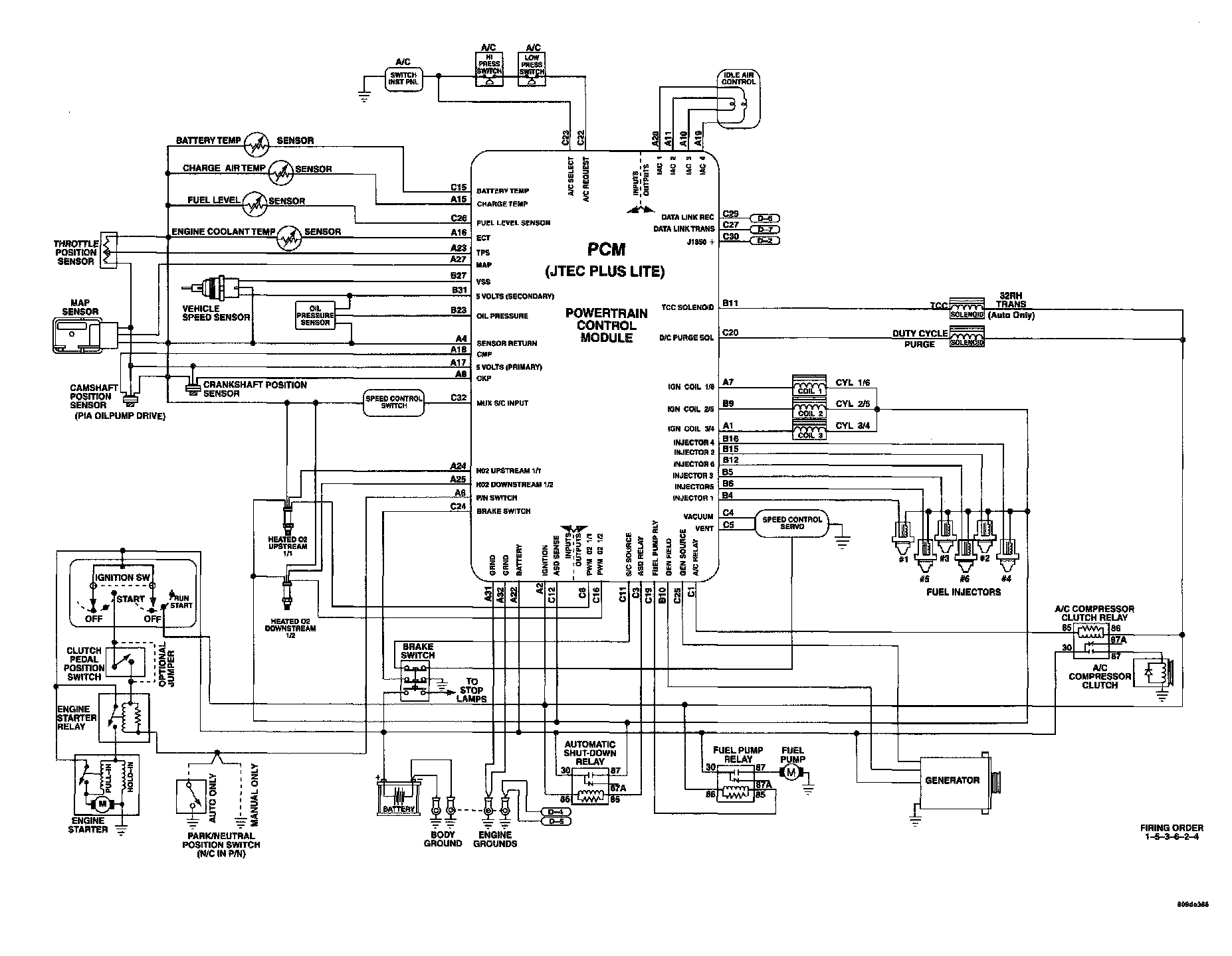
System Schematic
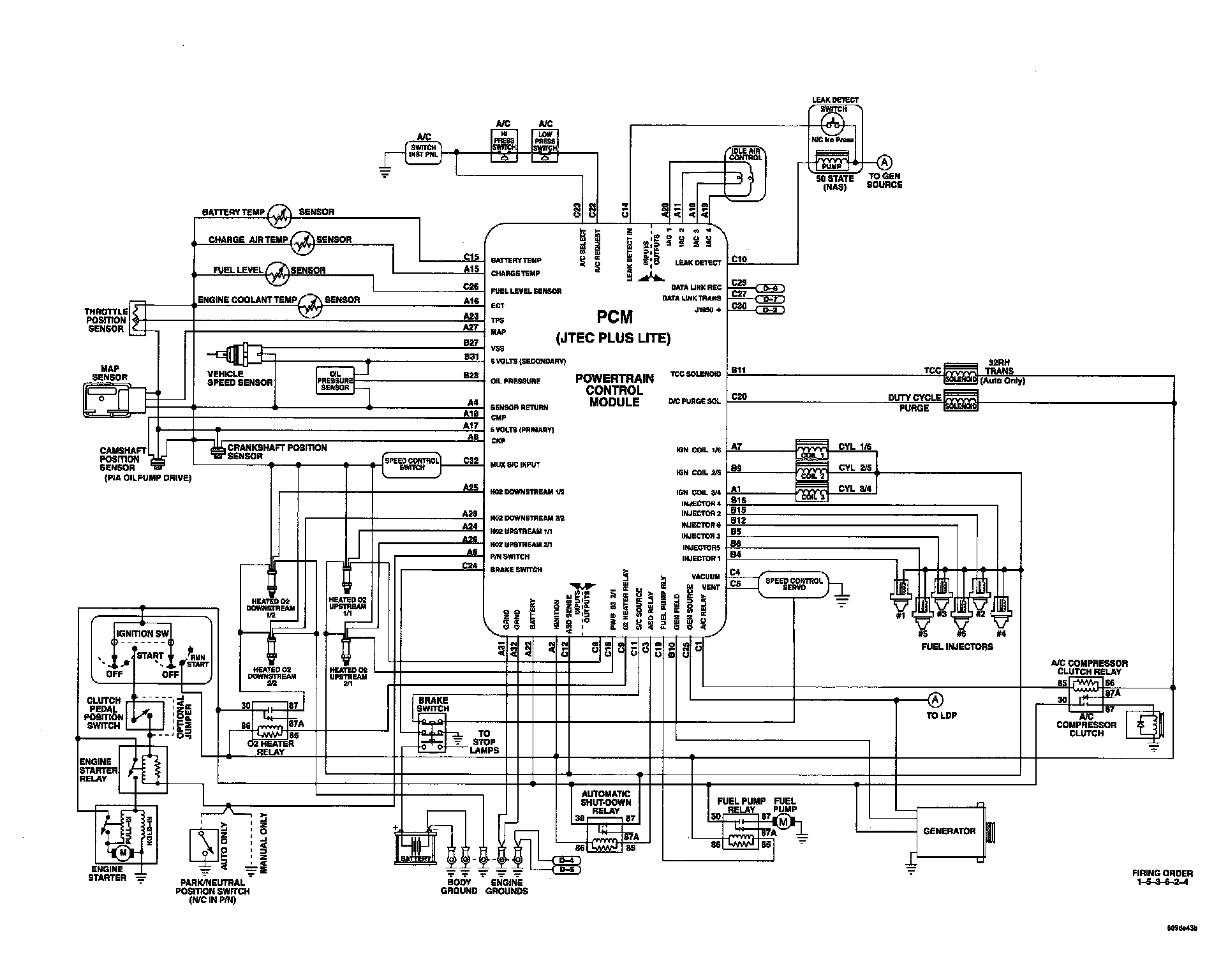
System Schematic
2001 Jeep TJ JTEC System:
2001 Jeep TJ JTEC System: