Curiosii for ever!: Car repair manuals for everyone.

Emission Control Systems: Description and Operation

EVAPORATION CONTROL SYSTEM
The evaporation control system prevents the emission of fuel tank vapors into the atmosphere. When fuel evaporates in the fuel tank, the vapors pass through vent hoses or tubes to a charcoal filled evaporative canister.The canister temporarily holds the vapors. The Powertrain Control Module (PCM) allows intake manifold vacuum to draw vapors into the combustion chambers during certain operating conditions.

All engines use a duty cycle purge system. The PCM controls vapor flow by operating the duty cycle EVAP purge solenoid. Refer to Duty Cycle EVAP Canister Purge Solenoid.

When equipped with certain emissions packages, a Leak Detection Pump (LDP)will be used as part of the evaporative system for OBD II requirements. Also refer to Leak Detection Pump.

NOTE: The evaporative system uses specially manufactured lines/hoses. If replacement becomes necessary, only use fuel resistant hose.

Rollover Valve Location:





ROLLOVER VALVE
The fuel tank is equipped with 2 rollover valves. The valves are located on the top of the fuel tank.

The rollover valves will prevent fuel flow through the fuel tank vent (EVAP) hoses in the event of an accidental vehicle rollover. The EVAP canister draws fuel vapors from the fuel tank through these valves. The valves are not serviceable. If replacement is necessary, the fuel tank must be replaced.

EVAP CANISTER

EVAP Canister, EVAP Canister Purge Solenoid And LDP Location:




The evaporative (EVAP) canister is located in the engine compartment on the left inner fender).

A maintenance free, EVAP canister is used on all vehicles. The EVAP canister is filled with granules of an activated carbon mixture. Fuel vapors entering the EVAP canister are absorbed by the charcoal granules.

Fuel tank pressure vents into the EVAP canister. Fuel vapors are temporarily held in the canister until they can be drawn into the intake manifold. The duty cycle EVAP canister purge solenoid allows the EVAP canister to be purged at predetermined times and at certain engine operating conditions.

DUTY CYCLE EVAP CANISTER PURGE SOLENOID
The duty cycle EVAP canister purge solenoid (DCP) regulates the rate of vapor flow from the EVAP canister to the intake manifold. The Powertrain Control Module (PCM) operates the solenoid.

During the cold start warm-up period and the hot start time delay,the PCM does not energize the solenoid. When de-energized, no vapors are purged. The PCM de-energizes the solenoid during open loop operation.

The engine enters closed loop operation after it reaches a specified temperature and the time delay ends. During closed loop operation, the PCM cycles (energizes and de-energizes) the solenoid 5 or 10 times per second, depending upon operating conditions. The PCM varies the vapor flow rate by changing solenoid pulse width. Pulse width is the amount of time that the solenoid is energized. The PCM adjusts solenoid pulse width based on engine operating condition.

LEAK DETECTION PUMP (LDP) OPERATION
The Leak Detection Pump (LDP) is used only with certain emission packages.

The LDP is a device used to detect a leak in the evaporative system.

The pump contains a 3 port solenoid, a pump that contains a switch, a spring loaded canister vent valve seal, 2 check valves and spring/diaphragm.

Immediately after a cold start, engine temperature between 40 °F - 86 °F, the 3 port solenoid is briefly energized. This initializes the pump by drawing air into the pump cavity and also closes the vent seal. During non-test test conditions, the vent seal is held open by the pump diaphragm assembly which pushes it open at the full travel position. The vent seal will remain closed while the pump is cycling. This is due to the operation of the 3 port solenoid which prevents the diaphragm assembly from reaching full travel. After the brief initialization period, the solenoid is de-energized, allowing atmospheric pressure to enter the pump cavity. This permits the spring to drive the diaphragm which forces air out of the pump cavity and into the vent system. When the solenoid is energized and de-energized, the cycle is repeated creating flow in typical diaphragm pump fashion. The pump is controlled in 2 modes:

PUMP MODE: The pump is cycled at a fixed rate to achieve a rapid pressure build in order to shorten the overall test time.

TEST MODE: The solenoid is energized with a fixed duration pulse. Subsequent fixed pulses occur when the diaphragm reaches the switch closure point.

The spring in the pump is set so that the system will achieve an equalized pressure of about 7.5 inches of water.
When the pump starts, the cycle rate is quite high. As the system becomes pressurized pump rate drops.

If there is no leak the pump will quit. If there is a leak, the test is terminated at the end of the test mode.

If there is no leak, the purge monitor is run. If the cycle rate increases due to the flow through the purge system, the test is passed and the diagnostic is complete.

The canister vent valve will unseal the system after completion of the test sequence as the pump diaphragm assembly moves to the full travel position.

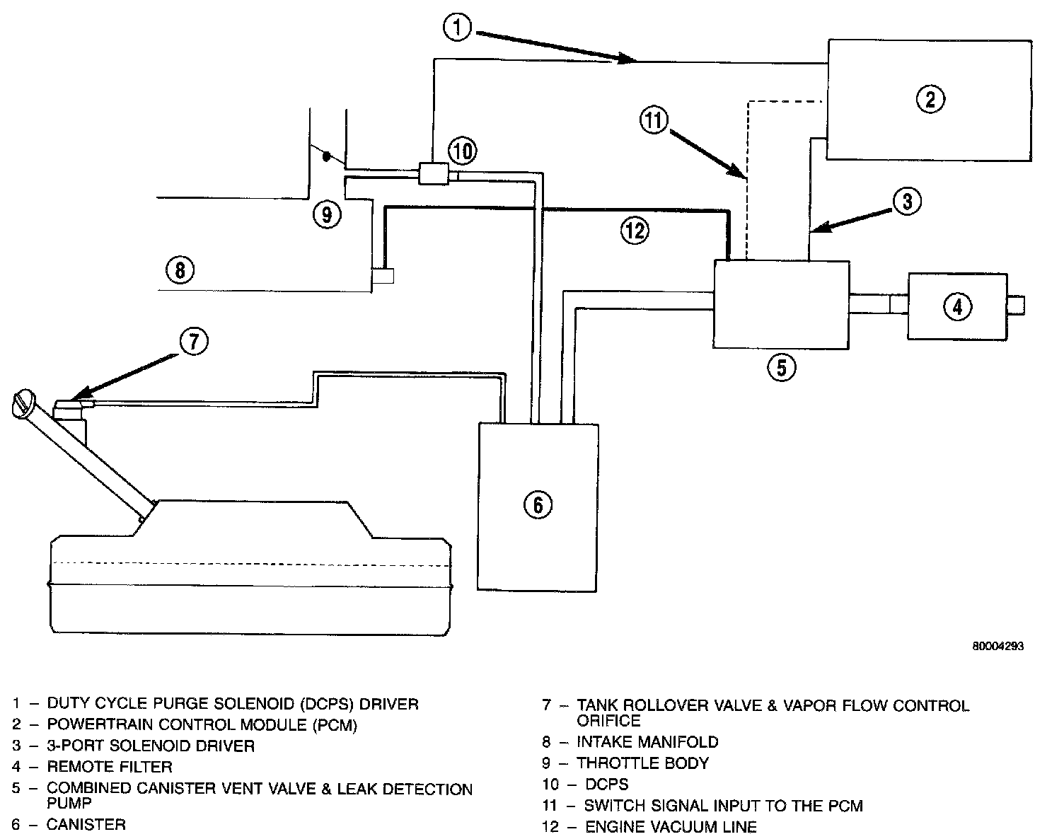
Evaporative System Monitor Schematic - Typical:




A typical system schematic is shown.

CRANKCASE VENTILATION SYSTEM

CCV System:




All engines are equipped with a Closed Crankcase Ventilation (CCV) system.

The Closed Crankcase Ventilation (CCV) system performs the same function as a conventional PCV system, but does not use a vacuum controlled valve.

On this engines, a fitting on drivers side of cylinder head (valve) cover contains the metered orifice. It is connected to manifold vacuum.

A fresh air supply CCV tube (hose) from the air cleaner is connected to rear of cover on these engines.

When the engine is operating, fresh air enters the engine and mixes with crankcase vapors. Manifold vacuum draws the vapor/air mixture through the fixed orifice and into the intake manifold. The vapors are then consumed during combustion.

VEHICLE EMISSION CONTROL INFORMATION (VECI) LABEL

VECI Label Location:




All vehicles are equipped with a combined VECI label. This label is located in the engine compartment.

The VECI label contains the following:
- Engine family and displacement
- Evaporative family
- Emission control system schematic
- Certification application
- Engine timing specifications (if adjustable)
- Idle speeds (if adjustable)
- Spark plug and gap

The label also contains an engine vacuum schematic. There are unique labels for vehicles built for sale in the state of California and the country of Canada. Canadian labels are written in both the English and French languages. These labels are permanently attached and cannot be removed without defacing information and destroying label.