Curiosii for ever!: Car repair manuals for everyone.

Power Distribution Center Disassembly

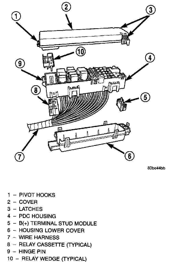
Power Distribution Center Components - Typical:




The Power Distribution Center (PDC) cover, the PDC housing lower cover, the PDC relay wedges, the PDC relay cassettes and the PDC B(+) terminal stud module are available for service replacement. The PDC cover can be simply unlatched and removed from the PDC housing without the PDC being removed or disassembled. Service of the remaining PDC components requires that the PDC be removed from its mounting and disassembled.

PDC Housing Lower Cover
1. Disconnect and isolate the battery negative cable.
2. Unlatch and remove the cover from the PDC.
3. Unlatch and remove the B(+) terminal stud cover from the PDC.
4. Remove the two nuts that secure the eyelet terminal to the two B(+) terminal studs of the PDC.
5. Remove the eyelet terminal from the PDC B(+) terminal studs.
6. Disengage the latches on the PDC mounts from the tabs on the PDC bracket stanchions, and pull the PDC housing upward to disengage the mounts from the stanchions of the bracket.

PDC Housing Lower Cover Remove/Install - Typical:




7. Using a trim stick or another suitable wide flat-bladed tool, gently pry the latches on each side and one end of the PDC housing that secure the housing lower cover to the PDC and remove the housing lower cover.

PDC B(+) Terminal Module
1. Remove the PDC housing lower cover.

PDC B(+) Terminal Module Latches:




2. From the top of the PDC housing, use a small screwdriver or a terminal pick tool (Special Tool Kit 6680) to release the two latches that secure the B(+) terminal module in the PDC.
3. Gently and evenly press the two B(+) terminal studs down through the bus bar in the PDC.

PDC B(+) Terminal Module Remove/Install:




4. From the bottom of the PDC housing, remove the B(+) terminal module from the PDC.

PDC Relay Wedge
1. Remove the PDC housing lower cover.
2. Remove each of the relays from the PDC relay wedge to be removed.
3. From the bottom of the PDC housing, use a small screwdriver or a terminal pick tool (Special Tool Kit 6680) to release the two latches (yellow) that secure the relay wedge to the PDC relay cassette.

PDC Relay Wedge Remove/Install - Typical:




4. From the top of the PDC housing, remove the relay wedge from the PDC relay cassette.

PDC Relay Cassette
1. Remove the relay wedge from the PDC relay cassette to be removed.

NOTE: It may be necessary to remove relay cassettes that are not being serviced from the PDC housing in order to obtain sufficient clearance to service the faulty relay cassette. The same service procedure is repeated as necessary to remove each of the interfering relay wedges and relay cassettes from the PDC housing.

PDC Relay Cassette Latches - Typical:




2. From the top of the PDC housing, use a small screwdriver or a terminal pick tool (Special Tool Kit 6680) to release the two latches that secure the relay cassette in the PDC.
3. Gently and evenly press the relay cassette down through the PDC housing.

PDC Relay Cassette Remove/Install - Typical:




4. From the bottom of the PDC housing, remove the relay cassette from the PDC.

CAUTION: Do not remove the wiring and terminals from the terminal cavities of the faulty PDC relay cassette at this time. Refer to the Assembly procedure that follows for the proper procedures for transferring the wiring and terminals to the replacement PDC relay cassette.