Curiosii for ever!: Car repair manuals for everyone.

Cruise Control Servo Cable: Service and Repair

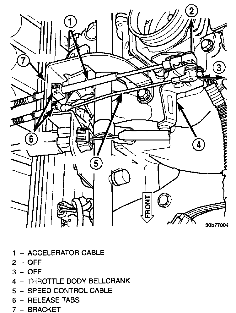
REMOVAL
1. Disconnect negative battery cable at battery.

Speed Control Servo Cable at Throttle Body:




2. Using finger pressure only, remove cable connector by pushing connector off the throttle body bellcrank pin. DO NOT try to pull cable connector off perpendicular to the bellcrank pin. Connector will be broken.
3. Two release tabs are located on sides of speed control cable at cable bracket. Squeeze tabs together and push cable out of bracket.
4. Unclip cable from cable guide at valve cover.
5. Disconnect servo cable at servo.

INSTALLATION
1. Attach end of cable to speed control servo.
2. Install cable into cable bracket (snaps in).
3. Install cable connector at throttle body bellcrank pin (snaps on).
4. Clip cable to cable guide at valve cover.
5. Connect negative battery cable to battery.
6. Before starting engine, operate accelerator pedal to check for any binding.