Curiosii for ever!
: Car repair manuals for everyone.
Home
>>
Jeep Truck
>>
2000
>>
Grand Cherokee 2WD L6-4.0L VIN S
>>
Repair and Diagnosis
>>
Diagrams
>>
Electrical Diagrams
>>
Powertrain Management
>>
Computers and Control Systems
>>
Engine Control Module
>>
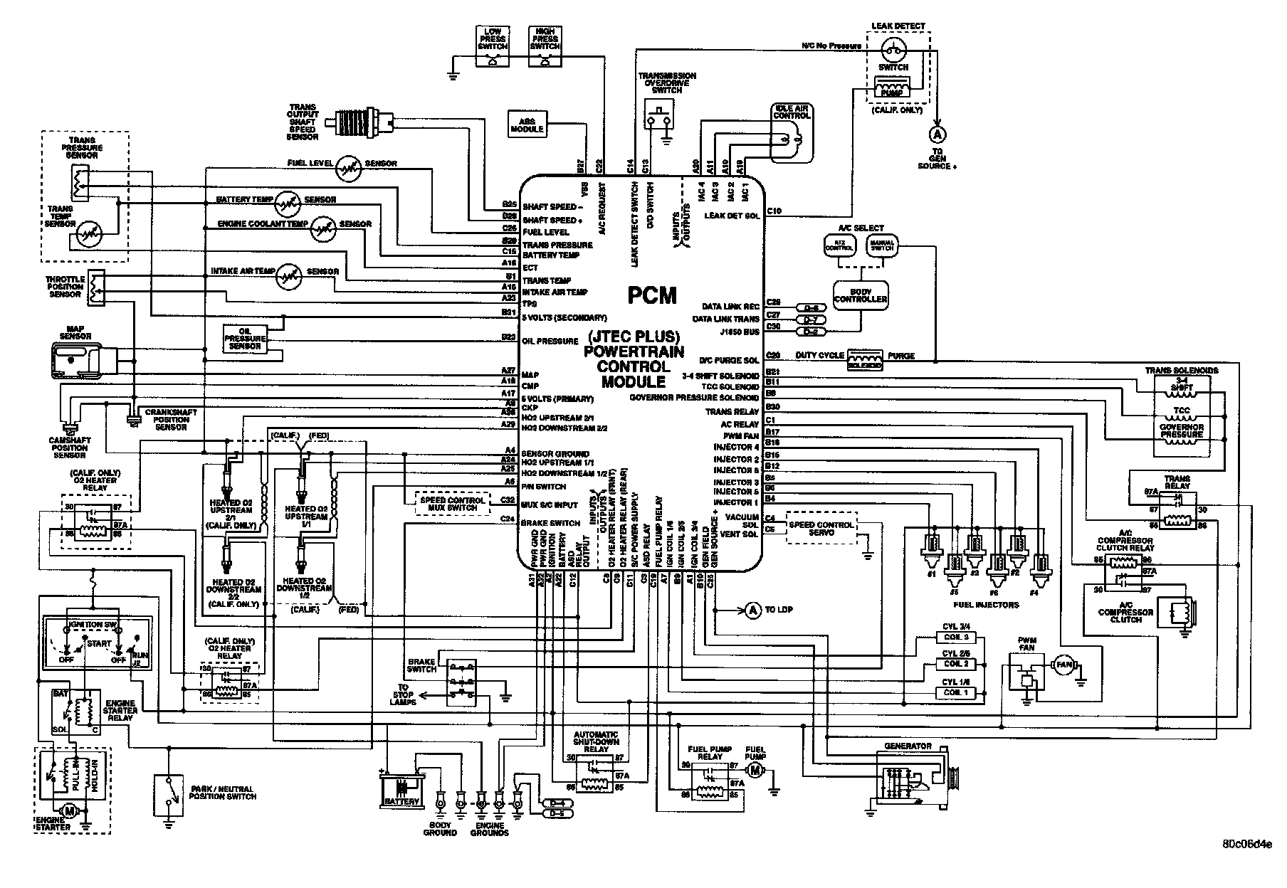
System Schematic
System Schematic
2000 JEEP WJ JTEC SYSTEM: