Curiosii for ever!: Car repair manuals for everyone.

Body Control Module

8w-45-2:




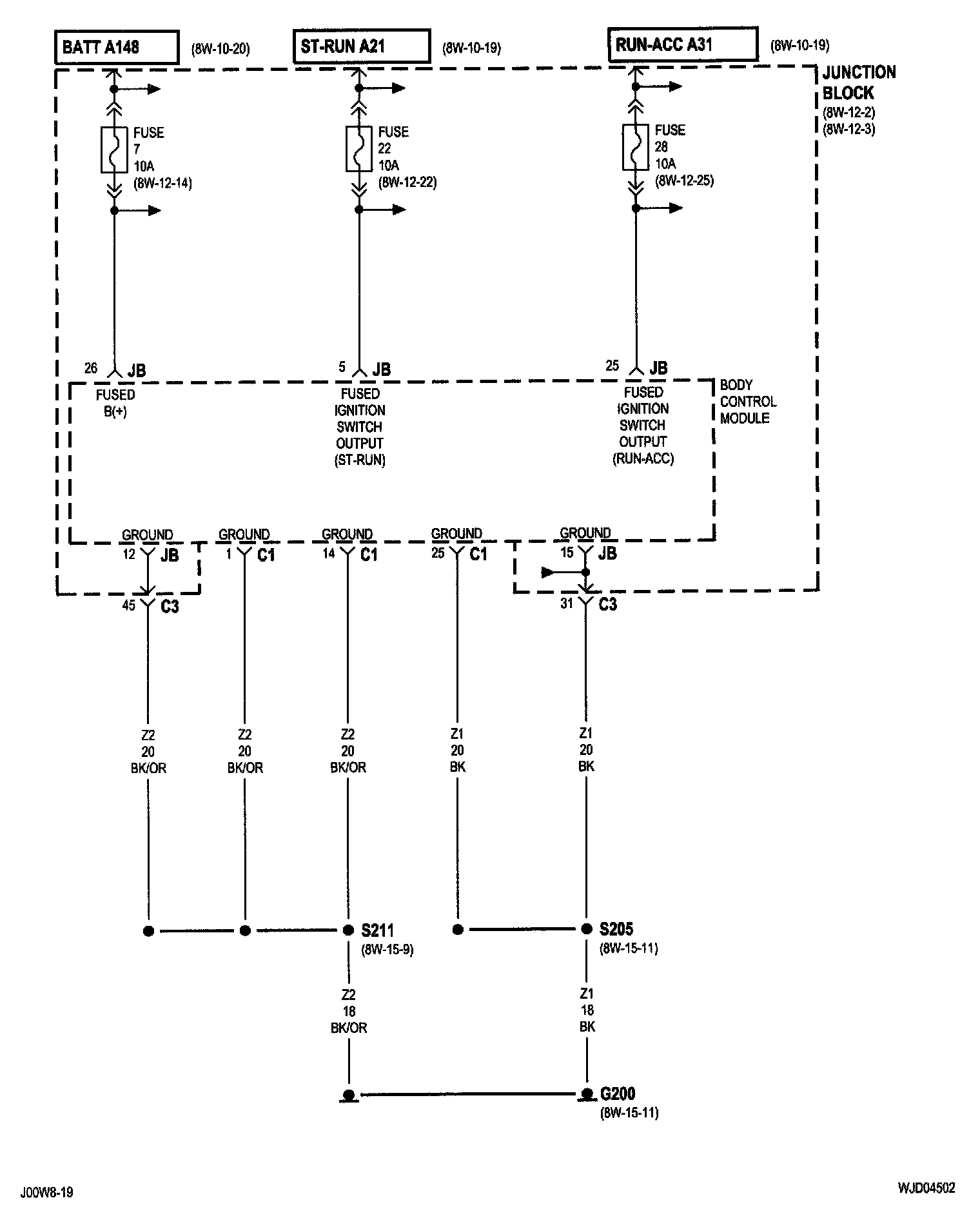
Body Control Module:





Body Control Module
Fuse 7 (JB)
Fuse 22 (JB)
Fuse 28 (JB)
G200
Junction Block


8w-45-3:




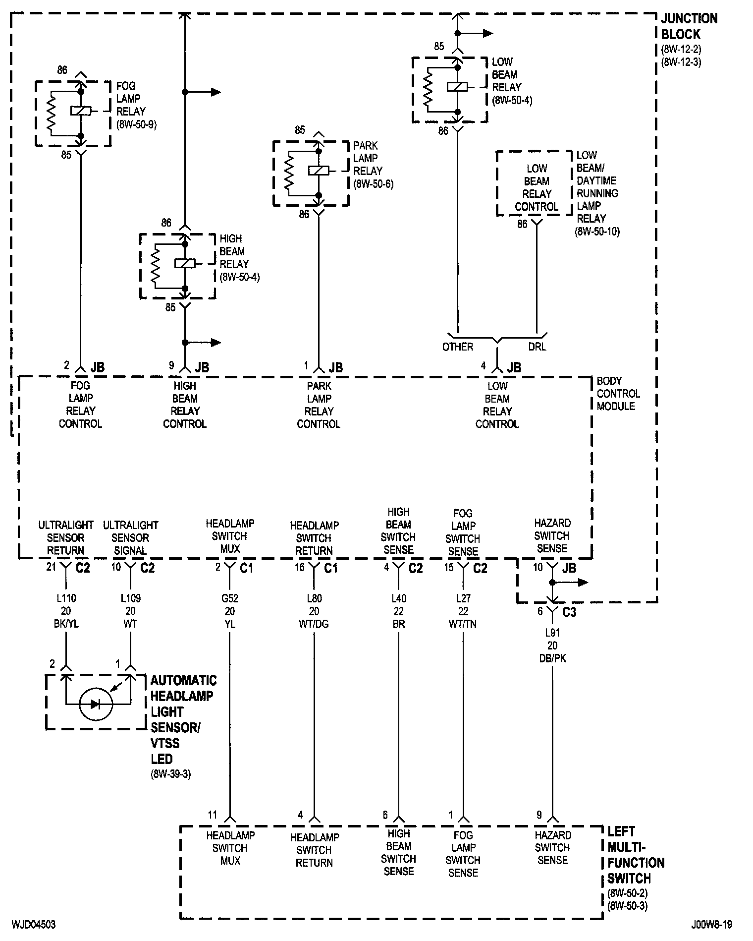
Sensor/VTSS LED
Body Control Module
Fog Lamp Relay
High Beam Relay
Junction Block
Left Multi- Function Switch
Low Beam Relay
Low Beam/Daytime Running Lamp Relay
Park Lamp Relay


8w-45-4:




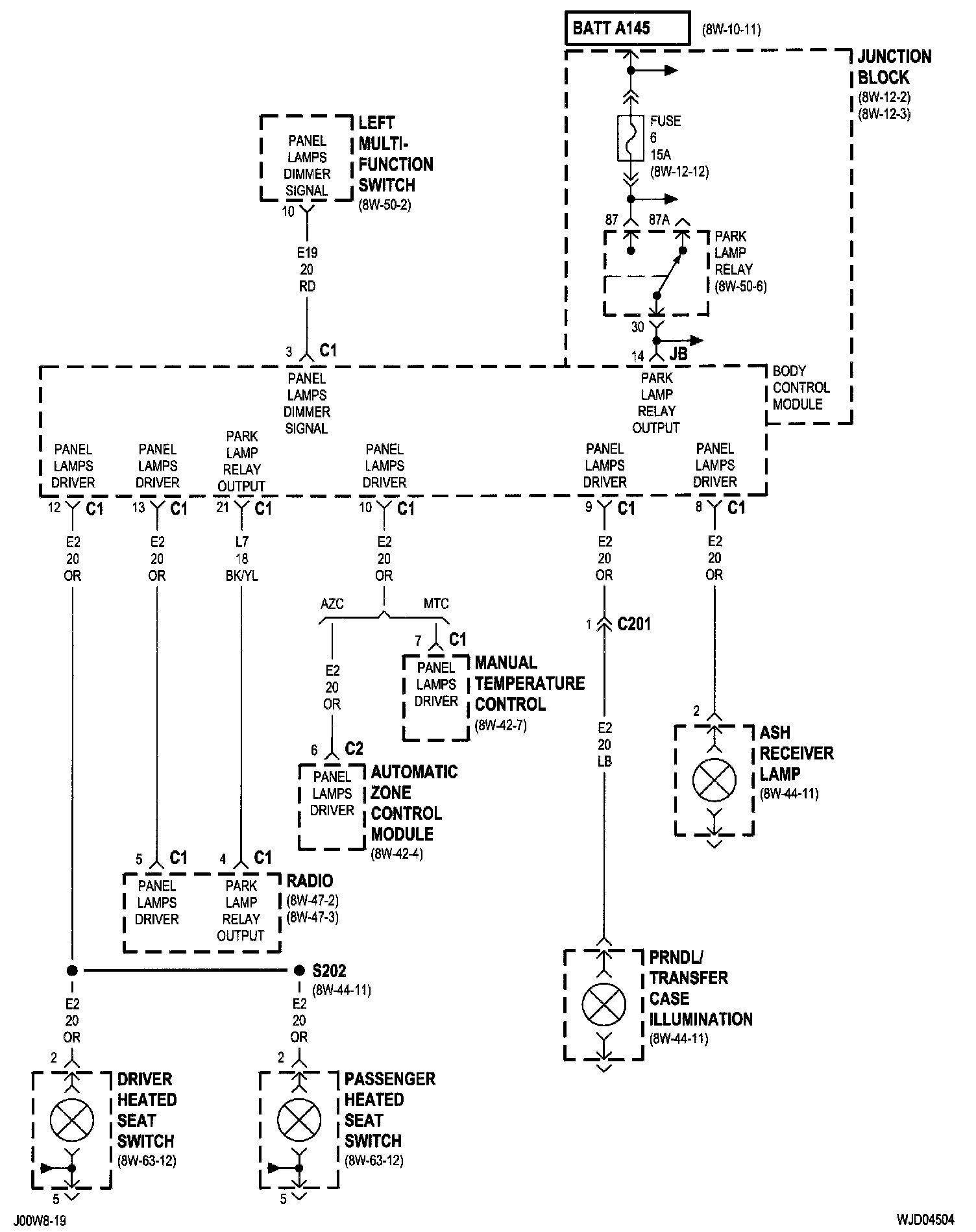
Ash Receiver Lamp
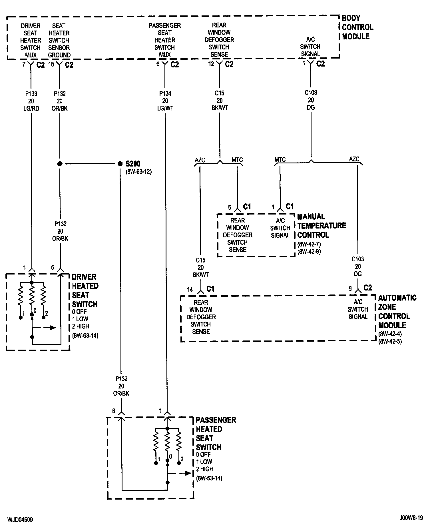
Automatic Zone Control Module
Body Control Module
Driver Heated Seat Switch
Fuse 6 (JB)
Junction Block
Left Multi- Function Switch
Manual Temperature Control
Park Lamp Relay
Passenger Heated Seat Switch
PRNDL/Transfer Case Illumination
Radio


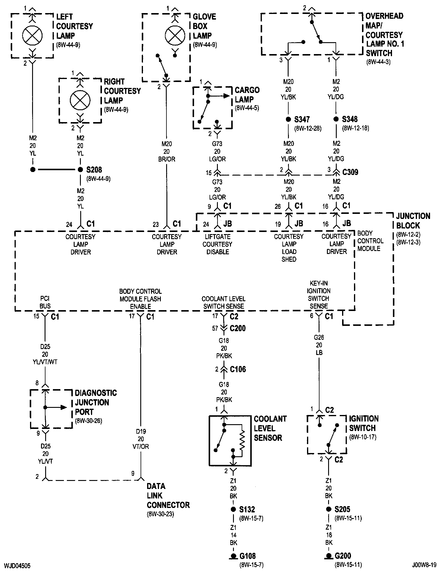
8w-45-5:




Body Control Module
Cargo Lamp
Coolant Level Sensor
Data Link Connector
Diagnostic Junction Port
G108
G200
Glove Box Lamp
Ignition Switch
Junction Block
Left Courtesy Lamp
Lamp No.1 Switch
Right Courtesy Lamp


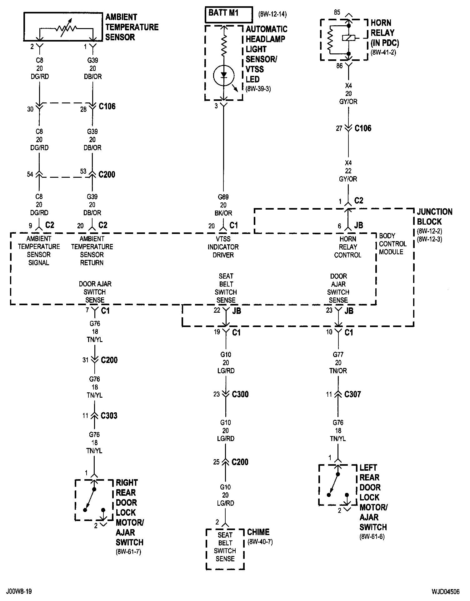
8w-45-6:




Ambient Temperature Sensor
Sensor/VTSS LED
Body Control Module
Chime
Horn Relay
Junction Block
Left Rear Door Lock Motor/Ajar Switch
Right Rear Door Lock Motor/Ajar Switch


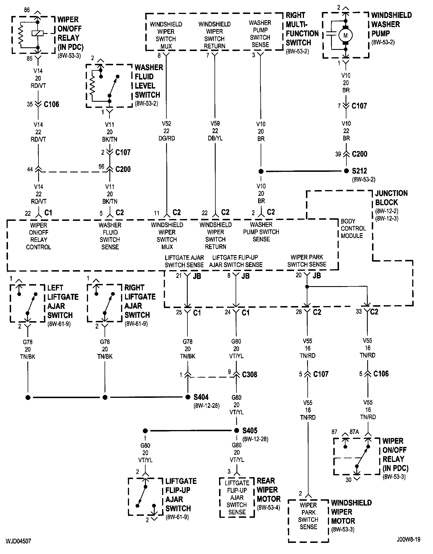
8w-45-7:




Body Control Module
Junction Block
Left Liftgate Ajar Switch
Liftgate Flip-Up Ajar Switch
Rear Wiper Motor
Right Liftgate Ajar Switch
Right Multi- Function Switch
Washer Fluid Level Switch
Windshield Washer Pump
Windshield Wiper Motor
Wiper On/Off Relay


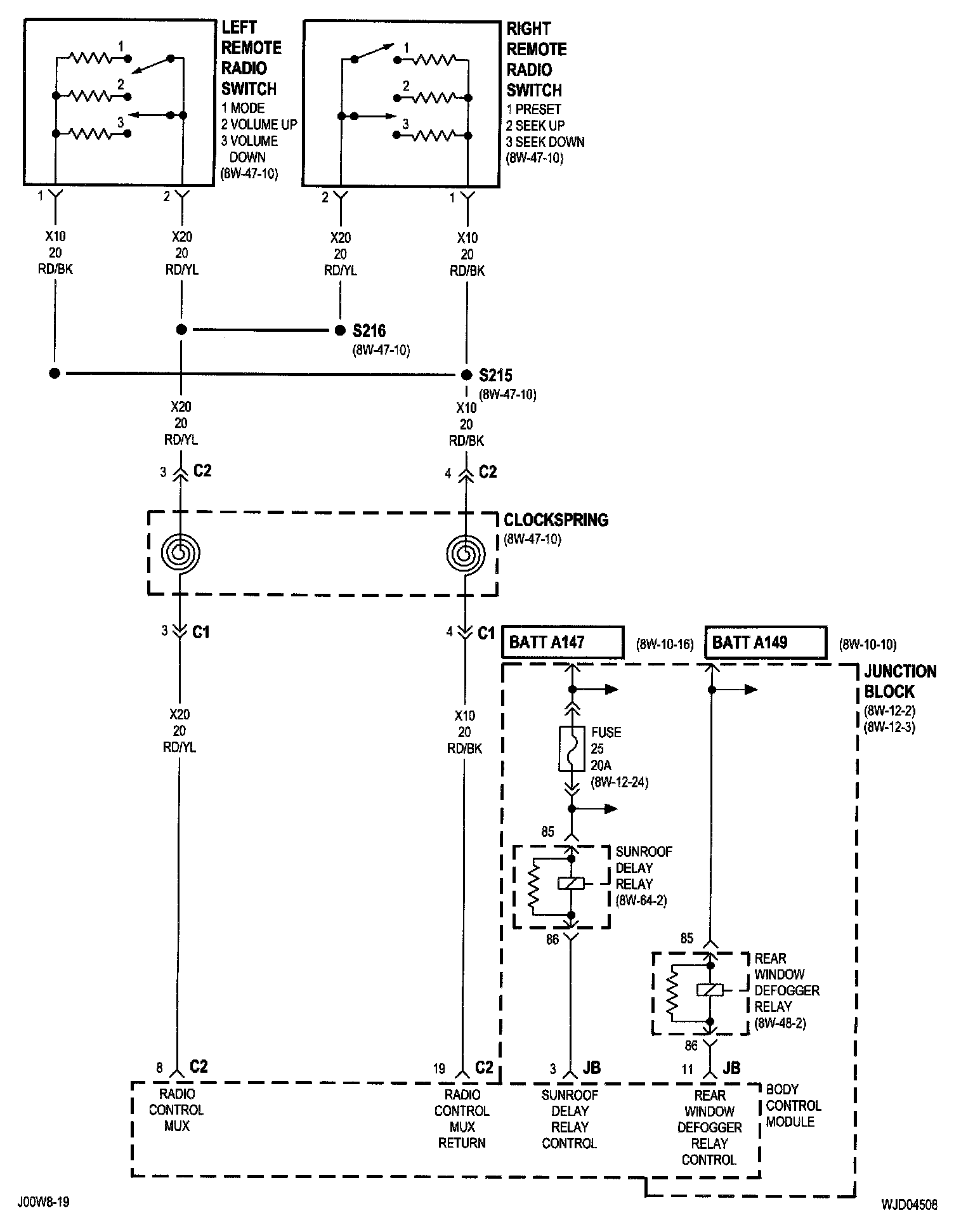
8w-45-8:




Body Control Module
Clockspring
Fuse 25 (JB)
Junction Block
Left Remote Radio Switch
Rear Window Defogger Relay
Right Remote Radio Switch
Sunroof Delay Relay


8w-45-9:




Automatic Zone Control Module
Body Control Module
Driver Heated Seat Switch
Manual Temperature Control
Passenger Heated Seat Switch


NOTE: To view sheets referred to in these diagrams, see Complete Body and Chassis Diagrams.
Electrical Diagrams