Curiosii for ever!: Car repair manuals for everyone.

Alternator: Service and Repair

REMOVAL

WARNING: DISCONNECT NEGATIVE CABLE FROM BATTERY BEFORE REMOVING BATTERY OUTPUT WERE (B+ WIRE) FROM GENERATOR. FAILURE TO DO S0 CAN RESULT IN INJURY OR DAMAGE TO ELECTRICAL SYSTEM.

1. Disconnect negative battery cable at battery.
2. Remove generator drive belt.

Remove/Install Generator:




Remove/Install Generator:




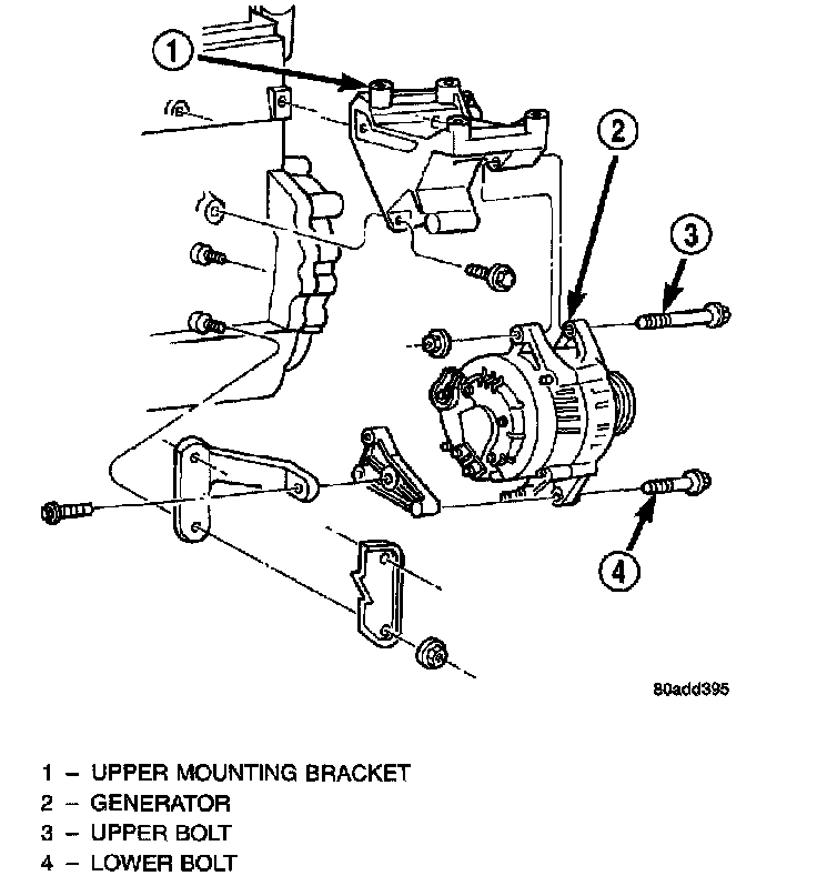
3. Left Hand Drive (LHD) Vehicles Only: Remove generator pivot and mounting bolts/nut. Position generator for access to wire connectors.

Remove/Install Generator:




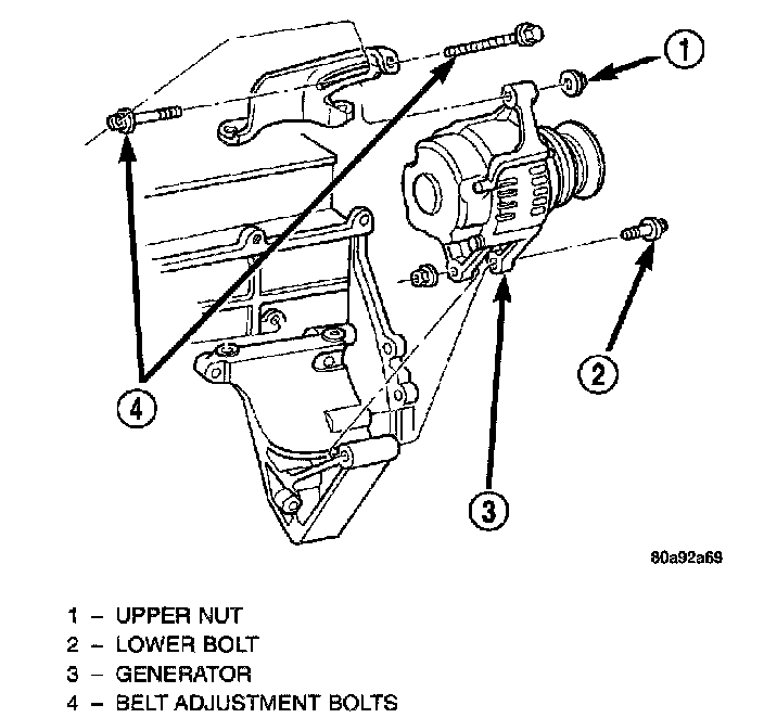
4. Right Hand Drive (RHD) Vehicles Only:Remove upper nut (generator adjustment nut) and both belt adjustment bolts. Remove generator lower nut/bolt. Position generator for access to wire connectors.
5. If equipped, unsnap plastic cover from B+ terminal.

Generator Connectors-Typical Denso:




6. Remove B+ terminal mounting nut at rear of generator.Disconnect terminal from generator.
7. Disconnect field wire connector at rear of generator by pushing on connector tab.
8. Remove generator from vehicle.

INSTALLATION
1. Position generator to engine and snap field wire connector into rear of generator.
2. Install B+ terminal to generator mounting stud. Tighten mounting nut to 8.5 Nm (75 in. lbs.) torque.
3. If equipped, snap plastic cover to B+ terminal.
4. LHD Vehicles: Install generator fasteners and tighten as follows:
- Generator upper mounting bolt-55 Nm (41 ft. lbs.) torque.
- Generator lower pivot bolt/nut-55 Nm (41 ft. lbs.) torque.

CAUTION:
- Never force a belt over a pulley rim using a screwdriver. The synthetic fiber of the belt can be damaged.
- When installing a serpentine accessory drive belt, the belt MUST be routed correctly. The water pump will be rotating in the wrong direction if the belt is installed incorrectly, causing the engine to overheat. Refer to belt routing label in engine compartment.

5. LHD Vehicles: Install generator drive belt.
6. RHD Vehicles: Install upper nut (generator adjustment nut) and both belt adjustment bolts. Install generator lower nut/bolt.
7. RHD Vehicles: On vehicles equipped with RHD, the generator is used to adjust the serpentine belt.
8. Install negative battery cable to battery.