Curiosii for ever!: Car repair manuals for everyone.

Control Assembly: Service and Repair

WARNING: ON VEHICLES EQUIPPED WITH AIRBAGS, REFER TO AIRBAGS AND SEAT BELTS/AIRBAGS BEFORE ATTEMPTING ANY STEERING WHEEL, STEERING COLUMN, OR INSTRUMENT PANEL COMPONENT DIAGNOSIS OR SERVICE. FAILURE TO TAKE THE PROPER PRECAUTIONS COULD RESULT IN ACCIDENTAL AIRBAG DEPLOYMENT AND POSSIBLE PERSONAL INJURY.

REMOVAL
1. Disconnect and isolate the battery negative cable.
2. Roll down the glove box from the instrument panel. Refer to Glove Box for the procedures.
3. Reach through the instrument panel glove box opening to access and unplug the two halves of the heater-A/C vacuum harness connector.
4. Remove the center bezel from the instrument panel. Refer to Instrument Panel Center Bezel in Instrument Panel Systems for the procedures.
5. Release the vacuum harness push-in retainer from the instrument panel directly beneath the heater-A/C control.

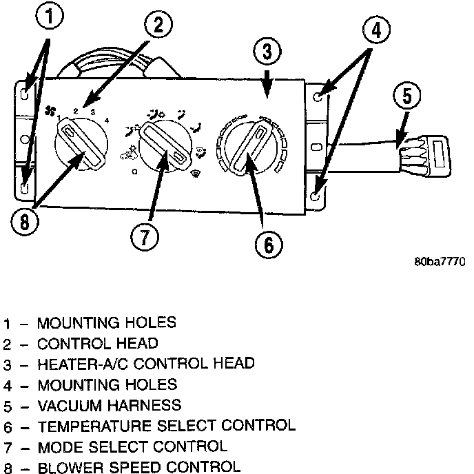
Heater A/C Control Remove/Install:




6. Remove the four screws that secure the heater- A/C control to the instrument panel.
7. Pull the heater-A/C control assembly away from the instrument panel far enough to access the connections on the back of the control.

Heater-A/C Control Connections:




8. Unplug the wire harness connectors from the back of the heater-A/C control.
9. Reach through the instrument panel glove box opening to guide the heater-A/C control half of the vacuum harness around any obstacles while pulling the heater-A/C control out from the front of the instrument panel.

INSTALLATION
1. Plug the wire harness connectors into the back of the heater-A/C control.
2. Route the vacuum harness through the instrument panel opening and reinstall the vacuum harness push-in retainer.
3. Reach through the instrument panel glove box opening to reconnect the two halves of the heater-A/C vacuum harness connector.
4. Roll the glove box back up into the instrument panel. Refer to Glove Box for the procedures.
5. Position the heater-A/C control in the instrument panel and secure it with four screws. Tighten the screws to 2.2 Nm (20 in. lbs.).
6. Reinstall the center bezel onto the instrument panel. Refer to Instrument Panel Center Bezel in Instrument Panel Systems for the procedures.
7. Connect the battery negative cable.