Curiosii for ever!: Car repair manuals for everyone.

Engine Controls/Fuel/Ignition Systems - Revisions

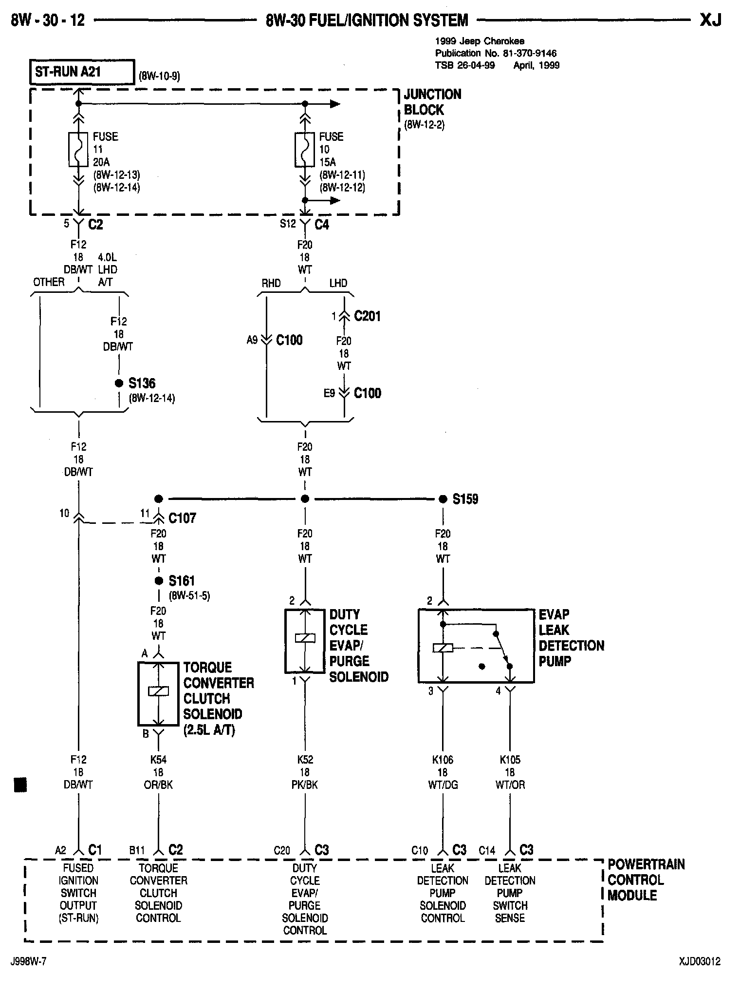
NUMBER: 26-04-99D

GROUP: Miscellaneous

DATE: April, 1999

REVISIONS ARE HIGHLIGHTED WITH BLACK BARS IN THE MARGIN

Models:
1999 Cherokee Service Manual - Publication Number 81-370-9146

DESCRIPTION OF CHANGES

Revision to the Fuel and Ignition system wiring schematic





8W-30-12

Revision to the Powertrain Control Module connector pin-out





8W-80-62