Curiosii for ever!: Car repair manuals for everyone.

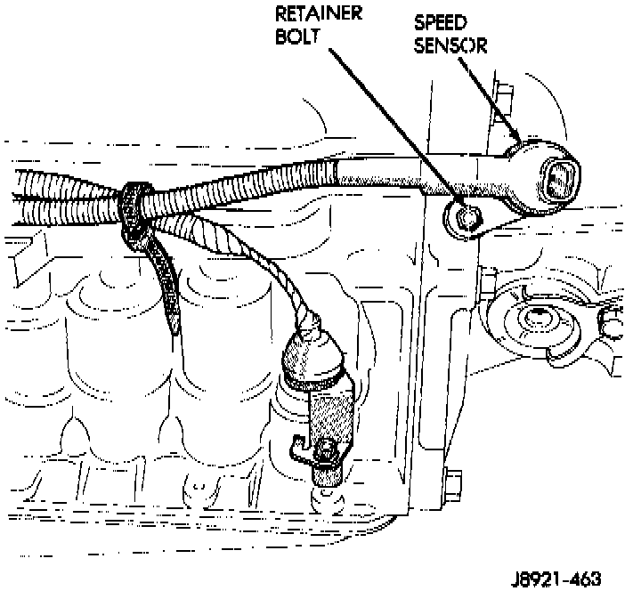
Speed Sensor

REMOVAL
1. Disconnect sensor wire harness connector.

Transmission Speed Sensor Removal/Installation:





2. Remove sensor retainer bolt and remove sensor.
3. Remove and discard speed sensor O-ring.

INSTALLATION
1. Install new O-ring on speed sensor and install sensor in transmission case.
2. Install sensor bracket and retainer bolt. Tighten bolt to 7.4 Nm (65 inch lbs.) torque.
3. Connect sensor wire harness connector.