Curiosii for ever!: Car repair manuals for everyone.

Diagnostic Notes: Checking the Basics

NOTE: The operation of the C-4 system should be include in the diagnosis of vehicles which exhibit the following symptoms:

1. Detonation.
2. Stalling or rough idle, hot or cold.
3. Missing.
4. Hesitation.
5. Engine surges.
6. Poor fuel economy.
7. Hard starting, hot or cold.
8. Objectionable exhaust odor.
9. Engine cuts out. The definition of cuts out is that the engine exhibits a significant loss of power at sharp or irregular intervals. This may occur repeatedly or intermittently and is usually worse under heavy acceleration. If the engine cuts out, the following steps should be followed before any other diagnosis:
a. Thoroughly check the ignition system. This includes checking the distributor, spark plug wires and spark plugs.
b. Check the fuel pump. Check fuel hoses and lines for leaks, kinks or splits. Check strainer in fuel tank.
c. Check the carburetor. Remove air horn and check power piston(s) or main fuel piston or freeness. Check for dirt in metering jets and passages. Check metering rods. Check power valve(s) or main fuel valve. Check float level adjustment.

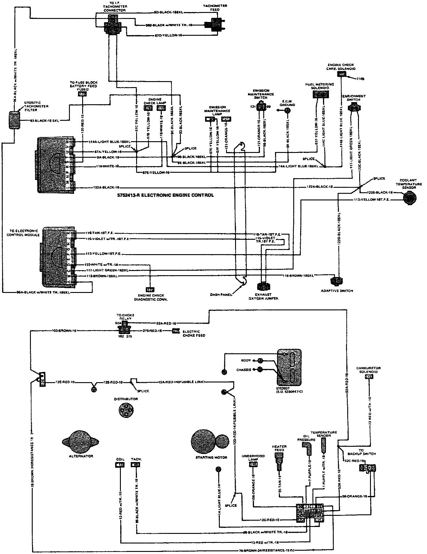
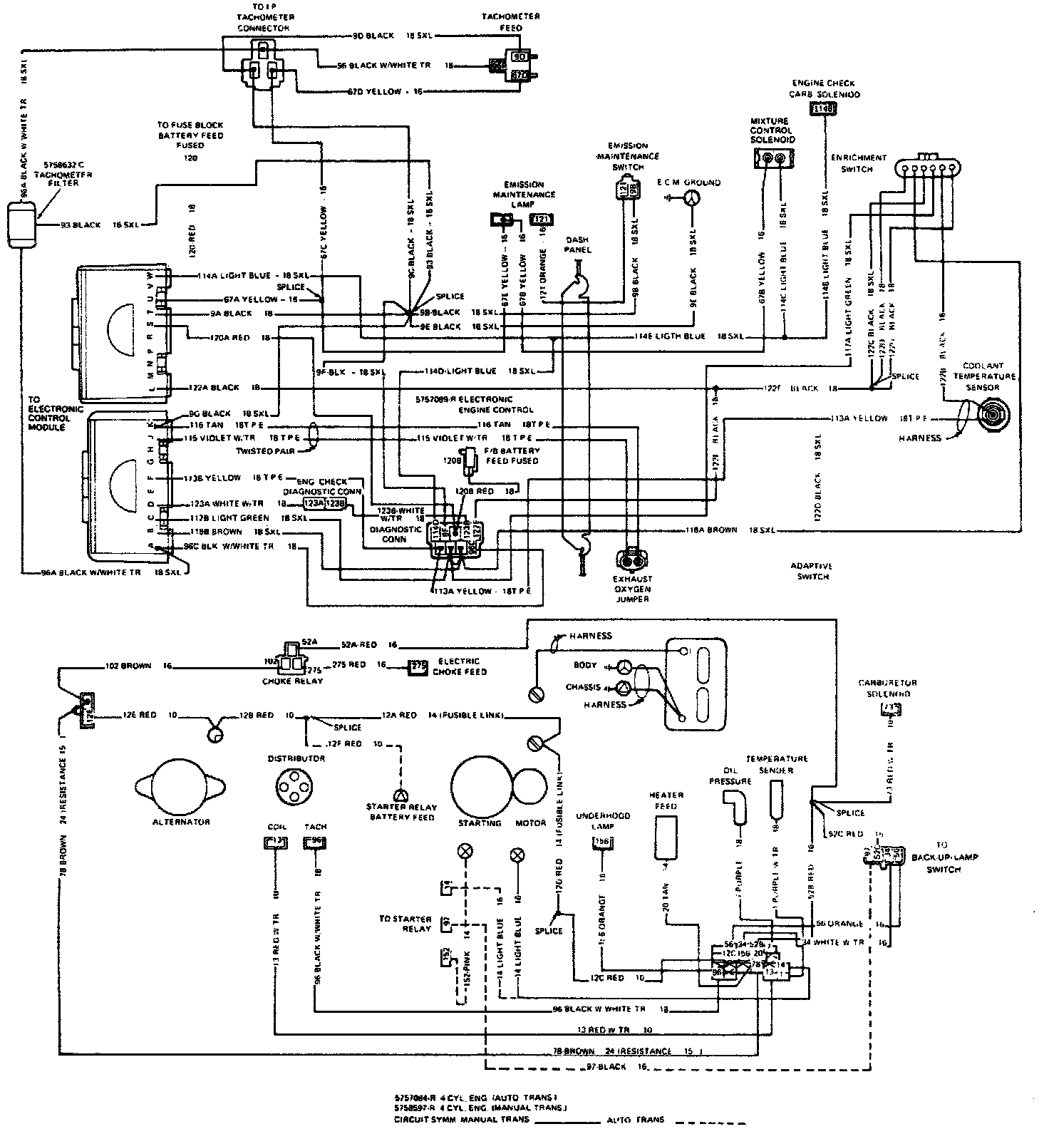
C4 System Wiring Diagram. 1980:




C4 System Wiring Diagram. 1981:




C4 System Wiring Diagram. 1982:







When performing diagnostic tests, refer to Figs. 2, 3 and 4 for wiring diagrams.

The C-4 system should be considered as a possible source of trouble on engine performance, fuel economy and exhaust emission problems. A built-in diagnostic system detects the problems which are most likely to occur.

The diagnostic system will illuminate a check carb. light in the instrument cluster if a fault exists. By grounding a test pigtail wire lead under the dash, the system will flash a trouble code if the system has detected a fault.

As a bulb and system check, the light will come on when the ignition is turned "On" with the engine stopped. It will also light and remain on a few seconds when the engine is started. If the pigtail wire lead is then grounded, the bulb will flash a "12 code" which indicates that the diagnostic system is operating. This "12 code" consists of one flash followed by a pause and then two more flashes. After a longer pause, the code will be repeated two more times. The cycle will repeat itself until the engine is started or the ignition turned off.

If the pigtail wire lead is grounded with the engine running and a fault has been detected by the system, the trouble code will flash three times. If more than one fault has been detected, its code will be flashed three times after the first code set. The series will then repeat itself.

A trouble code indicates a problem with a given circuit. For example, a code 14 indicates a problem in the coolant sensor circuit. This includes the coolant sensor, harness and ECM.

Since the self diagnostics do not include all possible faults, the absence of a code does not mean that a problem does not exist. To determine this, a system performance check is necessary. It is performed when the "check carb" display does not indicate a problem, but the C-4 system is suspected because no other reason can be found for the complaint. A dwell meter, test light, digital volt-ohmmeter, vacuum gauge, tachometer and jumper wires are required to diagnose the system.


NOTE: Most dwell meters should be acceptable. However, if the dwell meter causes a change in engine operation when it is connected to the mixture control solenoid dwell lead, it should not be used. Also, a test light rather than a voltmeter should be used whenever instructed to do so.


The dwell meter set to the 6 cylinder position and connected to the lead from the mixture control (MC) solenoid in the carburetor is used to measure the output on the ECM. When the dwell meter is connected, do not allow the lead to touch ground. This includes hoses as they are conductive. On an engine that is normally operating, the dwell at both idle and part throttle will be between 10° and 50° and will vary.

The variation does not matter, only the fact that it does vary. The dwell variation indicates the system is operating in the closed loop operation, and the dwell is being varied by the signal sent to the ECM by the oxygen sensor. Under certain operating conditions such as wide open throttle (WOT) or a cold engine, the dwell will be a fixed value and the needle will be steady. This is the open loop operation, in which the sensor has no effect on dwell.

Normally diagnoses are performed with the engine warm, but when diagnosing problems which occur only during engine warm-up, the dwell should be checked with the engine cold.