Curiosii for ever!: Car repair manuals for everyone.

Electrical Diagrams



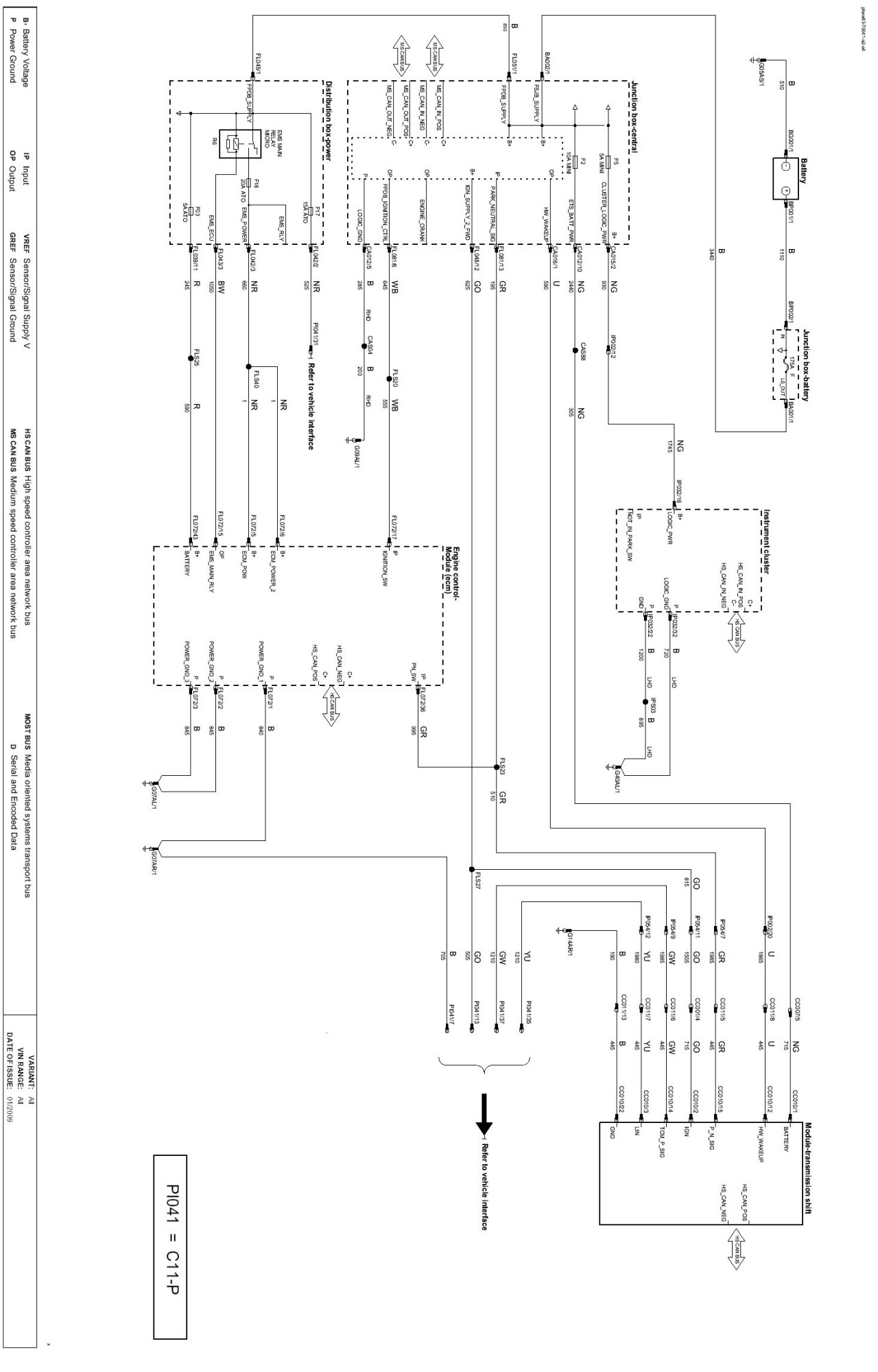
Transmission


Diagram Figure 05.1:






Diagrams: Other diagrams referred to by Fig. number (i.e. 01.1, 20.4, etc.) within these diagrams can be found at the vehicle level under Diagrams by Figure Number. Diagrams By Figure Number

Locations: The location views for Connectors depicted within these diagrams can be found at Vehicle/Locations/Connectors. Connector Locations

Connector Views: The connector views/pin-outs for the Connectors depicted within these diagrams can be found at the vehicle level connector views. Connector Views