Curiosii for ever!: Car repair manuals for everyone.

Control Module, A/T



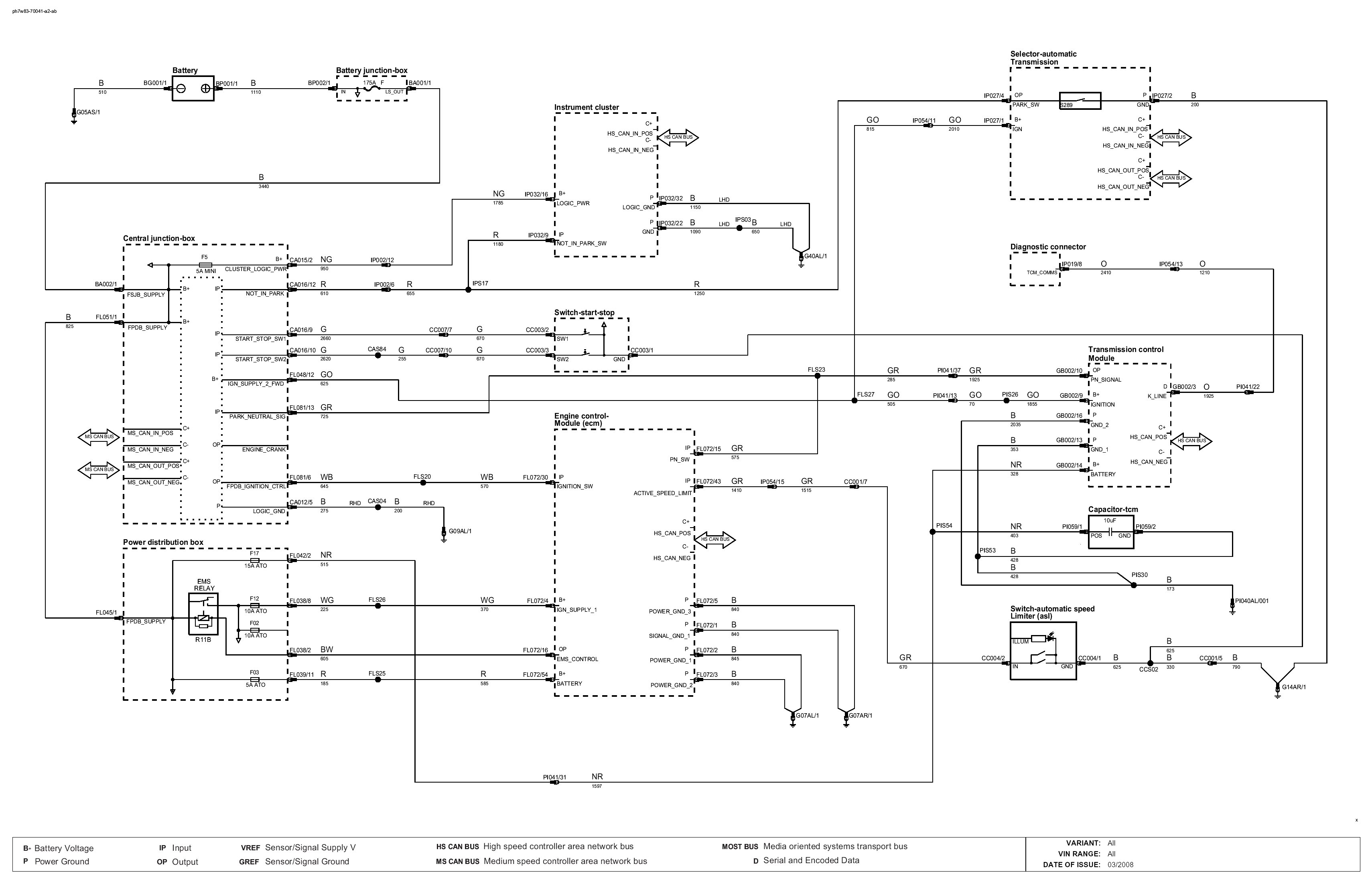
Transmission


Diagram Figure 05.1:






Diagrams: Other diagrams referred to by Fig. number (i.e. 01.1, 20.4, etc.) within these diagrams can be found at the vehicle level under Diagrams by Figure Number.

Locations: The location views for Connectors depicted within these diagrams can be found at Vehicle/Locations/Connectors. Locations

Connector Views: The connector views/pin-outs for the Connectors depicted within these diagrams can be found at the vehicle level connector views. Connector Views