Curiosii for ever!: Car repair manuals for everyone.

Keyless Start Control Module: Service and Repair



Start Control Unit

Removal
1. Remove the rear seat armrest.
2. Remove the floor console veneer trim panel.
3. Remove the floor console rear panel.
- Carefully release the 2 clips.







4. Remove the floor console side panel trim.
- Remove the 2 Torx bolts.
- Carefully release 11 clips.
- Repeat the procedure and remove the opposite hand.







5. Remove the keyless start control module trim cover.
- Remove the 2 Torx screws.







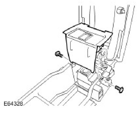
6. Remove the keyless start control module.
- Remove the 2 Torx screws.
- Disconnect the electrical connector.







Installation
1. Install the keyless start control module.
- Connect the electrical connector.
- Install the Torx screws.
2. Install the keyless start control module trim cover.
- Install the Torx screws.
3. Install the floor console side panel trim.
- Carefully align and secure the clips.
- Tighten the Torx screws to 6 Nm (4 lb.ft).
- Install the opposite hand.
4. Install the floor console rear panel.
- Align the lugs and secure the clips.
5. Install the floor console veneer trim panel.
6. Install the rear seat armrest.
7. Connect WDS to the vehicle and configure a new module.