Curiosii for ever!: Car repair manuals for everyone.

Windows



Powered Windows; Sliding Roof


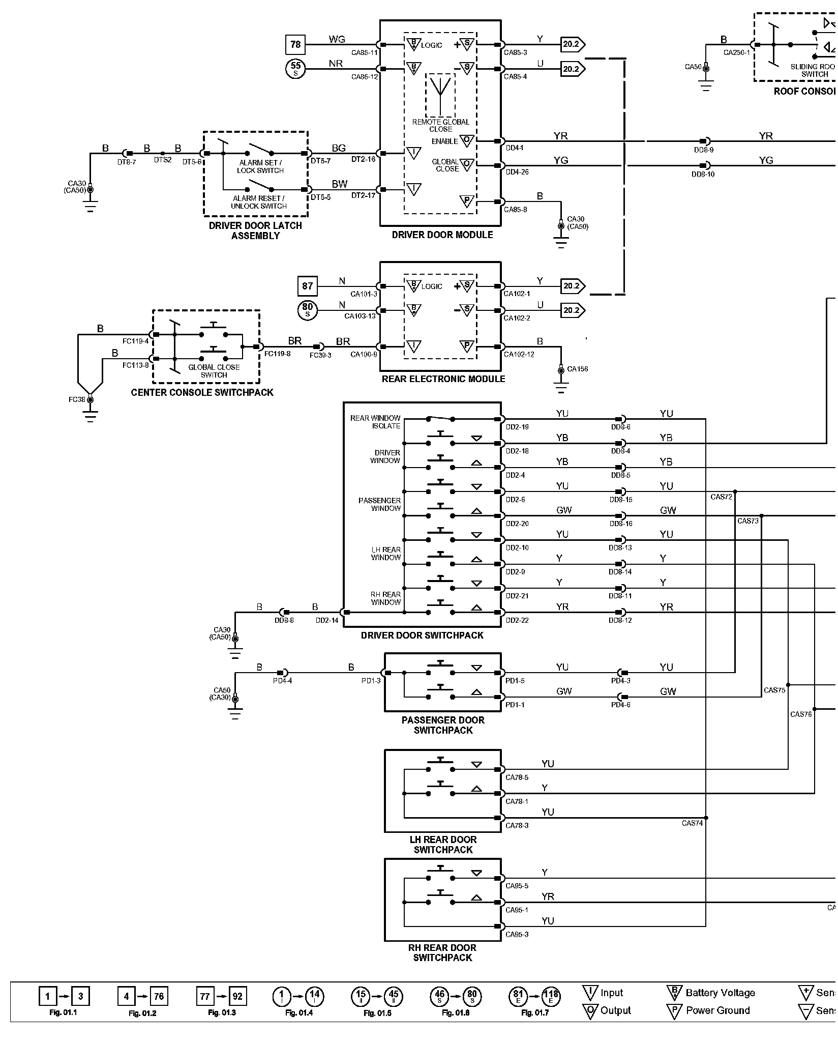
KDiagram Figure 14.1:




Diagram Data Sheet 14.1 (Part 1):




Diagram Data Sheet 14.1 (Part 2):






Diagrams: Other diagrams referred to by Fig. number (i.e. 01.1, 20.4, etc.) within these diagrams can be found at the vehicle level under Diagrams by Figure Number. Diagrams By Figure Number

Locations: The location views for Ground Points, In-Line Harness Connectors, Harnesses, and Control Modules depicted within these diagrams can be found at Vehicle/Locations. Locations

Connector Views: The connector views/pin-outs for the Control Modules depicted within these diagrams can be found at the vehicle level connector views. Connector Views