Curiosii for ever!: Car repair manuals for everyone.

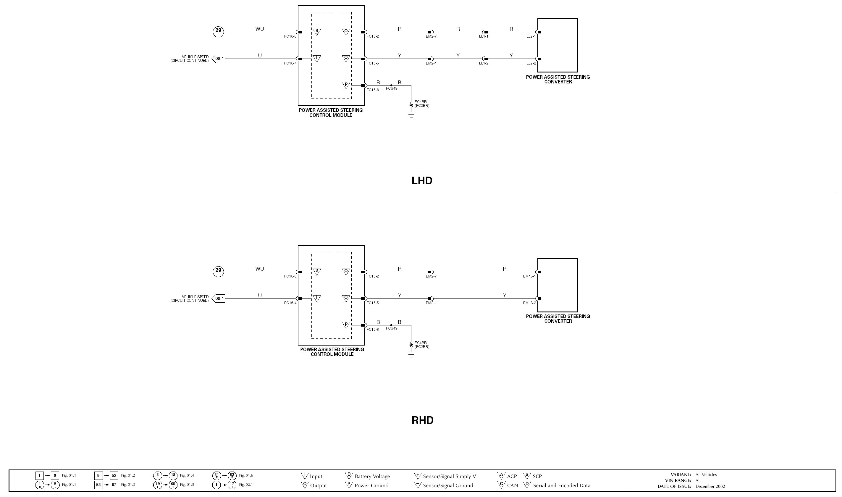
Steering Control Module



Power Assisted Steering


Diagram Figure 06.2:




Diagram Data Sheet 06.2 (Part 1):




Diagram Data Sheet 06.2 (Part 2):






Diagrams: Other diagrams referred to by Fig. number (i.e. 01.1, 20.4, etc.) within these diagrams can be found at the vehicle level under Diagrams by Figure Number. Diagrams By Figure Numbers

Locations: The location views for Ground Points, In-Line Harness Connectors, Harnesses, and Control Modules depicted within these diagrams can be found at Vehicle/Locations. Locations

Connector Views: The connector views/pin-outs for the Control Modules depicted within these diagrams can be found at the vehicle level connector views. Connector Views