Curiosii for ever!: Car repair manuals for everyone.

Navigation System: Japan



Navigation System: Japan


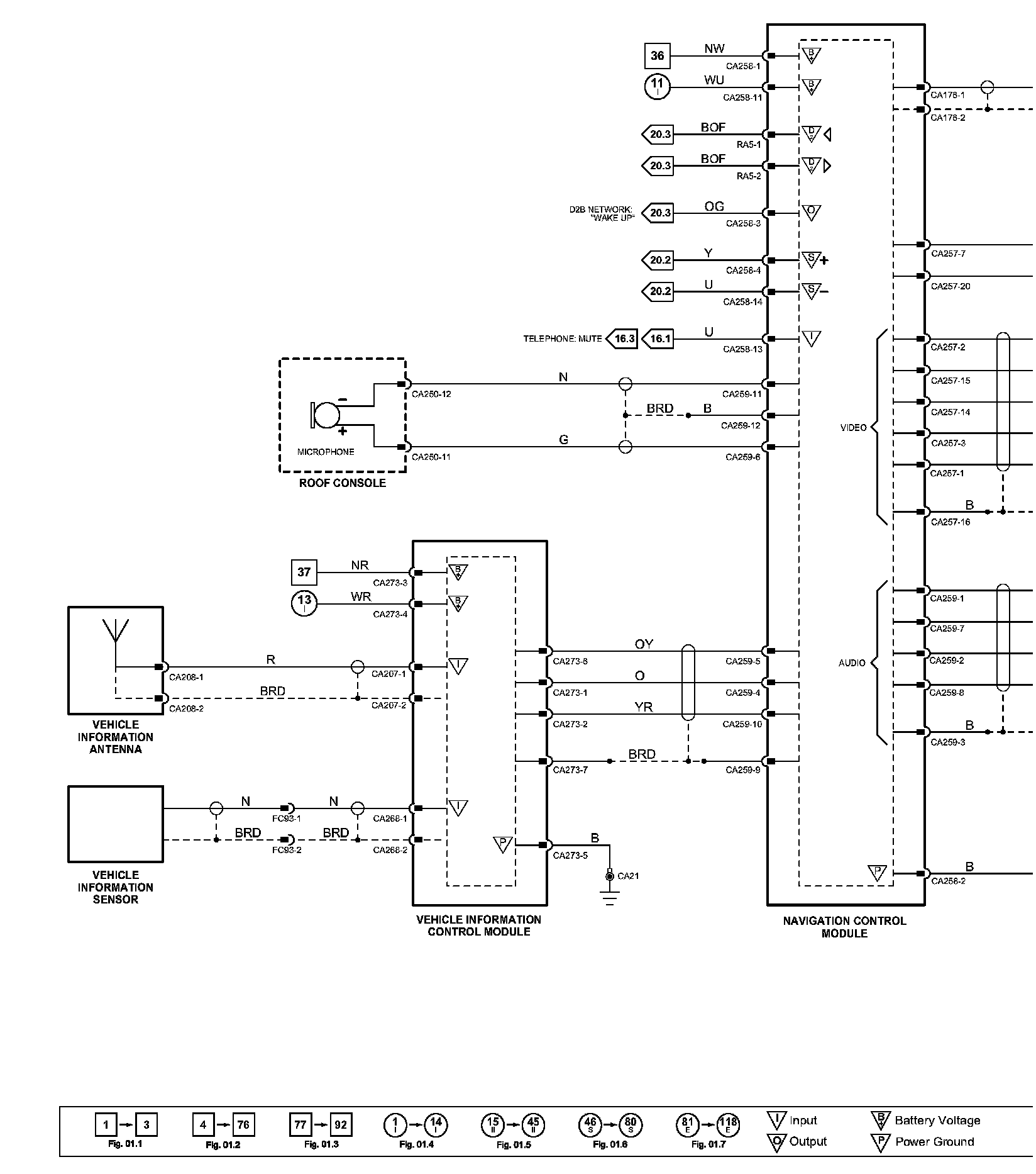
7r � Diagram Figure 16.8:




Diagram Data Sheet 16.8:






Diagrams: Other diagrams referred to by Fig. number (i.e. 01.1, 20.4, etc) within these diagrams can be found at the vehicle level under Diagrams by Figure Number. Diagram By Figure Number

Locations: The location views for Ground Points, In-Line Harnesses, and Control Modules depicted within these diagrams can be found at Vehicle/Locations. Locations

Connector Views: The connector views/pin-outs for the Control Modules depicted within these diagrams can be found at the vehicle level connector views. Connector Views