Curiosii for ever!: Car repair manuals for everyone.

Control Module: Description and Operation

Transmission Control Module (TCM) and Main Control Valve Body

Electrostatic Discharge (ESD)





CAUTION: When working with the transmission control module (TCM) and main control valve body, all suitable safety precautions must be taken to protect the component against Electrostatic Discharge (ESD). Failure to follow these instructions may result in component damage.

Make sure all possible safety precautions are taken to protect the TCM and main control valve body unit against ESD.

Personal Wrist-Band Earthing
Earthing (grounding) by means of a wrist band or strap is the most reliable method of diverting electrostatic charges away from working personnel, and should therefore be used wherever possible, particularly if the person concerned is working while seated. The wrist band earthing (grounding) device consists of a bracelet closely attached to the wrist and a spiral earthing (grounding) cable connecting it to the earthing (grounding) contact point. This system must include a quick release device so that the wrist can be released in the event of danger.

Shoes and Foot Earthing Straps
Electrically conductive shoes should be worn by persons who mainly work standing up or either standing or sitting in ESD protection zones, particularly if wrist band earthing (grounding) is impracticable. The standard calls for ESD shoes to record values between 0 and 35 Mega-ohms (MOhm) resistance. However, for antistatic working shoes resistance values between 0.1 and 1000 MOhm are called for, and a through-conducting resistance for protective shoes of 0.1 to 100 MOhm. A lower limit value of not less than 0.1 MOhm must be maintained on account of the contact voltage risk. For this reason the minimum value has been set contrary to the standard at the higher figure of 0.75 MOhm.

Transmission Control Module (TCM) and Main Control Valve Body
The Transmission Control Module (TCM) and main control valve body is a combination of hydraulic and electronic control units. Both these modules are installed in the transmission, in the fluid pan.
This technical principle has the following advantages:
^ Minimum tolerances (TCM is mated to solenoids)
^ Better coordination of gear shifts
^ Increased refinement
^ Optimized shift quality
^ Good reliability, since the number of plug connections and interfaces is reduced.

Part 1:




Part 2:





Transmission Control Module (TCM) and Main Control Valve Body

Transmission Electronic System
The Transmission Control Module (TCM) and its input/output network control the following transmission operations:
^ shift timing.
^ line pressure (shift feel).
^ torque converter clutch.

In addition, the TCM receives input signals from certain transmission-related sensors and switches. The TCM also uses these signals when determining transmission operating strategy.
Using all of these input signals, the TCM can determine when the time and conditions are right for a shift, or when to apply or release the torque converter clutch. It will also determine the pressure needed to optimize shift feel. To accomplish this the TCM uses six pressure control solenoids and one shift solenoid to control transmission operation.
The following provides a brief description of each of the sensors and actuators used to control transmission operation.

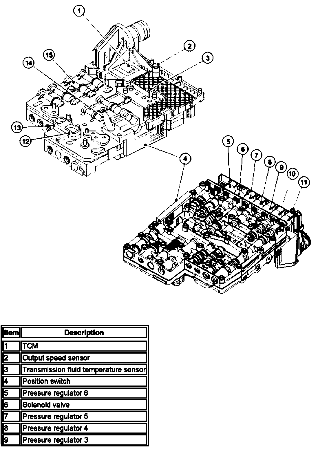
TCM
The TCM for the transmission is mounted on top of the main control valve body. The control module for the transmission has been designed to operate correctly in the environment in which the TCM is located.
The transmission control module is activated and deactivated by the ignition supply and is connected to the transmission link harness by a 16-way connector.
The TCM controls the operation of the transmission. The TCM processes information received in both analogue and digital form such as:
^ Transmission input speed
^ Output speed
^ Throttle pedal position
^ Gear selector position
^ Engine torque
^ Engine speed
^ Transmission fluid temperature
^ Brake pedal status
^ Engine oil temperature
^ Coolant temperature
^ ABS wheel speed

This information is then used by the TCM to decide which shift pattern to select and for shift energy management. Electrohydraulic solenoid valves and pressure regulators control the transmission gear changes.
Five pressure regulators and one solenoid valve are used to control direct transmission fluid flow to select internal clutches and control the fluid pressure at the clutch. A separate pressure regulator is used exclusively for torque converter clutch control.
The TCM monitors all TCM inputs and outputs to confirm correct system operation. If a fault occurs the TCM is able to perform default action and inform the driver of the problem, this is by the instrument cluster message centre.

Solenoids
The hydraulic module contains one solenoid valve. The solenoid valve is actuated by the TCM and has two positions of open or closed, it is used to switch the position valve.
There are six electronic pressure control valves, these convert an electric current into a proportional hydraulic pressure. They are energized by the TCM and actuate the valves belonging to the relevant switching elements.

Controller Area Network (CAN) Interface
For the TCM to be able to perform shift point and shift quality management a number of external signals are required. For shift point management alone the TCM requires output speed sensor, throttle pedal position, brake pedal status and gear selector position. The Controller Area Network (CAN) bus is used to share information between control modules. The TCM obtains most of its required data over the CAN bus from the electronic engine controls, J-Gate and ABS, Instruments pack and diagnostic tools.

Brake Pedal Position (BPP) Switch
The Brake Pedal Position (BPP) switch tells the TCM when the brakes are applied, and disengages torque converter clutch. The BPP switch closes when the brakes are applied and opens when they are released. The BPP is also used to disengage the brake shift interlock and stops gradient calculations.

Engine Coolant Temperature (ECT) Sensor
The Engine Coolant Temperature (ECT) sensor detects engine coolant temperature and supplies the information to the TCM. The ECT sensor is used to control the Torque Converter Clutch (TCC) operation.

Accelerator Pedal Position (APP) Sensor
The Accelerator Pedal Position (APP) sensor is a potentiometer mounted on the accelerator pedal. The APP sensor detects the position of the accelerator pedal and sends this information to the Electronic Control Module (ECM). The APP sensor is used for shift scheduling and TCC lock-up.

Input Shaft Speed (ISS) Sensor
The Input Shaft Speed (ISS) sensor is a Hall effect type sensor.
The ISS sensor is mounted internally on the transmission and is located on the TCM and main control valve body unit.

Output Shaft Speed (OSS) Sensor
The Output Shaft Speed (OSS) sensor is a Hall effect type sensor.
The OSS sensor is mounted internally on the transmission and is located on the TCM and main control valve body unit and is used for shift scheduling.

Transmission Fluid Temperature (TFT) Sensor
The TCM utilizes one transmission fluid temperature sensor located on the main control valve body. The TCM uses the sensor input to activate various shift strategies. The sensor is in the form of a temperature dependent resistor.
The temperature sensor performs plausibility checks on each sensor reading. Obviously, the transmission oil temperature should not jump in value excessively between sensor readings. If the inputs from the temperature sensor are outside the working range it possible that the sensor is short or open circuit.

Position sensor
The TCM uses the position of this switch housed on the TCM and main control valve body, to determine the selected gear range on the Automatic side of the selector lever.
The selector lever is connected to the transmission by a cable, which operates the transmission selector shaft between positions Park, Reverse, Neutral and Drive. The TCM detects the driver's choice of manual range selection (5, 4, 3, 2) by means of a 3-bit code generated by the J-gate. This 3-bit code is then transformed in to a CAN message by the J-Gate module and transmitted on to the CAN bus where it is detected by the TCM.





3-Bit Code

The TCM uses this information to generate the CAN message 'Gear Position Selected', which must not be confused with the similar message 'Gear Position Actual' indicating the current mechanical gear ratio activated by the TCM.
Movement of the lever between Park, Reverse, Neutral and Drive manually controls the flow of transmission fluid, the TCM having control of the forward gear selected in Drive. Additional movement of the lever to 5, 4, 3 and 2 positions does not manually modify the fluid flow, the TCM detects these positions, and controls the gear selected electronically.

Sport mode switch
The sport mode switch:
^ Allows the driver to select or de-select the automatic transmission sport mode.
^ Allows the automatic transmission to operate normally when the sport mode is selected, but under acceleration the gear shift points are extended to make full use of the engine's power reserves.
^ Allows the driver to drive the vehicle in the 'D' position with the full automatic transmission shift or manually shift gears in the 'second, third, fourth and fifth' positions.
^ Is illuminated when Sport mode is selected.
^ Communicates with the TCM through the CAN network to show the sport mode switch status.

TCM Monitoring Functions
As explained above the TCM monitors all input and outputs to identify possible failures. If a fault is detected the TCM takes the appropriate action to ensure the transmission enters a safe mode of operation, without sacrificing transmission durability or driver safety.

Supply Monitoring
If the battery voltage is either too great or too low, the TCM will detect a fault condition. For the TCM to be able to identify this fault, the engine must be running and the transmission fluid temperature sensor must be functioning correctly.

Solenoid Supply Monitoring
While the solenoid operating transistors are being activated, checks are run for open circuits, shorts circuits to ground and short circuits to supply. The monitoring function evaluates the voltage characteristics during the switch on process checking for the above faults.
All solenoid outputs are fully protected. The processor and the appropriate fail-safe action taken can quickly identify open and short circuit faults.

Sensor Supply Monitoring
The sensor supply voltage is a stabilized supply. This supply is monitored by the micro-processor by an Analogue to Digital Converter (ADC). If the voltage is out of the valid tolerance a raise a Diagnostic Trouble Code (DTC) is set and the appropriate fail-safe action is performed.

Electronically Erasable Program Read Only Memory (EEPROM) Monitoring
To diagnose errors with the electronically erasable program read only memory (EEPROM) the TCM calculates 4 checksums continuously: If the processor identifies discrepancies in any of the four checksums the TCM will engage mechanical limp-home mode.
The TCM can diagnose errors within the EEPROM. Diagnosis is only performed during TCM initialization. There is no fail-safe mechanism associated with this function as the EEPROM is mainly used for the storage of fault codes and transmission calibration adaptions. If a fault occurs the TCM is able to perform default action and inform the driver of the problem, this is by the instrument cluster message centre.

Watchdog Monitoring
The watchdog monitoring function has two functions. Firstly it checks that it is possible to inhibit output control by the activation of the solenoid supply transistor. Secondly the watchdog checks that the safety circuit is functioning correctly.
During initialization the watchdog checks that it is possible to inhibit control of the pressure regulator and solenoid valves by switching the solenoid supply transistor. There is a fault if activation of the solenoids cannot be inhibited by the watchdog (NB. The supply to the solenoids can still be inhibited by the high side switch responsible for control of each solenoid i.e. One safety path is lost).

Monitoring the Substrate Temperature Sensor
The TCM is situated within the transmission on the valve body. As the TCM controls a number of high power solenoids and is surrounded by ATE, the TCM can obviously get very hot. If the temperature of the hardware rises above a predetermined level the TCM will be shut down. Prior to the TCM shutting down the TCM will log a fault code, during shutdown the transmission will enter mechanical limp-home mode. Monitoring of the substrate temperature is performed by a temperature dependent resistor mounted on the processor.

Plausibility Checking
The TCM detects a fault if an excessive voltage jump is identified between any two consecutive measurements. Also, with the engine started from cold the transmission fluid temperature will start to rise. Therefore the substrate or fluid temperature will also start to rise because the TCM is surrounded by transmission fluid. If the engine and output shaft speed is higher than a set threshold for a predetermined length of time without the substrate temperature rising above a set threshold a fault will be detected.

Pressure Regulator/Solenoid Monitoring
Each pressure regulator and solenoid is monitored for open circuits and short circuits. The TCM also checks that the current being delivered to each solenoid valve or pressure regulator is within valid limits. When each solenoid is being driven with minimum current the TCM checks that the current is not above a threshold value. If a solenoid is being driven with maximum current, it checks that the current is not below a valid threshold. If either of these two errors occurs a plausibility error is logged and the appropriate fail-safe action is performed.

Output Speed Monitor
It is possible for the TCM to diagnose electrical errors associated with the output speed sensor while the vehicle is stationary as well as moving. Plausibility monitoring is performed on the sensor output when the vehicle is moving.

Input Speed Monitor
It is possible for the TCM to diagnose electrical errors associated with the input shaft speed sensor while the vehicle is stationary as well as moving. Plausibility monitoring is performed on the sensor output when the vehicle is moving.

Transmission Fluid Temperature Sensor Monitoring
The TCM monitors for faults associated with the transmission fluid temperature sensor in the following ways:
1. Open and short circuit fault detection.
2. The temperature cannot alter by more than a predefined differential between any two consecutive measurements.
3. The transmission fluid temperature must rise after the engine has been started provided that the fluid temperature was low enough to begin with (The vehicle must be driven and the diagnostic test condition met).

Position Sensor Monitoring
The TCM can identify errors with the position switch located within the transmission. If an unrecognized position code is read by the TCM a plausibility fault will be logged. (A code is checked between positions).
The position switch outputs a 4-bit code to the TCM, the bits being labelled L1-L4. For the transmission, the following codes are used to identify the selector position.
Only for the automatic side of the J-GATE P, R, N, D





Selector position switch code

Gear Ratio Monitoring
The gear ratio diagnostic checks that each gear ratio is correctly engaged. Also, following a gear shift the diagnostic checks that the transmission has engaged the target gear within the allowed time.

Torque Converter Monitoring
The TCM checks that the torque converter can be locked correctly. If torque converter lock-up does not occur correctly the TCM performs the appropriate fail-safe action of opening the Torque converter clutch.

Torque Converter Lock-up Control
The TCM controls how the torque converter clutch is engaged as a function of the accelerator pedal position, output speed, transmission fluid temperature, gear selected and shift program. Lock-up is possible in all forward gears, but usually it is restricted to fourth, fifth and sixth gears. To make use of the comfort enhancing effect of the torque converter, the converter clutch can be disengaged prior to a downshift or up-shift. The torque converter lock up clutch is always modulated to allow for controlled slip, to further improve the shift quality.

Shift Energy Management
This function involves reducing or increasing the engine output torque during shifting. The aim when up-shifting is to reduce the energy that is dissipated in the friction elements of the transmission. This is done by reducing the engine torque during synchronization without interrupting the tractive drive. This function may be used for:
^ Increasing the transmission service life by shortening the slipping time.
^ Improving the shift comfort by reducing the step change in torque caused by the gearshift.
^ Transferring a higher engine power, this is allowed by the mechanical in-gear strength of the transmission.

Real-time control of engine torque is required to maintain maximum shift quality and transmission durability. The TCM has the ability to control the engine output torque during the gearshift to synchronize with the operation of the transmission clutches.

Pressure Modulation
To provide a high level of shift comfort and durability, the hydraulic pressure in the shift related friction elements of the transmission must be matched very accurately to the transmission input torque. This hydraulic pressure is composed of a hydraulically pre-set basic pressure and a controlling pressure that is set by one of the electro-hydraulic pressure regulators.
The transmission input torque can be directly calculated from the following operating parameters: engine torque signals, engine speed or any signals transmitted from the ECM by CAN, and converter slip. Separate pressure characteristics for each gear change make it possible to adapt precisely to the particular shift operation. A further improvement in shift comfort is achieved by individual treatment of special cases, such as manual shifts.

Shift Quality Adapts
The shift quality adapts are used to obtain a high quality and consistent shift feel. This is achieved through monitoring shift quality and then adapting the shift pressures and shift energy management to overcome hardware variability and 'in service wear'.
It will typically take a new transmission approximately 161 kilometers (100 miles) of use to fully adapt.

Shift Point Selection
The gearshift points are selected by the TCM, as a function of the output speed, accelerator pedal position, selector position and shift program selected. The driver has control over the shift points by the selector lever, accelerator pedal movement and mode switch.