Curiosii for ever!: Car repair manuals for everyone.

Windows




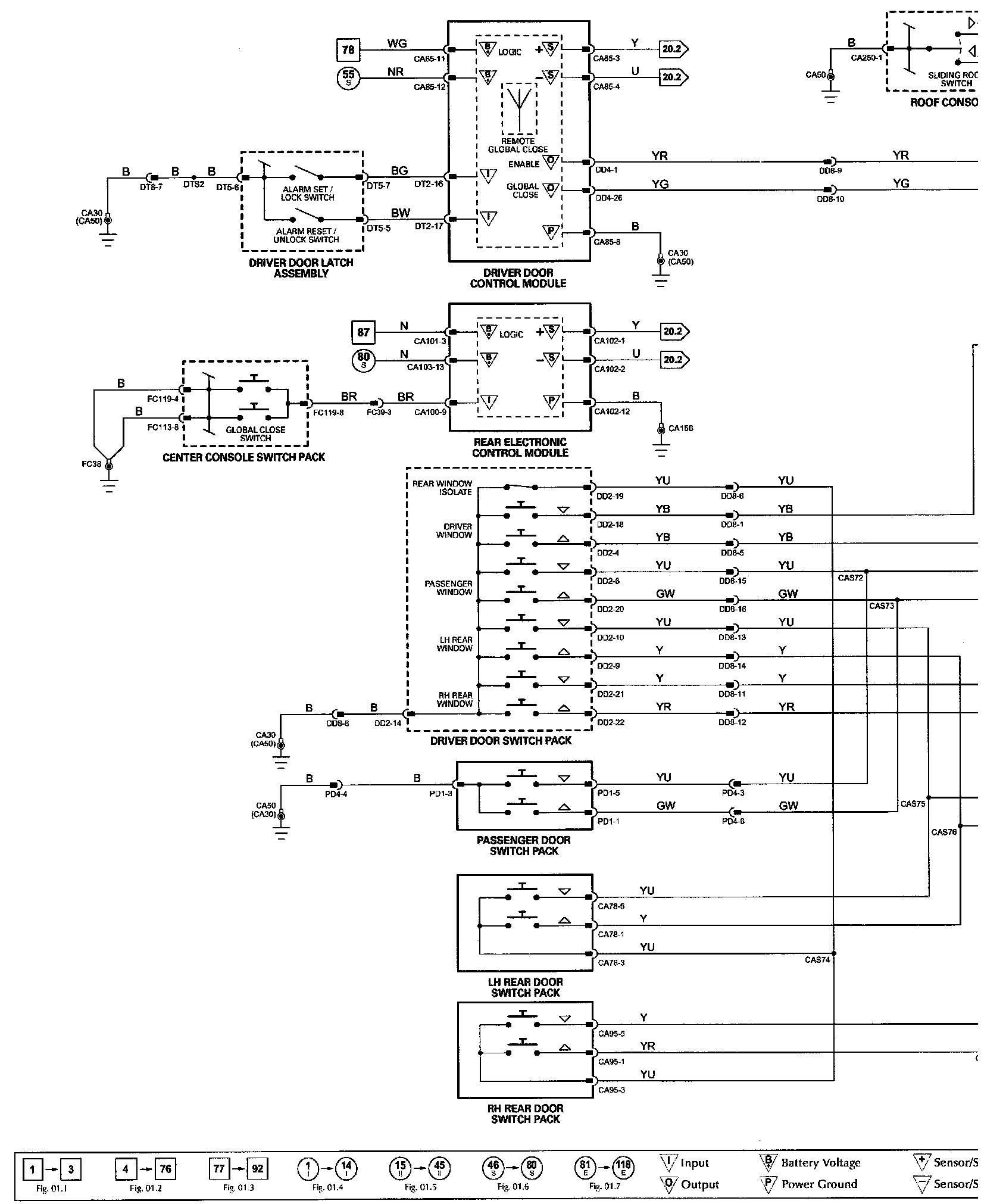
Powered Windows; Sliding Roof


8�l!Wiring Diagram:






Use this Hyperlink to access Figure Numbers referred to in the wiring diagram. Refer to -- Vehicle/Diagrams. Electrical Diagrams


Control Module Pin-Out Information:






Components:






Harness In-Line Connectors:






Grounds:






Refer to Vehicle/Locations for detailed information and illustrations regarding the location and identification of harnesses, relays, grounds and control modules. Locations

For detailed informations and illustrations regarding the location and identification of control modules pins, refer to Vehicle/Diagrams/Connector Views. Connector Views