Curiosii for ever!: Car repair manuals for everyone.

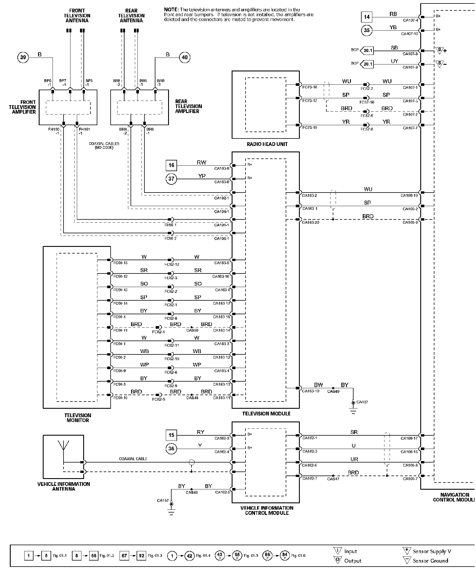
Navigation System



Navigation System


|D�Wiring Diagram:






Use this Hyperlink to access Figure Numbers referred to in the wiring diagram. Refer to -- Vehicle / Diagrams. Electrical Diagrams


Components:






Harness In-line Connectors And Junction Connectors:






Grounds:






Refer to Vehicle / Locations for detailed information and illustrations regarding the location and identification of harnesses, relays, grounds and control modules. Locations

For detailed informations and illustrations regarding the location and identification of control modules pins, refer to Vehicle / Diagrams / Connector Views. Connector Views