Curiosii for ever!: Car repair manuals for everyone.

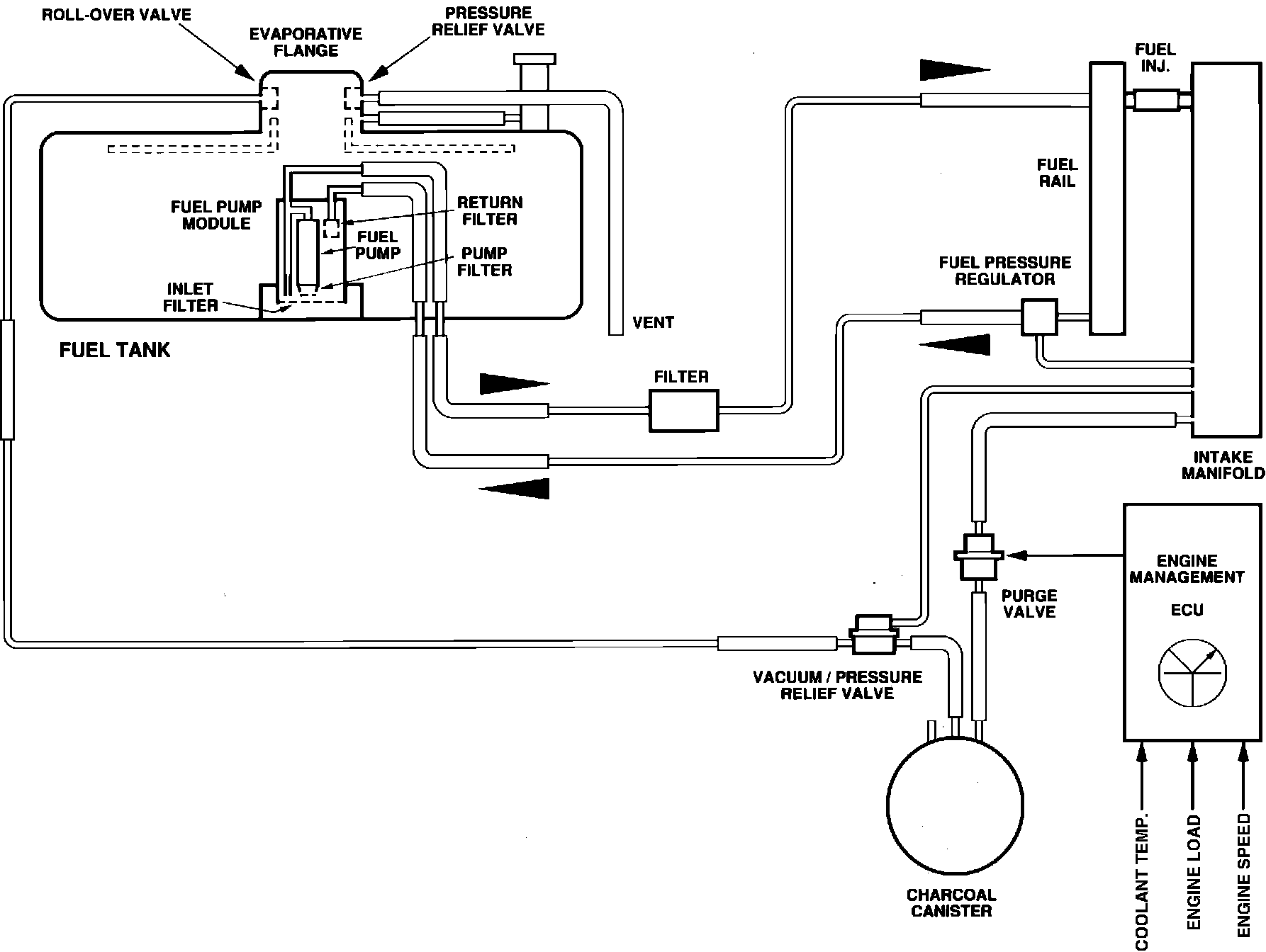
Evaporative Emissions System: Testing and Inspection

Charcoal Canister:





1. Visually inspect canister. Replace if cracked or otherwise damaged. The canister is a sealed unit with no provision for repair other than complete replacement.

Evaporative Emission System / Fuel Delivery:





2. Visually inspect piping, vapor and vacuum hoses. Replace any components that are cracked, kinked or otherwise damaged.