Air Injection Pump: Service and Repair
Air Pump Replacement:
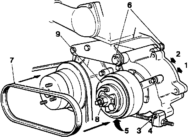
NOTE: Number references in text specify numbered components in image.
1. Disconnect battery ground cable.
2. Unplug pump pulley clutch electrical connector.
3. Loosen clamp and remove air inlet and outlet hoses from back of pump (1 and 2).
4. Loosen link arm adjuster nut (3).
5. Loosen but do not remove link arm trunnion bolt (4).
6. Loosen link arm pivot bolt (5).
7. Loosen but do not remove pump pivot nut and bolt (6).
8. Pivot pump toward engine.
9. Remove drive belt from pump pulley.
10. Remove link arm trunnion bolt.
11. Remove pump pivot nut and bolt together with front spacer and rear cone.
12. Lift pump assembly from vehicle.
13. Reverse removal procedure to install new pump. If pump clutch and pulley must be transferred from old pump to new, take the following steps:
14. Remove nut securing clutch pulley (8).
15. Remove clutch plate (9), pulley retaining clip and pulley/bearing assembly.
16. Remove clutch housing retaining circlip and remove housing.
17. Clean mating surfaces. Reverse removal procedure to install clutch and pulley on new pump.
18. Adjust belt correctly.