Curiosii for ever!
: Car repair manuals for everyone.
Home
>>
Jaguar
>>
1990
>>
Sovereign L6-4.0L
>>
Repair and Diagnosis
>>
Diagrams
>>
Electrical Diagrams
>>
Antitheft and Alarm Systems
>>
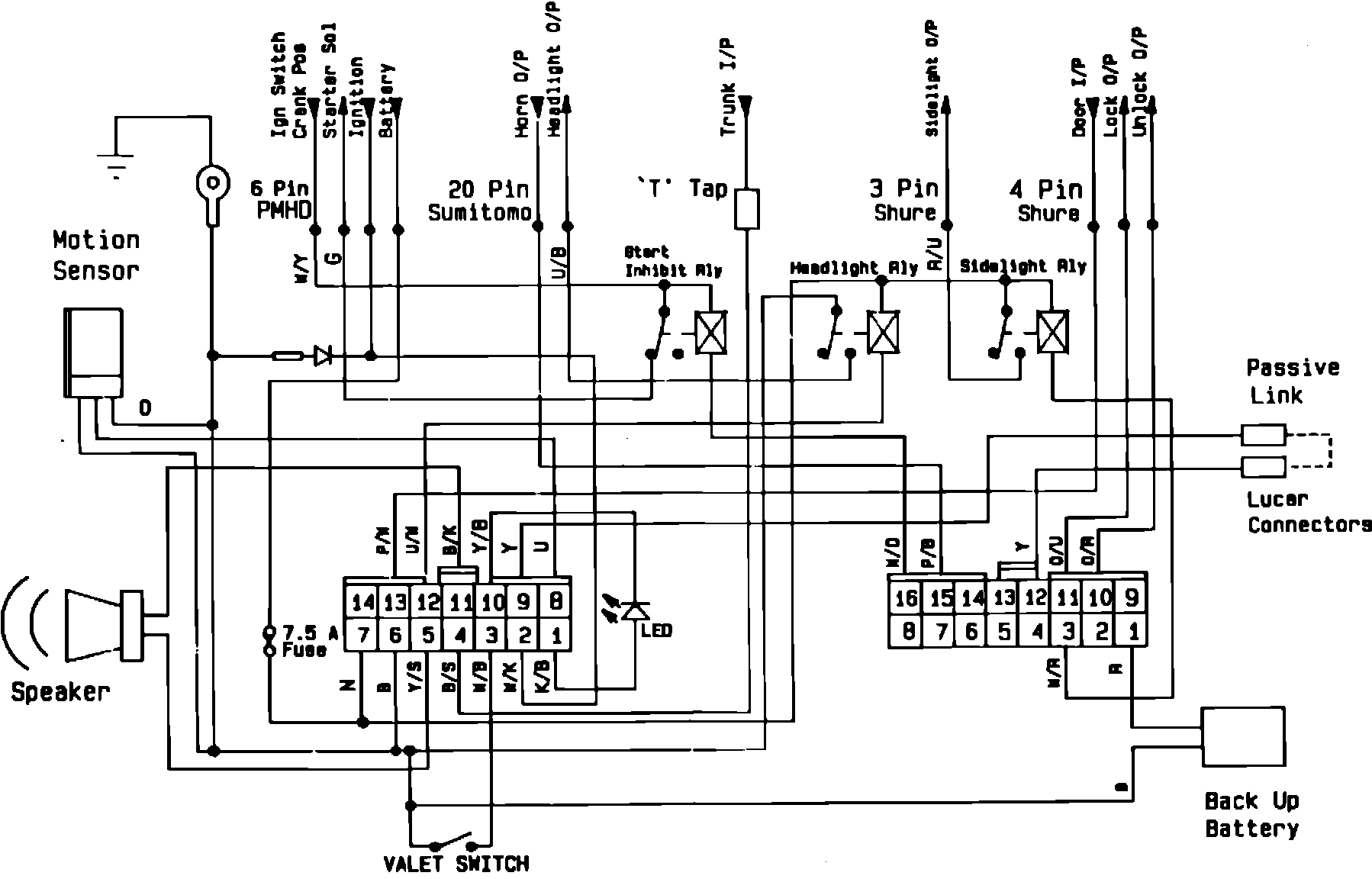
System Diagram
System Diagram
90MY XJS COUPE/CONVERTIBLE SECURITY SYSTEM - 19000 CODE: