Curiosii for ever!: Car repair manuals for everyone.

Electrical / Electronic System

A/C System Functional Test - Electrical / Electronic System

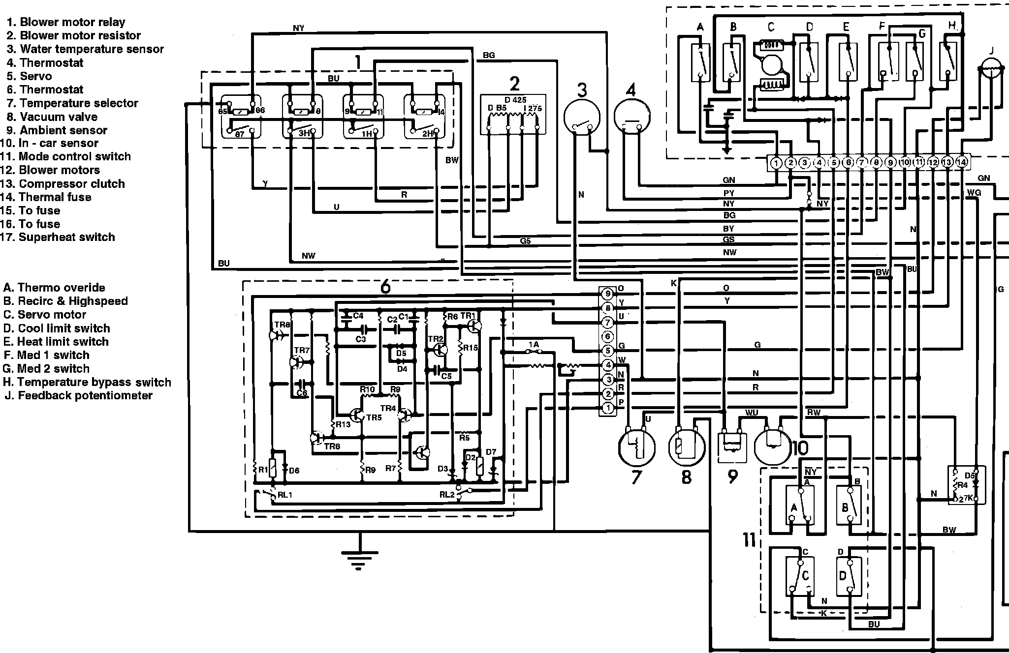
f��Wiring Diagram - AC:





A vacuum functional test should be performed prior to testing the Electrical / Electronic circuitry. Use the appropriate circuit diagrams and keep in mind that shorted, poorly grounded or open circuited wires may be the actual cause of component failure.

ELECTRICAL FEED FUSE FAILURES

There are four fuses which protect the air conditioning unit:

1. If fan motors fail to function on all speeds, check the 35 amp. supply, fuse # F10 at the main fuse box.

2. Ignition supply 35 amp. fuse # F11 controls all ignition auxiliary units, i.e. air conditioner, wipers, washers, etc. If this fuse fails, disconnect feed to air conditioner and replace fuse - Operate all auxiliary items to determine whether the fault lies in the auxiliary items or the air conditioner.

3. The third fuse is a delayed action fuse in the amplifier positive line. If, upon replacement, the fuse still fails, the amplifier, thermistors, Diodes, camshaft motor and associated wiring is suspected.

If no fault is apparent, disconnect camshaft motor and thermistor. If fuse still fails, replace amplifier.

4. The fourth fuse is a 10 amp. fuse which protects the feed to the compressor clutch. If, on substitution, the fuse still fails, disconnect compressor clutch lead and try again. If it still fails, suspect Ranco thermostat or Ranco override switch. Test each item with an ohmmeter.

FAN FAULTS

If fan faults exist, a voltage check must be taken at the input feed and fan supply leads.

1. The input feed should register 12 volts.

2. The other feeds are through the HIGH speed/Recirculation switch and

Diode 5 (D5) for the high speed fan. This feed only occurs when the camshaft is in the full cooling mode and should reflect 12 volts.

If, when full cooling is selected, the fans do not go into HIGH speed, the relay is O.K. and the fault lies with D5, the high speed/ recirculation switch on the camshaft or the wiring.

Two additional feeds are between the 10 amp. clutch fuse and the water temperature thermostat.

FAN SWITCH FAULTS

There are five switches which directly control the fans:

(a) High/Recirculation fan switch on camshaft (described under fan faults).

(b) High speed switch on MODE control.

(c) Low speed switch on MODE control.

(d) Med 1 (2nd speed) switch on camshaft.

(e) Med 2 (3rd speed) switch on camshaft.

1. High Speed Switch - If cooling is selected by switching temperature selector setting from 85 to 65, the high speed fan should eventually be selected and the recirculation flaps should open. If not, the fault lies in the switch or an open circuit wire - depending on Ambient temperature.

2. Low Speed Switch - If only the highest fan speed is available and there is no output from the flaps in any position other than in high and full cooling, the fault lies in the low speed switch or wiring.

NOTE: Distortion of the MODE CONTROL carrier (sheet metal) can cause maladjustment of mode control microswitches.

3. MED 1 (2nd speed) Switch

Located on the camshaft - Failure of MED 1 switch will exhibit the following if faulty:

(a) Very low air output when unit is in full heating mode.

(b) Only three changes of fan speeds when selecting 65 from 85 at temperature selector. If so, check switch and/or wiring.

4. MED 2 (3rd speed) Switch

Located on the camshaft - Failure of MED 2 switch will be apparent by failure of the camshaft to select 3rd speed when going in or out of the full cooling mode. If so, check switch and/or wiring.

COMPRESSOR CLUTCH FAULTS

1. If fans are functioning correctly there will be a 12 volt feed to the fuse protecting the field circuit.

2. If refrigeration is not occurring, then the clutch circuit must be tested.

3. Check 10 amp. fuse, if failed, disconnect wire from compressor clutch.

If fuse still fails, the circuit should be checked for continuity as should the Ranco override switch and Ranco thermostat. If fuse fails when reconnecting clutch wire, then clutch winding is suspected.

CAMSHAFT MOTOR FAULTS

1. Select 85 from 65 at the Temperature selector. This is full heating mode which causes the relay in the amplifier to switch the purple lead of the motor circuit to a 12 volt positive feed. A voltmeter check should then show 12 volts at the purple lead - 0 volts at the red lead.

2. After a few minutes, select 65 from 85 which causes the amplifier to energize a second relay which switches the positive 12 volt feed to the red lead and negative 0 volts to the purple lead.

3. If events listed in 1 and 2 occur, the amplifier control of the camshaft motor is correct. If the camshaft motor does not function, check continuity of the full heating and full cooling limit switches and wiring.

4. If all the foregoing proves correct, check diodes for forward and reverse bias modes.

5. Should all this prove to be correct, check continuity of motor windings and if faulty, replace camshaft assembly.

AMPLIFIER FAULTS

Amplifier:





In addition to the amplifier checks performed under camshaft motor faults, the following two checks may also be performed:

(a) There is a 12 volt positive input at the brown lead and a good ground at the black lead.

(b) That when DEFROST is selected the relay inside the amplifier immediately connects the purple lead to 12 volt positive supply, There is a delayed action fuse in the brown positive input lead to protect the servo, wiring and amplifier.

CAMSHAFT MICROSWITCHES

It is recommended that if microswitch failure occurs that the complete servo unit be replaced, however, wires to switches should be checked for chafing, fraying and loose connections, etc. - Continuity checks may also be performed.

SENSING SYSTEM TESTING

Disconnect Amplifier plug from harness Socket. Perform following test at harness socket:

HARNESS SOCKET

Pin 7 (Blue wire) to Pin 4 (White wire). Temperature Selector should vary from 0 to 10K.


Pin 7 (Blue wire) to Pin 3 (Brown wire).

Temperature Selector Values:





Pin 9 (Orange wire) to Pin 8 (Yellow wire).

Feedback Potentiometer = 2K

Pin 9 (Orange wire) to Pin 5 (Green wire).

Track to wiper arm of Feedback Potentiometer 0 - 2K ohms.

If Zero, servo in full heat position. If 2K, servo in full cool.


Pin 1 (Purple wire) to Pin 2 (Red wire).

30 ohms (servo motor resistance maximum acceptable 100 ohms).