Curiosii for ever!: Car repair manuals for everyone.

Heater Core: Service and Repair

Heater Matrix
- With the air conditioning unit removed and located on a work bench the heater matrix can be removed.

NOTE: It is recommended that the positions of all the operating rods are marked with a scribe, or a similar methods.

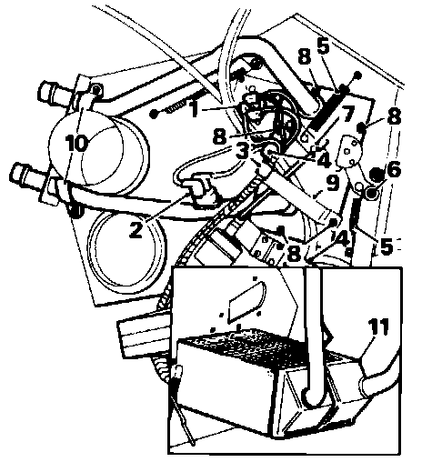
Heater Core:





- Note and disconnect all the cables from the blower motor resistance unit (1) and the water valve temperature switch (2).
- Remove the screws securing the cable harness clip and the bracket (3).
- Remove the screws securing the vacuum pipe clips (4).
- Disengage the return springs from the operating levers (5), remove the screw securing the lower flap operating lever to flap hinge (6 Fig 81) and remove the lever.
- Slacken the screw securing the operating rod from the vacuum servo to the flap operating lever on the matrix cover (7) and release the lever from the rod.
- Remove the screws securing the matrix cover plate to the unit (8).
- Remove the screws securing the heater matrix pipes retaining bracket to unit and remove the bracket (9).
- Remove the pipe clips (10).
- With a straight pull, ease the matrix clear of the unit (11).
- Remove the sleeve from the top pipe, the cover plate and the water valve temperature switch from the lower pipe.