Curiosii for ever!
: Car repair manuals for everyone.
Home
>>
Jaguar
>>
1982
>>
XJ-S V12-5.3L
>>
Repair and Diagnosis
>>
Diagrams
>>
Electrical Diagrams
>>
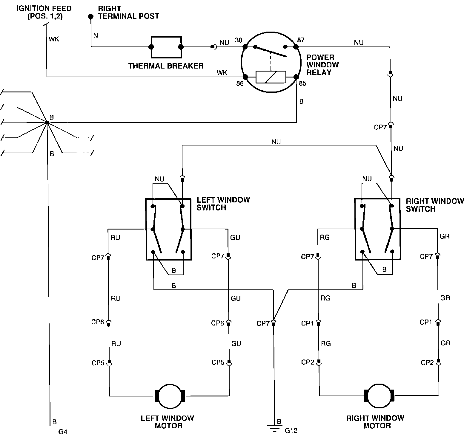
Windows
Windows
Power Windows: