Curiosii for ever!: Car repair manuals for everyone.

Exhaust Gas Recirculation: Testing and Inspection



SYSTEM OPERATIONAL CHECK

1. Using a vacuum tee, connect a vacuum gauge to the vacuum hose at the EGR valve.
2. Start engine (cold engine) and idle. Note vacuum gauge. There should be no vacuum with engine idling. If vacuum is present, check vacuum hose connections as per vehicle emission control label vacuum diagram.
3. Momentarily snap the throttle wide open, until engine reaches approx. 3000 rpm, then release. Note vacuum gauge while engine is accelerating. With a cold engine, there should be no vacuum to the EGR valve. If vacuum is present, check vacuum hose connections as per vehicle emission control information label vacuum diagram. If hoses are properly connected, see individual component tests in this section.
4. Warm engine to operating temperature.
5. With engine idling, note vacuum gauge. There should be no vacuum to the EGR valve with the engine idling. If vacuum is present, check vacuum hose connections as per vehicle emission control information label vacuum diagram.
6. Rev engine as in step 3, vacuum should be applied to the EGR valve while engine is accelerating, but not when decelerating. If there is no vacuum at all, check for vacuum leaks, or, plugged or kinked hoses (.177 cal. B.B.s are popular vacuum hose plugs and are usually not evident upon visual inspection of vacuum hose), or see individual component tests in this section.


EGR VALVE (ON CAR TEST)

1. Engine at normal operating temperature.
2. Connect vacuum pump to EGR valve, and apply approx. 4"Hg (100mmHg) vacuum. Vacuum should not leak down. If diaphragm does not hold vacuum, replace valve.
3. Disconnect vacuum pump.
4. Start engine and idle.
5. Manually open valve by pushing diaphragm with your fingers (use a rag or gloves to protect fingers from heat), or by applying vacuum to the diaphragm chamber. Engine should begin to stumble, and may die. This is normal and indicates the EGR valve is OK. If there is no change in idle when valve is opened, EGR valve is faulty and/or EGR passages may be plugged.
6. Engine idle should return to normal when valve is released (vacuum pump disconnected). If engine still idles rough, EGR valve is sticking open and should be replaced.
7. Check for vacuum leaks around EGR valve base gasket. A new gasket should always be used when replacing or re-installing an EGR valve.

Leak Checking EGR Valve:






EGR VALVE (BENCH TEST)

1. Connect vacuum pump to EGR valve, and apply approx. 4"Hg (100mmHg) vacuum. Vacuum should not leak down. If diaphragm does not hold vacuum, replace valve.
2. Manually open valve and release. Check that valve returns to the closed position smoothly.
3. Hold valve as shown in diagram, and fill valve chamber with gasoline.
4. Check for leaking from valve and shaft (some wetting is normal but dripping indicates a bad valve). Replace if bad.

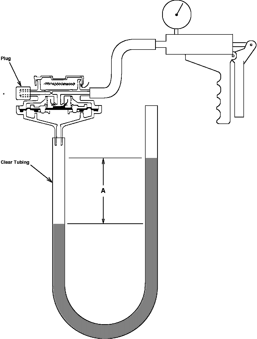
EGR Backpressure Transducer Test:






EXHAUST BACKPRESSURE TRANSDUCER - TURBO ONLY

1. Plug one vacuum port.
2. Connect vacuum pump to the other vacuum port.
3. Connect 24" clear tubing to the exhaust gas port.
4. While holding clear tubing as shown in diagram, fill a portion of the tubing with water so that the level of water in the open end is approx. 3" higher than the level in the side connected to the valve (distance "A" in diagram.) Be sure there is an air space in the closed end to prevent water from getting into transducer.
5. Apply approx. 50mmHg (2"Hg) vacuum with the vacuum pump. Vacuum should hold without leaking down.
6. Lower open end of tubing slowly. When distance "A" is less than approx. 2", air should be allowed into the transducer (vacuum as shown on vacuum pump gauge should go to zero.)
7. Replace if defective.


THERMAL VACUUM VALVE - NON TURBO ONLY

1. With the engine cold, check to see that no air will flow through valve.
2. Start engine and warm it to operating temperature.
3. Check to see that air now flows through valve.
4. Replace if found to be defective.

Vacuum Switching Valve (ECS System):






VACUUM SWITCHING VALVE

1. Remove VSV.
2. Connect vacuum pump to port B.
3. Block port A with finger tip and apply vacuum to port B. No vacuum should be felt at port A, and port B should be vented to the atmosphere (does not hold vacuum).
4. Energize solenoid by applying 12 volts DC.
5. Block port A with finger tip and apply vacuum to port B. Valve should hold vacuum until port A is opened.
6. Replace if defective.