Curiosii for ever!
: Car repair manuals for everyone.
Home
>>
Isuzu
>>
1989
>>
I-Mark L4-1471cc 1.5L
>>
Repair and Diagnosis
>>
Powertrain Management
>>
Computers and Control Systems
>>
Diagrams
>>
Electrical Diagrams
>>
Non-Turbo
Non-Turbo
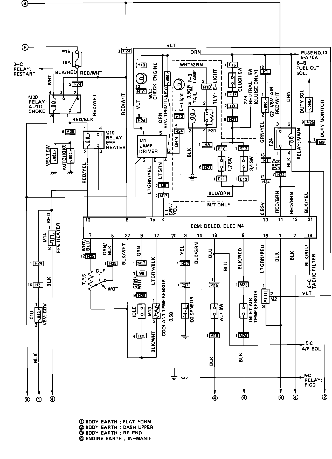
ECM Wiring Diagram: