Curiosii for ever!: Car repair manuals for everyone.

Non-Turbo

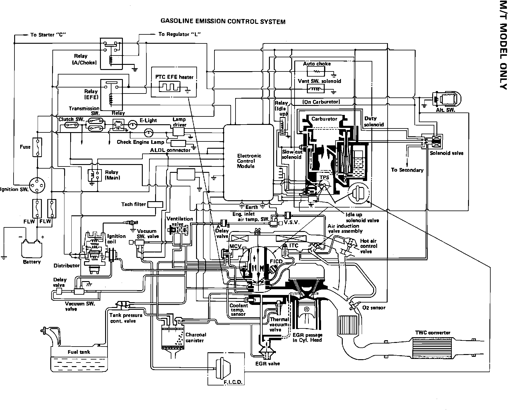
MANUAL TRANSMISSION MODEL

Closed Loop System Diagram:






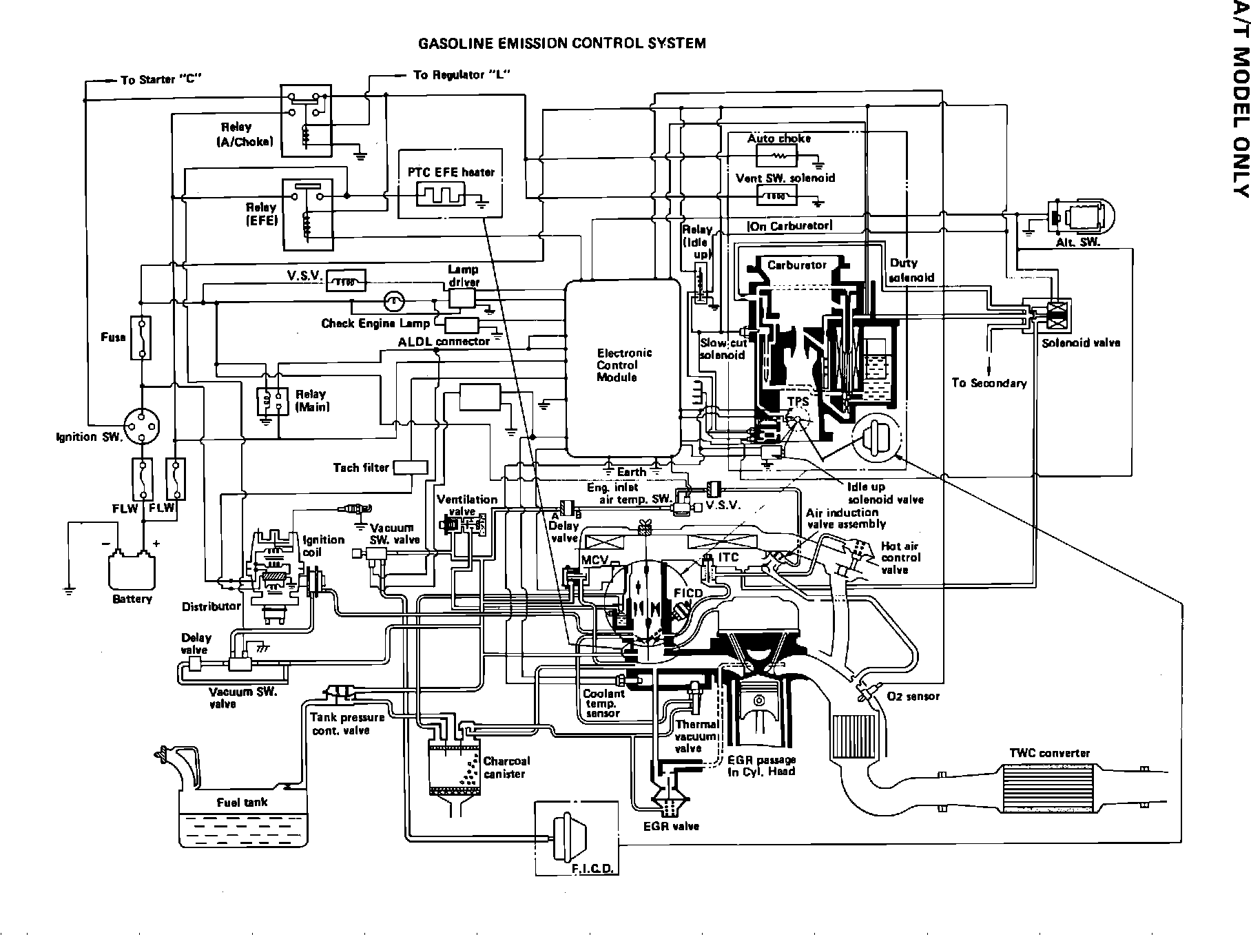
AUTOMATIC TRANSMISSION MODEL

Closed Loop System Diagram:







The Closed Loop Emission Control System is a computerized fuel, ignition and emission control system designed to maintain fuel economy, good driveability and reduced vehicle emissions. It is known as a "feedback" system. An Electronic Control Module (ECM) monitors data from various sensors and controls functions such as carburetor air/fuel ratio, emission control devices and on-board diagnostics.

The ECM is a computer that judges air/fuel ratio as rich or lean according to oxygen sensor output voltage. Based on oxygen sensor and other input data, the ECM generates a controlling signal to the carburetor mixture control solenoid (duty solenoid), causing it to continuously cycle on and off (duty cycle). By changing the duty cycle, the ECM controls air/fuel ratio adjustments.

The ECM duty cycle control signal is selected from four operational modes:

1. Inhibit mode: Fixed control signal to duty solenoid.
2. WOT (wide open throttle) mode: Pre-programmed duty cycle generated based on engine RPM.
3. Open loop mode: Pre-programmed duty cycle generated based on various parameters (cold oxygen sensor, for example).
4. Closed loop mode: Calculated duty cycle generated based on oxygen sensor and other sensor outputs.

This system incorporates self-diagnostic capability that is monitored via a dash mounted "Check Engine" light. When the system detects a fault in a monitored component and/or circuit, the light will come on and stay on (while the engine is running), alerting the driver to seek service. With intermittent problems, the light may come on and then go out, but a trouble code will be stored in ECM memory if correct parameters are met. The technician can then extract trouble codes from the ECM that will aid in the performance of efficient troubleshooting and repair.

Components can be grouped as ECM input and output devices. Input devices control or produce voltage signals monitored by the ECM. Output devices are components controlled by the ECM.

INPUT DEVICES

Idle switch (code 21)
Throttle position sensor
Intake air temperature switch
Ignition coil (engine RPM) (code 12)
Oxygen sensor (code 13)
Barometric switch
Coolant temperature sensor (codes 14 & 15)
Lean oxygen sensor indication (code 44)
Rich oxygen sensor indication (code 45)
High altitude switch and solenoid
Clutch switch
Transaxle switches (1st-2nd and 3rd-4th)

OUTPUT DEVICES

Slow cut solenoid relay (code 22)
Mixture control solenoid (code 23)
"Check Engine" light
AIR vacuum switching valve (codes 25 & 53)
EFE system
Faulty PROM or installation (code 51)
Faulty ECM (code 55)
Shorted VSV and/or faulty ECM (code 53)
Shorted mixture control solenoid circuit and/or faulty ECM (code 54)
Upshift indicator light
On-board diagnostics