Curiosii for ever!: Car repair manuals for everyone.

Timing Cover: Service and Repair

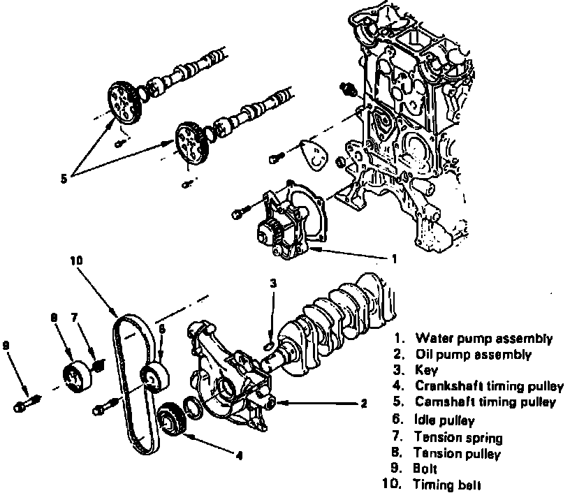
Fig. 30 Replacement of front cover & oil seal:





Less 4XE1 Engine

Refer to Fig. 30, for removal and installation of front cover.

Fig. 31 Replacement of front cover & oil seal:





4XE1 Engine

Refer to Fig. 31, for removal and installation of front cover.