Curiosii for ever!
: Car repair manuals for everyone.
Home
>>
Isuzu
>>
1988
>>
Impulse L4-1994cc 2.0L
>>
Repair and Diagnosis
>>
Heating and Air Conditioning
>>
Expansion Valve
>>
Service and Repair
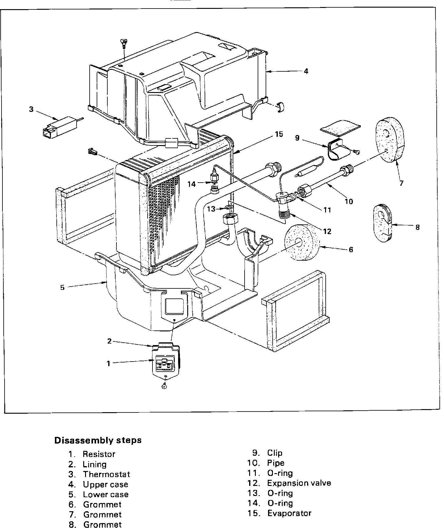
Expansion Valve: Service and Repair
Evaporator: