Curiosii for ever!
: Car repair manuals for everyone.
Home
>>
Isuzu
>>
1988
>>
Impulse L4-1994cc 2.0L
>>
Repair and Diagnosis
>>
Diagrams
>>
Electrical Diagrams
>>
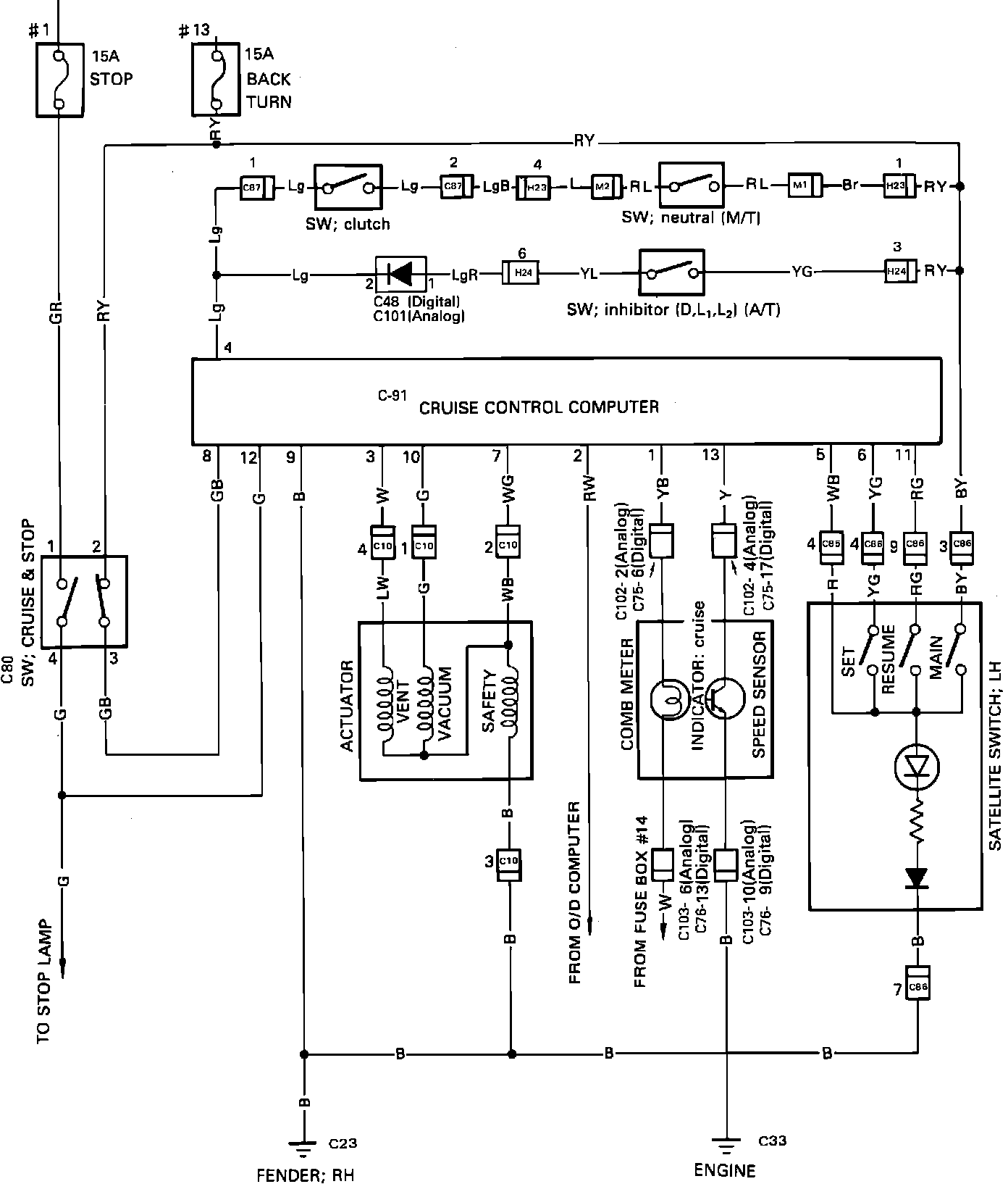
Cruise Control
Cruise Control
Cruise Control Wiring Circuit: