Curiosii for ever!: Car repair manuals for everyone.

Steering Column: Service and Repair

Fig. 1 Exploded view of steering column. Impulse:




Fig. 2 Exploded view of steering column. I-Mark:




Fig. 3 Exploded view of steering column. Pickup:




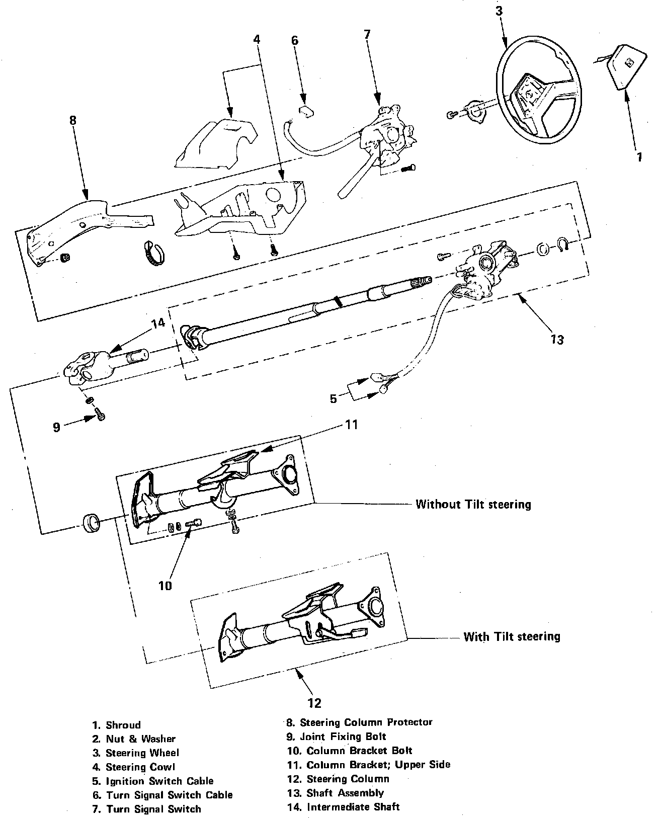
Fig. 4 Exploded view of steering column. Trooper II:






Refer to Figs. 1 through 4, for exploded view of steering column assembly. When disassembling the steering column, ensure to note bolt, screw and nut type, location and bolt tensile strength (usually a letter, number or marking on the bolt head. Ensure to check if nut removed from component is castellated or of the self-locking type). Ensure to replace any bolt, screw or nut with the same type. Do not attempt to replace a bolt, screw or nut with a lesser quality type bolt, screw or nut. Doing so will automatically compromise vehicle integrity and operator safety in the event of a collision.