Curiosii for ever!
: Car repair manuals for everyone.
Home
>>
Isuzu
>>
1987
>>
Impulse L4-1994cc 2.0L
>>
Repair and Diagnosis
>>
Lighting and Horns
>>
Diagrams
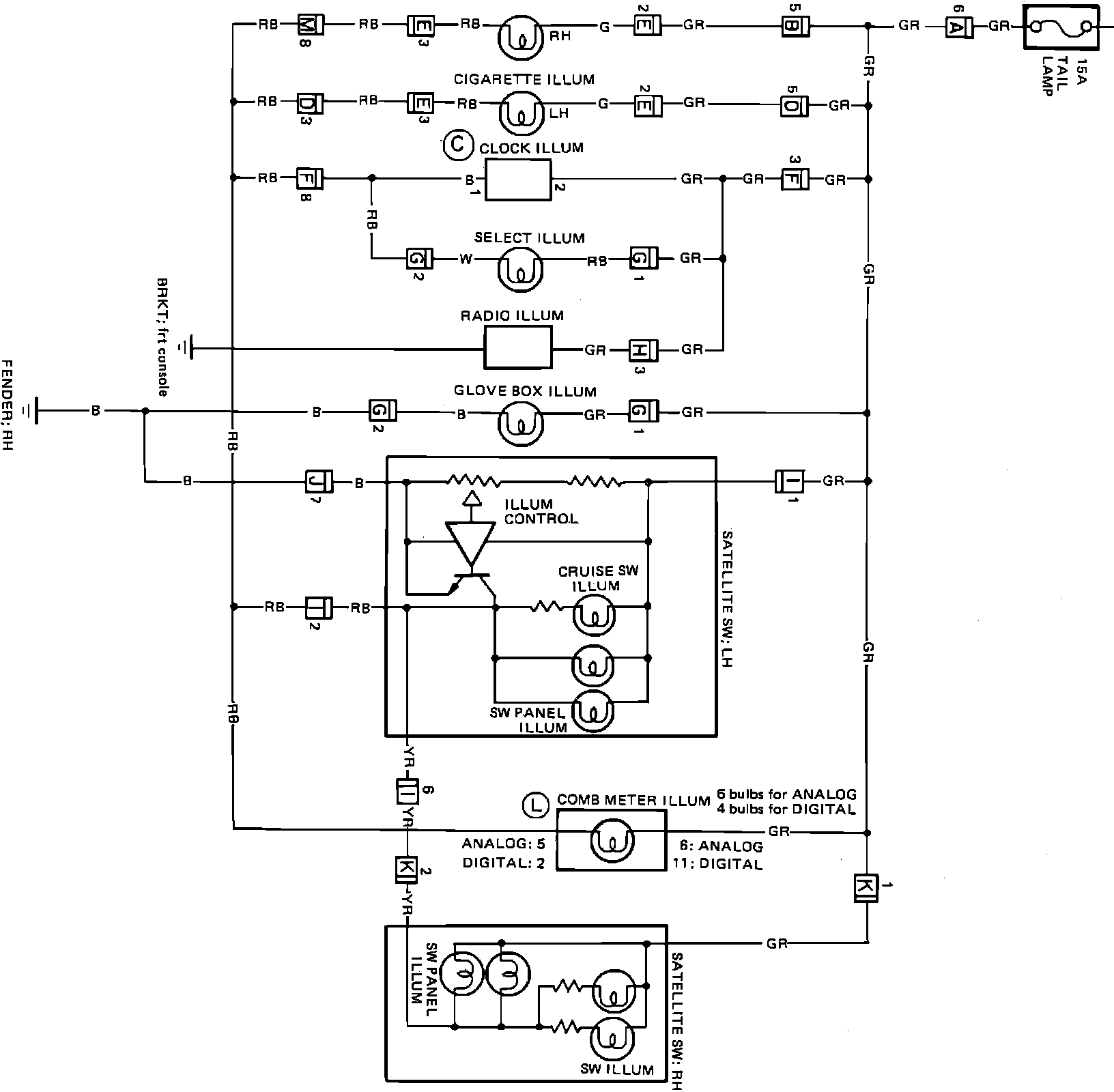
Lighting and Horns: Diagrams
Illumination Wiring Circuit: