Curiosii for ever!
: Car repair manuals for everyone.
Home
>>
Isuzu
>>
1987
>>
Impulse L4-1994cc 2.0L
>>
Repair and Diagnosis
>>
Heating and Air Conditioning
>>
Evaporator Case
>>
Service and Repair
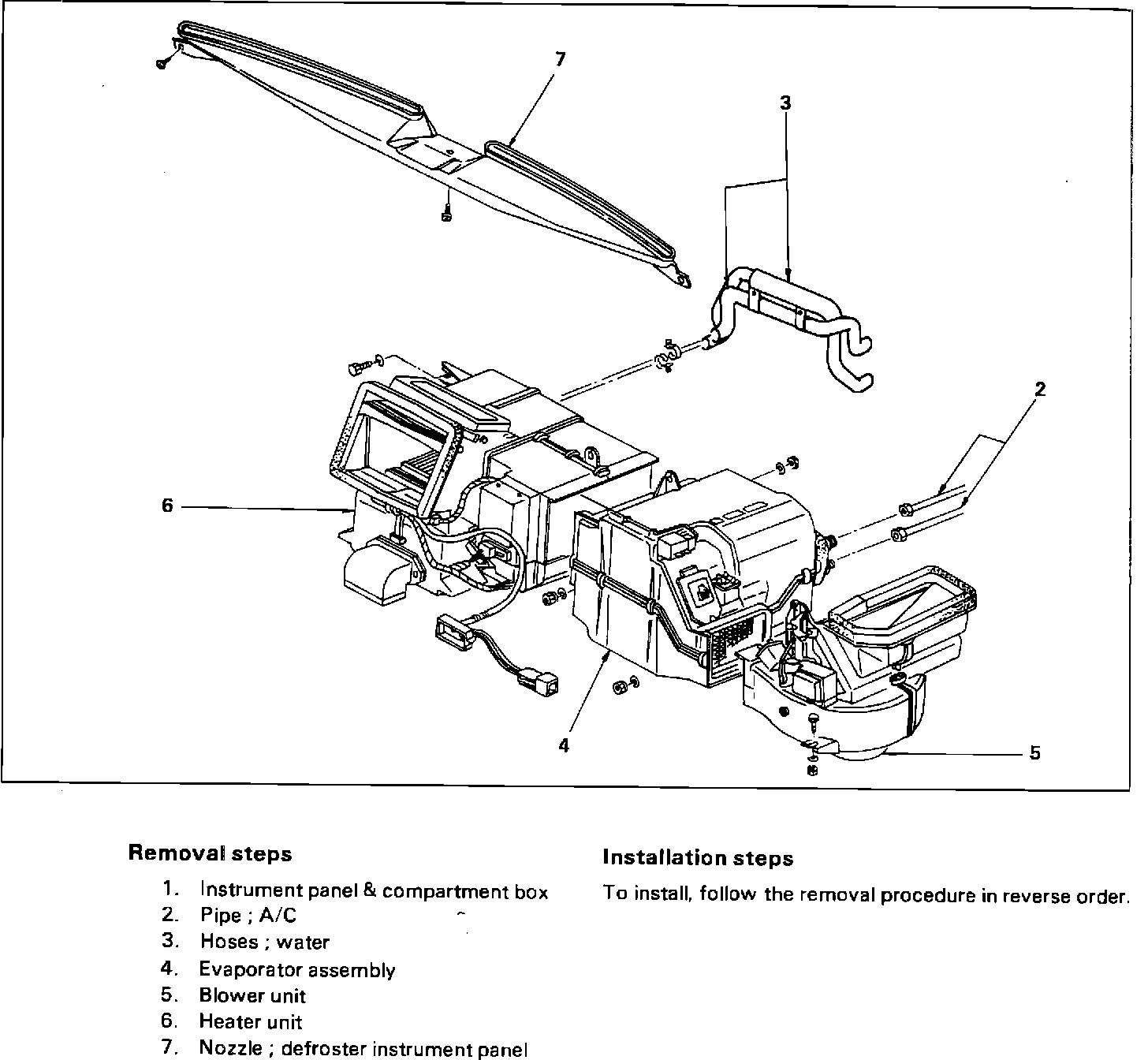
Evaporator Case: Service and Repair
Heater Unit, Blower Unit, And Evaporator Assembly:
Heater Unit: